|
¸®ºä
|
|
Àü¼Û 2005-04-22 11:36
| [¸®ºä]
|
USB·Î Æí¸®ÇÏ°Ô TV¸¦ ½ÃÃ»ÇØº¸ÀÚ! ELSAVISION 410U TV-Tuner BOX
|
|
3. ELASVISION 410U ³»ºÎ 
|


USB 2.0 ÀÎÅÍÆäÀ̽º¸¦ Áö¿øÇÏ´Â ELSAVISION 410U´Â ±× Å©±â°¡ ÀÛÀ¸¸ç, Àü¸éÀÇ °æ¿ì Ãâ·Â ºÎºÐ°ú Æ©³Ê·Î ÀÎÇØ Á¶±ÝÀº º¹ÀâÇØ º¸ÀÌÁö¸¸, Èĸ鿡´Â ¿©·¯ Ĩ¼ÂµéÀÇ ¹èÄ¡°¡ ±ÔÄ¢ÀûÀ¸·Î ÀÌ·ç¾îÁ® Àß Á¤µ·µÈ ´À³¦À» ÁÖ°í º¹ÀâÇÏÁö ¾Ê°í °£°áÇÑ ´À³¦À» ÁØ´Ù.

ELSAVISION 410UÀÇ Æ©³Ê´Â TV ¼ö½Å Ä«µåµéÀÌ ÀϹÝÀûÀ¸·Î ¸¹ÀÌ »ç¿ëÇϰí ÀÖ´Â Çʸ³½º»çÀÇ MK3 Æ©³Ê°¡ ÀåÂøµÇ¾î ÀÖ´Ù. ÀÌ Æ©³Ê¸¦ ÅëÇÏ¿© ¾ÈÅ׳ªÀÇ ½ÅÈ£¸¦ ¹Þ¾Æ ȸéÀ» Ãâ·ÂÇØÁÖ°Ô µÈ´Ù.
 
ELSAVISION 410U¿¡´Â ºñµð¿À ĸÃĸ¦ À§ÇÑ eMPIA»çÀÇ
EM2820 ÄÁÆ®·Ñ·¯, ¿Àµð¿À Ãâ·ÂÀ» À§ÇÑ EMP202 ÄÁÆ®·Ñ·¯, ±×¸®°í ºñµð¿À µðÄÚµù ±â´ÉÀ» À§ÇÑ Ti 5150AM1(9bit AD) ÄÁÆ®·Ñ·¯ µîÀÌ
Æ÷ÇԵǾî ÀÖ´Ù. USB 2.0À» Áö¿øÇÏ´Â TV ¼ö½Å±âµé ´ëºÎºÐÀÌ À§ÀÇ 3°¡Áö Ĩ¼Â Á¶ÇÕÀ¸·Î ¸¹ÀÌ »ç¿ëµÇ°í ÀÖ´Ù. USB 2.0À» Áö¿øÇÏ¿© USB 1.1ÀÇ ÇѰè ÇØ»óµµÀÎ 352x240(NTSC)º¸´Ù ³ôÀº DVD ÇØ»óµµÀÎ 720x480(NTSC)¸¦ Áö¿øÇÏ´Â °ÍÀÌ Æ¯Â¡ÀÌ´Ù.

eMPIA EM2820 ºí·Ï ´ÙÀ̾î±×·¥
eMPIAȍ˂
EM2820ÄÁÆ®·Ñ·¯´Â USB 2.0 ÀÎÅÍÆäÀ̽º¸¦ ±â¹ÝÀ¸·ÎÇÑ USB Video Capture Device(UVCD)·Î NTSC/PAL ¹æ½ÄÀÇ ºñµð¿À ÀúÀå ±â´ÉÀ» Á¦°øÇϸç, ¿Àµð¿À´Â AC97 ÄÚµ¦À» ¿Àµð¿À ¼Ò½º·Î Ȱ¿ëÀÌ °¡´ÉÇÏ´Ù.

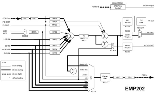
eMPIA EMP202 ºí·Ï ´ÙÀ̾î±×·¥
eMPIA EMP202ÄÁÆ®·Ñ·¯´Â 2ä³ÎÀÇ 20-bit DAC°ú 20-bit ADC, ±×¸®°í Full Duplex AC'97 2.2¿Í ȣȯµÇ´Â ½ºÅ×·¹¿À ¿Àµð¿À
ÄÚµ¦ÀÌ´Ù. EMP202´Â 2½ÖÀÇ ½ºÅ×·¹¿À Ãâ·ÂÀ» Áö¿øÇÏ¿© µ¶¸³µÈ º¼·ý Á¶Àý, ¸ð³ë ¾Æ¿ô, ÇìµåÆù ¾Æ¿ô, ½ºÅ×·¹¿À¿Í ¸ð³ë ÀÔ·ÂÀ» Áö¿øÇÑ´Ù. EMP202 ÄÚµ¦Àº ¶Ç, ³ëÆ®ºÏÀ̳ª PC¿¡ »ç¿ëÇϱâ À§ÇÏ¿© ÆÄ¿ö ¼ÇöóÀÌÀÇ 3.3V¸¦ EAPD(External Amplifier Power Down)¸¦ ÀÌ¿ëÇÏ¿© Á¶ÀýÇÑ´Ù. ¶ÇÇÑ, µðÁöÅÐ Ãâ·ÂÀÎ S/PDIFµµ Áö¿øÇϰí ÀÖ´Ù.
|
|
|
|
|
|
ÀÌÀüÆäÀÌÁö |
´ÙÀ½ÆäÀÌÁö.ELASVISION 410U ºÎ¼Ó¹°
|
 |
|
±Ç°æ¿í îñ ±âÀÚ / ÇÊ¸í ¹ÙÀÌÆÛÅõ /
press@bodnara.co.kr
|
| ³²µéÀº ½º¸¶Æ®ÆùÀ̳ª Ÿºí·¿ PC¿¡ °ü½ÉÀ» °®°í ÀÖÁö¸¸, ¿©ÀüÈ÷ PC°¡ ÁÁ´Ù. »õ·Î¿î °Í, µ¶Æ¯ÇÑ °ÍÀ» ÁÁ¾ÆÇÏÁö¸¸, ³²¾Õ¿¡ ³ª¼°Å³ª »çÁøÂïÈ÷´Â °ÍÀ» ½È¾îÇØ ±âÀÚ¿¡´Â Á¦ÀÏ ¾î¿ï¸®Áö ¾Ê´Â ¼º°Ý. ´©±¸º¸´Ù ºü¸£°Ô PC Çϵå¿þ¾î Á¤º¸¸¦ Àü´ÞÇϱâ À§ÇØ ³ë·ÂÇϰí ÀÖÀ¸¸ç, PC Çϵå¿þ¾î¿¡ ´ëÇÑ ¿Á¤Àº ÇöÀçÁøÇàÇüÀÌ´Ù. |
| ±âÀÚ°¡ ¾´ ´Ù¸¥ ±â»ç º¸±â |
|
|
|
|
|
|
2026³â 05¿ù
ÁÖ°£ È÷Æ® ·©Å·
|
|
|
|
|
|
|
½Ç½Ã°£ ´ñ±Û
|
¼Ò¼È ³×Æ®¿öÅ©
|
|
 |
|
 |
|