±âȹ
 






 
 
 




Àü¼Û 2005-08-29 13:32
[º¥Ä¡]

µà¾ó ÄÚ¾î CPU¸¦ Áö¿øÇÏ´Â i945P ¸ÞÀκ¸µå 7Á¾ º¥Ä¡¸¶Å©

1. óÀ½ 2. i945P ¸ÞÀκ¸µå ·¹À̾ƿô ºñ±³
3. Àü¿øºÎ ºñ±³ 4. Ĩ¼Â Ä𸵠¹æ½Ä ºñ±³
5. ¸Þ¸ð¸®, È®Àå ½½·Ô ¹× Ä¿³ØÅÍ ºñ±³ 6. »ç¿ë Ĩ¼Â ºñ±³ (1)
7. »ç¿ë Ĩ¼Â ºñ±³ (2) 8. ¸Þ´º¾ó ¹× ¼³Ä¡ CD, °¢Á¾ ÄÉÀÌºí ºñ±³
9. ¹ÙÀÌ¿À½º ºñ±³ 10. Á¦°ø À¯Æ¿ ¹× ÇÁ·Î±×·¥ ºñ±³
11. Pentium D 830, 200 x 14ÀÇ Áø½ÇÀº? 12. ÃÖÁ¾ ¼±ÅÃÀº?
13. ºÎ·Ï. A/S ±â°£°ú °¡°Ý¿¡ ´ëÇÑ Ãß°¡ °í·Á

     3. Àü¿øºÎ ºñ±³


Àü¿øºÎ ±¸¼ºÀº ¹«Á¶°Ç Phase¸¸ ³ô´Ù°í ÁÁÀº °ÍÀº ¾Æ´Ï¶ó´Â °ÍÀº ÀÌ¹Ì ¾Ë·ÁÁø »ç½ÇÀ̸ç, ¾ó¸¶³ª ÁÁÀº ºÎǰÀ» »ç¿ëÇϰí ÀÖ´À³Äµµ Áß¿äÇÑ º¯¼ö·Î ÀÛ¿ëµÈ´Ù. ¿©±â¼­´Â Àü¿øºÎ ±¸¼º°ú »ç¿ëµÇ´Â ¿ë·® µîÀ» È®ÀÎÇϵµ·Ï ÇÒ °ÍÀÌ´Ù.

 

ABIT AL8-V ºòºö

ABITÀÇ Á¦Ç°Àº ÀÏ´Ü 4Phase·Î ±¸¼ºµÇ°í ÀÖ´Ù. ¿ö³« ¿À¹öŬ·°ÂÊ¿¡µµ °­·ÂÇÑ ´É·ÂÀ» ¹ßÈÖÇÏ´Â Á¦Ç°µéÀÌ ¸¹±â ¶§¹®¿¡ ¾ÈÁ¤ÀûÀÎ Àü¿øºÎ¸¦ ±¸¼ºÇÏ´Â ABIT¸¸ÀÇ ³ëÇϿ츦 ¿³º¼ ¼ö ÀÖ´Â ºÎºÐÀÌ´Ù. Àü¿øºÎ¿¡´Â Çʸ§ÇüÀÇ Rubycon ijÆÐ½ÃÅ͸¸À» »ç¿ëÇϰí ÀÖ´Â °ÍÀ» È®ÀÎÇÒ ¼ö ÀÖ´Ù. Ãß°¡·Î Äð·¯ ¼³Ä¡¸¦ À§ÇØ ³ôÀ̰¡ ³·Àº ĵŸÀÔÀÇ Ä³ÆÐ½ÃÅ͸¦ Ãß°¡·Î »ç¿ëÇϰí ÀÖ´Ù. ÀϹÝÀûÀÎ ÃÝÅ©ÄÚÀÏÀ» »ç¿ëÇÏÁö ¾Ê°í ³ëÀÌÁî°¡ º¸´Ù ÀûÀº ¹Ú½ºÇüÀÇ ÄÚÀÏÀ» Àû¿ëÇϰí ÀÖ´Â °Íµµ Ư¡ÀÌ´Ù. Phase ´ç ¸ð½ºÆêÀÇ °¹¼ö´Â 4°³¸¦ »ç¿ëÇϰí ÀÖ´Ù.

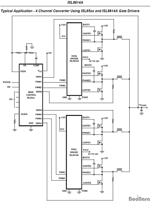
ISL6556BCRZĨÀÌ ½ºÀ§Äª ·¹±Ö·¹ÀÌÅÍ·Î 4PhaseÀÇ Àü¿øºÎ ±¸¼ºÀ» °¡´ÉÇÏ°Ô ÇØÁÖ¸ç, µå¶óÀ̹ö´Â ISL6614ACBZ°¡ 2°³ »ç¿ëµÇ¾ú´Ù. ISL6556BCRZ´Â 2, 3, 4PhaseÀÇ Àü¿øºÎ ±¸¼ºÀÌ °¡´ÉÇÏ´Ù. ISL6614ACBZ µå¶óÀ̹ö´Â ISL6613A ¸ð½ºÆê µå¶óÀ̹ö°¡ 2°³ ³»ÀåµÇ¾î ÀÖ¾î 2 Phase¸¦ ±¸¼ºÇÒ ¼ö ÀÖ´Ù. HIP6602 µå¶óÀ̹ö¿Íµµ ÇÉÀÌ È£È¯µÇ¸ç, HIP63xx¿Í ISL65xx Multi-Phase ½ºÀ§Äª ·¹±Ö·¹ÀÌÅÍ¿Í Á¶ÇÕÇÏ¿© »ç¿ëÇÒ ¼ö ÀÖ´Ù. ISL6614ACBZ µå¶óÀ̹ö´Â µà¾ó µå¶óÀ̹ö·Î ÇϳªÀÇ µå¶óÀ̹ö°¡ 2Phase¸¦ ´ã´çÇÒ ¼ö ÀÖ°í ABIT AL8-V´Â ÀÌ µå¶óÀ̹ö Çϳª¿¡ ¸ð½ºÆêÀÌ 8°³ Áï, Phase ´ç 4°³ÀÇ ¸ð½ºÆêÀÌ »ç¿ëµÇ´Â ±¸¼ºÀÌ´Ù.

 

 

AOpen i945Pa-PLF

AOpenÀÇ Àü¿øºÎ´Â 4Phase·Î ±¸¼ºµÇ°í ÀÖ´Ù. Äð·¯ ¼³Ä¡·Î ÀÎÇØ ĵŸÀÔÀÇ ³ôÀ̰¡ ³·Àº ijÆÐ½ÃÅ͸¦ Àû¿ëÇÏ¿´°í Phase ´ç ¸ð½ºÆêÀÇ ¼ö´Â 3°³·Î ±¸¼ºµÇ°í ÀÌ ¿ª½Ã Äð·¯ ¼³Ä¡¸¦ À§ÇØ ´¯ÇôÁø 4°³ÀÇ ÃÝÅ©ÄÚÀÏÀÌ »ç¿ëµÇ¾ú´Ù.

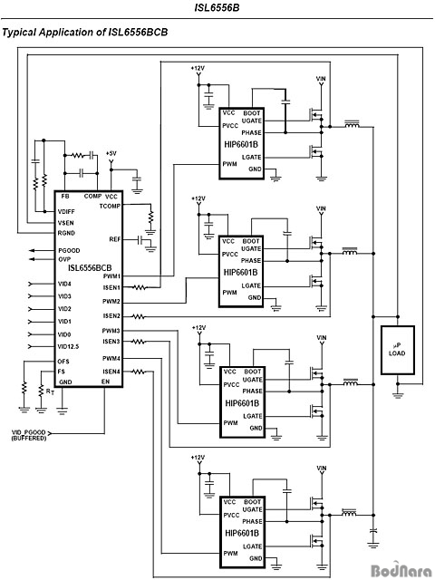
ISL6556BCB ½ºÀ§Äª ·¹±Ö·¹ÀÌÅÍ·Î 4PhaseÀÇ Àü¿øºÎ¸¦ ±¸¼ºÇϸç, ISL6614ACB µå¶óÀ̹ö°¡ 2°³ »ç¿ëµÇ¾î ÇϳªÀÇ µå¶óÀ̹ö°¡ 2PhaseÀÇ Àü¿øºÎµéÀ» ´ã´çÇÏ°í ¸ð½ºÆêÀº Phase ´ç 3°³ÀÌ´Ù. ISL6614ACB ¸ð½ºÆê µå¶óÀ̹ö´Â HIP63xx, ISL65xx Multi-Phase PWM ÄÁÆ®·Ñ·¯¿Í Á¶ÇÕµÇ¾î »ç¿ëµÈ´Ù. ¾Æ·¡ ´ÙÀ̾î±×·¥Àº HIP6601B¿Í Á¶ÇյǾú´Âµ¥ AOpen i945Pa-PLF¿¡¼­´Â ISL6614ACB ¸ð½ºÆê µå¶óÀ̹ö¿Í °áÇÕµÇ¾î »ç¿ëµÈ´Ù. ABIT¿¡ »ç¿ëµÈ ¸ð½ºÆê µå¶óÀ̹öÀÎ ILS6614ACBZ¿Í ÆÐŰ¡ ¹æ½ÄÀÇ Â÷À̰¡ ÀÖ°í µ¿ÀÏÇÏ°Ô 2PhaseÀÇ Àü¿øºÎ¸¦ ´ã´çÇÏ´Â µà¾ó ¸ð½ºÆê µå¶óÀ̹öÀÌ´Ù.

 

 

ASUS P5LD2 STCOM

ASUS P5DL2´Â 3PhaseÀÇ Àü¿øºÎ·Î ±¸¼ºµÈ´Ù. Äð·¯ ¼³Ä¡¸¦ À§ÇØ ´¯ÇôÁø ÃÝÅ© ÄÚÀÏÀ» »ç¿ëÇÏ¿´À¸¸ç, Phase ´ç 4°³ÀÇ ¸ð½ºÆêÀ» Àû¿ëÇϰí ÀÖ´Ù. ¶ÇÇÑ, ³ôÀ̰¡ ÀÛÀº Ãâ·ÂºÎÀÇ Ä³ÆÐ½ÃÅÍ´Â ´Ù¸¥ Á¦Ç°µé°ú´Â ´Ù¸£°Ô Çʸ§Çü Á¦Ç°µéÀÌ »ç¿ëµÇ¾ú´Ù. 3Phase¿¡ »ç¿ëµÇ´Â ¸ð½ºÆê Áß 2Phase¿¡ ÇØ´çÇÏ´Â ¸ð½ºÆêµé¿¡¸¸ ¹æ¿­ÆÇÀ» Àû¿ëÇÏ¿© ³ª¸ÓÁö ÇÑ PhaseÀÇ ¸ð½ºÆêÀº °³¹æµÈ »óÅ´Ù.

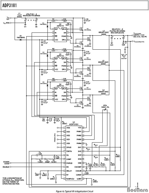
ADP3181ĨÀÌ ½ºÀ§Äª ·¹±Ö·¹ÀÌÅÍ·Î »ç¿ëµÇ¾î 3PhaseÀÇ Àü¿øºÎ¸¦ ±¸¼ºÇϸç,  µå¶óÀ̹ö·Î´Â ADP3418KĨÀÌ 3°³ »ç¿ëµÈ´Ù. ADP3181Àº 2, 3, 4Phase¸¦ ¼±ÅÃÇÏ¿© Àü¿øºÎ ±¸¼ºÀÌ °¡´ÉÇÏ´Ù. ¾Æ·¡´Â À̹ÌÁö´Â ADP3110 µå¶óÀ̹ö¿Í 3PhaseÀÇ ±¸¼ºÀ» ÀÌ·é °ÍÀÌ´Ù. ADP3418K µå¶óÀ̹ö´Â µ¥ÀÌÅÍ½ÃÆ®¸¦ ãÀ» ¼ö ¾ø¾úÁö¸¸, ASUS P5LD2ÀÇ Àü¿øºÎ ±¸¼º¿¡¼­ ¸ð½ºÆêÀ» Çϳª´ç 4°³¾¿ Àû¿ëÇϰí ÀÖ´Â °ÍÀ» º¼ ¼ö Àִµ¥ ÀÌ´Â Çϳª´ç ¿©·¯°³ÀÇ ¸ð½ºÆêÀ» Àû¿ëÀÌ °¡´ÉÇÏ´Ù´Â °ÍÀ» ÀǹÌÇÑ´Ù.

 

 

ECS 945P-A

ECSÀÇ °æ¿ì 4PhaseÀÇ Àü¿øºÎ ±¸¼ºÀ¸·Î Phase ´ç 3°³ÀÇ ¸ð½ºÆêÀÌ Àû¿ëµÇ°í ÀÖÀ¸¸ç, CPU ¼ÒÄÏ ÁÖÀ§¿¡ º¸Åë »ç¿ëµÇ´ø ³ôÀ̰¡ ³·Àº ijÆÐ½ÃÅ͵éÀÌ »ç¿ëµÇÁö ¾Ê°í »ó´ÜÀÇ Çʸ§Çü ijÆÐ½ÃÅ͵é·Î ´ëüµÇ¾ú´Ù. ÃÝÅ©ÄÚÀÏÀº Äð·¯ ¼³Ä¡¸¦ À§ÇØ ´¯ÇôÁø »óÅÂÀÌ´Ù.

ADP3181 ½ºÀ§Äª ·¹±Ö·¹ÀÌÅÍ´Â ASUSÀÇ °Í°ú µ¿ÀÏÇϸç 2, 3, 4 PhaseÀÇ Àü¿øºÎ¸¦ ¼±ÅÃÀûÀ¸·Î »ç¿ëÇÒ ¼ö ÀÖµµ·Ï ±¸¼ºµÇ¾ú´Ù. ¸ð½ºÆê µå¶óÀ̹ö·Î´Â ADP3110K·Î ÀÌ ¿ª½Ã ASUS¿¡¼­ º¸¿©ÁÖ¾ú´ø ½ºÀ§Äª ·¹±Ö·¹ÀÌÅÍ ´ÙÀ̾î±×·¥¿¡¼­ Àü¿øºÎ¸¦ ±¸¼ºÇÏ´Â ¹Ù·Î ±× µå¶óÀ̹öÀÌ´Ù. ½Ì±Û ±¸¼º ¸ð½ºÆê µå¶óÀ̹ö·Î ECS 945P-AÀÇ ¸ð½ºÆêÀº ÇÑ Phase ´ç 3°³·Î ±¸¼ºµÈ´Ù.

 

Foxconn Racing 945P ºòºö (945P7AA-8KS2)

FoxconnÀÇ ¼ÒÄÏ ÁÖÀ§ÀÇ °ø°£ÀÌ ºñ±³Àû ³ÐÀº Æí¿¡ ¼ÓÇÏ¿© Äð·¯ ¼³Ä¡·Î ÀÎÇÑ Á¦¾àÀÌ ºñ±³Àû ÀûÀº ÆíÀ̶ó°í ÇÒ ¼ö Àִµ¥ ±×·¯ÇÑ ÀÌÀ¯·Î ´Ù¸¥ Á¦Ç°µé°ú´Â ´Ù¸£°Ô ¼ÒÄÏ ÁÖÀ§¿¡ ³ôÀ̰¡ ³·Àº Ãâ·ÂºÎ ijÆÐ½ÃÅ͵éÀ» »ç¿ëÇÏÁö ¾Ê¾Ò°í ¹Ú½ºÇü ÄÚÀÏ ÁÖº¯À¸·Î À̵¿ÇÏ¿´´Ù. ¸ð½ºÆêÀº Phase ´ç 3°³·Î ±¸¼ºµÇ¸ç, 4PhaseÀÇ Àü¿øºÎ ±¸¼ºÀ» º¸¿©ÁØ´Ù. 

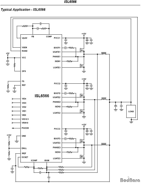
ISL6561CRĨÀÌ ½ºÀ§Äª ·¹±Ö·¹ÀÌÅÍ·Î 2, 3, 4PhaseÀÇ Àü¿øºÎÀÇ ±¸¼ºÀ» °¡´ÉÇÏ°Ô ÇØÁÖ¸ç, ISL6614CB + ISL6612CB x 2°¡ µå¶óÀ̹ö·Î »ç¿ëµÇ¾ú´Ù. ISL6614CB µå¶óÀ̹ö´Â ABIT AL8-V¿¡ »ç¿ëµÇ´Â ISL6614ACBZ µå¶óÀ̹ö¿Í´Â µ¿ÀÏÇÏ°Ô µà¾ó µå¶óÀ̹ö·Î ĨÇϳª°¡ 2PhaseÀÇ ±¸¼ºÀ» Áö¿øÇÑ´Ù. IS6612CB µå¶óÀ̹ö´Â µà¾ó µå¶óÀ̹ö ĨÀÌ ¾Æ´Ï±â ¶§¹®¿¡ 2°³¸¦ »ç¿ëÇÏ¿© 1Phase¸¦ ´ã´çÇϰí 2°³ »ç¿ëÀ¸·Î 2PhaseÀÇ ±¸¼ºÀ» ÀÌ·é´Ù.

 

 

GIGABYTE GA-8I945P-G

Gigabyte´Â °í±ÞÇü Á¦Ç°µéÀÇ °æ¿ì º°µµÀÇ ¸ðµâÀ» Ãß°¡ÇÏ¿© Àü¿øºÎ¸¦ È®Àåµµ °¡´ÉÇѵ¥ À̹ø º¥Ä¡¿¡ »ç¿ëµÈ i945P Á¦Ç°Àº º°µµÀÇ ¸ðµâÀ» »ç¿ëÇÏÁö ¾Ê´Â ³ë¸ÖÇÑ º¸µå¶ó°í ÇÒ ¼ö ÀÖ´Ù. 3Phase·Î Àü¿øºÎ°¡ ±¸¼ºµÇ¸ç, ¹Ú½ºÇü ÄÚÀÏÀÇ »ç¿ë°ú Phase ´ç 4°³ÀÇ ¸ð½ºÆêÀÌ »ç¿ëµÇ°í ÀÖ´Ù. Äð·¯ ¼³Ä¡¸¦ À§ÇØ ³ôÀ̰¡ ³·Àº ĵÇüÀÇ Ä³ÆÐ½ÃÅ͸¦ Àû¿ëÇϰí ÀÖ´Ù.

ISL6566CRZ°¡ ½ºÀ§Äª ·¹±Ö·¹ÀÌÅÍ·Î 1, 2, 3PhaseÀÇ Àü¿øºÎ ±¸¼ºÀÌ °¡´ÉÇϸç, ´Ù¸¥ ºñ±³ Á¦Ç°µé°ú´Â ´Ù¸£°Ô ISL6566CRZ ½ºÀ§Äª ·¹±Ö·¹ÀÌÅÍ Ä¨¿¡ µå¶óÀ̹ö°¡ ÅëÇÑµÈ ÇüÅ·Πºñ¿ë°ú °ø°£ Àý¾àÇü Àü¿øºÎ ±¸¼ºÀ» °¡´ÉÇÏ°Ô ÇØÁØ´Ù. ¸ð½ºÆêÀº 1Phase ´ç 4°³·Î ±¸¼ºµÇ°í ÀÖ´Ù.

 

 

MSI 945P Neo-F

º¥Ä¡¸¶Å©¿¡ Âü°¡ÇÑ Á¦Ç°µé Áß °¡Àå ³ôÀº Àü¿øºÎ ±¸¼ºÀ» º¸¿©ÁÖ´Â MSI 945P Neo-FÀÌ´Ù. 5PhaseÀÇ Àü¿øºÎ·Î ±¸¼ºµÇ´Âµ¥ ¹Ú½ºÇüÀÇ ÄÚÀϰú Ãâ·ÂºÎ¿¡ »ç¿ëµÈ ³ôÀ̰¡ ³·Àº ĵÇü ijÆÐ½ÃÅ͵éÀÇ »ç¿ëÀÌ ´«¿¡ ¶ç¸ç, Phase ´ç 2°³ÀÇ ¸ð½ºÆêÀ» »ç¿ëÇϰí 3Phase¿¡ ÇØ´çÇÏ´Â ºÎºÐÀÇ ¸ð½ºÆêµé¿¡´Â ¹æ¿­ÆÇÀ» Àû¿ëÇϰí ÀÖ´Ù.

RT8804AĨÀÌ ½ºÀ§Äª ·¹±Ö·¹ÀÌÅͰ¡ »ç¿ëµÇ°í ÀÖÀ¸¸ç, AJ-7D 2°³¿Í RT9603 1°³°¡ µå¶óÀ̹ö·Î »ç¿ëµÇ°í ÀÖ´Ù. »ç¿ëµÇ°í ÀÖ´Â RT8804A, AJ-7DÀÇ °æ¿ì ºñ±³Àû ÃÖ±Ù¿¡ ³ª¿Â ĨÀ̾ÀÎÁö µ¥ÀÌÅÍ½ÃÆ®¸¦ ãÀ» ¼ö ¾ø¾ú´Âµ¥ Àû¿ëµÇ°í ÀÖ´Â ¹Ú½ºÇü ÄÚÀϰú ¸ð½ºÆêÀÇ °¹¼ö¸¦ ÅëÇØ 5Phase Áö¿ø ½ºÀ§Äª ·¹±Ö·¹ÀÌÅÍ·Î È®ÀεȴÙ. AJ-7D´Â µà¾ó µå¶óÀ̹ö·Î 2PhaseÀÇ ±¸¼ºÀÌ °¡´ÉÇÑ °ÍÀ¸·Î º¸¿©Áö°í RT9603Àº ½Ì±Û ±¸¼º µå¶óÀ̹ö·Î 1Phase ±¸¼ºÀÌ °¡´ÉÇÏ¸ç ´Ù¼öÀÇ ¸ð½ºÆêÀÇ Àû¿ëÀÌ °¡´ÉÇÏ´Ù.

 

°¢ ÇØ´ç ¸ÞÀκ¸µåÀÇ Phase ±¸¼ºÀ» Á¤¸®Çغ¸¾Ò°í »ç¿ëµÇ´Â ijÆÐ½ÃÅÍ¿Í ¿ë·®À» ºñ±³ÇÏ¿© º¸¾Ò´Ù.

ABITÀÇ ÀԷºο¡ »ç¿ëµÈ Rubycon ZLÀº High Ripple°ú Low Impedance Ư¡À» °®°í, 6.3V to 100V ¹üÀ§¿Í 5.6uF to 6,300uFÀÇ ¿ë·®À» Á¦°øÇÑ´Ù. Ãâ·ÂºÎ¿¡ »ç¿ëµÈ Rubycon MBZ´Â Ultra Low Impedance Ư¡À» °¡Áö¸ç, 6.3V to 16V ¹üÀ§¿Í 470uF to 3,300uFÀÇ ¿ë·®À» Á¦°øÇÑ´Ù. ĵŸÀÔÀÇ °æ¿ì SanyoÀÇ °ÍÀº ¾Æ´Ï¾ú°í Á¤È®ÇÑ Á¤º¸¸¦ ãÀ» ¼ö ¾ø¾úÀ¸³ª °í±ÞÇü Sanyo¿Í ºñ±³ÇÏ¿© ÇÑ´Ü°è ³·Àº µî±ÞÀÇ Á¦Ç°À¸·Î º¼ ¼ö ÀÖ´Ù.

AOpenÀÇ ÀԷºδ ABIT¿¡ »ç¿ëµÈ °Í°ú µ¿ÀÏÇÑ Rubycon MBZ·Î µ¿ÀÏÇÑ Æ¯¼ºÀ» °¡Áö¸ç, ĵŸÀÔÀÇ °æ¿ì SanyoÀÇ °ÍÀº ¾Æ´Ï¾ú°í Á¤È®ÇÑ Á¤º¸¸¦ È®ÀÎÇÒ ¼ö ¾ø¾úÁö¸¸ °í±ÞÇü Sanyo¿Í ºñ±³ÇÏ¿© ÇÑ´Ü°è ³·Àº Á¦Ç°À¸·Î º¼ ¼ö ÀÖ´Ù.

ASUS¿¡ »ç¿ëµÈ KZG´Â ÀϺ» ÄɹÌÄÜ»çÀÇ Á¦Ç°À¸·Î PC ¸ÞÀκ¸µå¿¡ ¸¹ÀÌ »ç¿ëµÇ°í ÀÖÀ¸¸ç, °íÁÖÆÄ ÆòȰ¿ë Low Impedance¸¦ °¡Áø ½Å·Úµµ ³ôÀº ijÆÐ½ÃÅÍÀÌ´Ù. 6.3V to 16VÀÇ ¹üÀ§¿¡¼­ »ç¿ëµÇ¸ç ¿ë·®Àº 470uF to 3,300uFÀ» Á¦°øÇÑ´Ù. ÀÔ·ÂºÎ¿Í Ãâ·ÂºÎ ¸ðµÎ¿¡ °í·ç »ç¿ëµÇ¾ú´Ù. KZE¿¡ ºñÇÏ¿© ³·Àº Impedance¸¦ °®´Â´Ù. ÀϺ» ÄɹÌÄÜ»çÀÇ °æ¿ì ¼º´É°ú ½Å·Ú¼ºÀÌ ³ô´Ù. ¶ÇÇÑ, ÀÛÀº Å©±âÀÇ Çʸ§Çü 4V 680uF Á¦Ç°µéÀº ÀϺ» ¸¶Ã÷½Ã´Ù Àü±â»ê¾÷(ÆÄ³ª¼Ò´Ð) ÁÖ½Äȸ»çÀÇ Á¦Ç°À¸·Î ÀúÀÓÇÇ´ø½º¸¦ °¡Áø ½Å·Úµµ°¡ ÄɹÌÄÜ ´ÙÀ½À¸·Î ¾Ë·ÁÁ® ÀÖ´Ù. ¸ÞÀκ¸µå¿¡ ÄɹÌÄÜ»ç¿Í ¸¶Ã÷½Ã´Ù Á¦Ç°ÀÌ 3°³ ÀÌ»ó ¹ß°ßµÉ °æ¿ì ¾ÈÁ¤¼ºÀ̳ª ¿À¹öŬ·° ³»¼º»Ó¾Æ´Ï¶ó ¼ö¸íµµµµ ±æ¾îÁö´Â °ÍÀ¸·Î ¾Ë·ÁÁ® ÀÖ´Ù.

ECS´Â ÀԷºο¡´Â ¸¶Ã÷½Ã´Ù Àü±â»ê¾÷ÀÇ Çʸ§ÇüÀ¸·Î Low Impedance Ư¼ºÀ» °¡Áö¸ç, 4°³°¡ »ç¿ëµÈ´Ù. Ãâ·ÂºÎ¿¡´Â ÀϺ» ÄɹÌÄÜ»çÀÇ KZJ ijÆÐ½ÃÅÍ·Î PC ¸ÞÀκ¸µå ¿ëÀ¸·Î ÁÖ·Î »ç¿ëµÇ¸ç, Lower Impedance¸¦ °¡Áø ½Å·Úµµ ³ôÀº ijÆÐ½ÃÅÍÀÌ´Ù.

Foxconn¿¡ »ç¿ëµÈ KZJ´Â ÀϺ» ÄɹÌÄÜ»çÀÇ Á¦Ç°À¸·Î KZG¿Í ÇÔ²² PC ¸ÞÀκ¸µå¿¡ ¸¹ÀÌ »ç¿ëµÇ°í µ¿ÀÏÇÑ Àü¾Ð°ú ¿ë·®¹üÀ§¸¦ Á¦°øÇÑ´Ù. Ãâ·ÂºÎ¿¡ 6.3V 3300uF 7°³°¡ »ç¿ëµÇ°í ÀÖ´Ù. ÀԷºο¡´Â Ultra Low Impedance¸¦ °¡Áø Rubycon MBZ ijÆÐ½ÃÅÍ·Î ABIT¿¡ »ç¿ëµÈ°Í°ú ¿ë·®¸¸ ´Ù¸¥ µ¿ÀÏÇÑ Á¦Ç°ÀÌ´Ù.

GIGABYTEÀÇ ÀԷºο¡ »ç¿ëµÈ nichicon»çÀÇ Ä³ÆÐ½ÃÅ͵éÀº ÄɹÌÄÜ¿¡ ÀÌ¾î ¸¶Ã÷½Ã´Ù Á¦Ç°°ú ÇÔ²² ÀÎÁ¤¹Þ°í Àִ ijÆÐ½ÃÅÍ·Î ÀÏ¹Ý °¡Àü°ú ¿Àµð¿À¿ë ºÎǰÀ¸·Îµµ ¸¹ÀÌ »ç¿ëµÈ´Ù. Extremely Low Impedance¿Í ³ôÀº ½Å·Ú¼ºÀÌ Æ¯Â¡À̰í, 6.3V to 16V¹üÀ§¿Í 330uF to 12,000uFÀÇ ¿ë·®À» Á¦°øÇÑ´Ù. Ãâ·ÂºÎ¿¡ »ç¿ëµÈ SanyoÀÇ OS-CON Low ESRŸÀÔ SEPC ĵÇü ijÆÐ½ÃÅÍ´Â °¡Àå °í±ÞÇüÀ¸·Î ¾Ë·ÁÁ® ÀÖ´Ù. ¸ÞÀκ¸µå¿Í ±×·¡ÇÈ Ä«µå¿¡ ÁÖ·Î »ç¿ëµÈ´Ù.

MSI¿¡ »ç¿ëµÈ KZG´Â ¾Õ¼­ »ìÆìº» ASUS¿¡ »ç¿ëµÇ´ø °Í°ú µ¿ÀÏÇÑ °ÍÀÌ´Ù. ÀԷºο¡¸¸ 4°³¸¦ »ç¿ëÇϰí ÀÖ´Ù. Ãâ·ÂºÎ¿¡ »ç¿ëµÈ SanyoÀÇ OS-CON Low ESRŸÀÔ SPEC ĵÇü ijÆÐ½ÃÅÍ´Â ¿ª½Ã °í±ÞÇüÀÌ´Ù.

 

SanyoÀÇ OS-CON Low ESRŸÀÔ SPEC ĵÇü ijÆÐ½ÃÅÍ·Î ±¸¼ºµÈ GIGABYTE¿Í MSI°¡ °¡Àå ³ôÀº Á¡¼ö¸¦ ȹµæÇÏ¿´À¸¸ç, ABIT, AOpen, ASUS, ECS, FoxconnÀº °í±ÞÇü ĵŸÀÔÀ» »ç¿ëÇÏÁö´Â ¾Ê¾ÒÁö¸¸, Çʸ§ÇüÀ¸·Î ÀÎÁ¤¹Þ°í ÀÖ´Â Á¦Á¶»çµéÀÇ Ä³ÆÐ½ÃÅ͵éÀ» È¥¿ëÇÏ¿© »ç¿ëÇϰí ÀÖ¾î ´ÙÀ½À¸·Î ³ôÀº Á¡¼ö¸¦ ȹµæÇÏ¿´´Ù.

 

Á¦Ç°¸í

Àü¿øºÎ Á¤¸®

ÆòÁ¡

ABIT AL8-V ºòºö

- 4Phase
- ÀԷºΠ: Çʸ§Çü 16V 1200uF Rubycon ZL 4°³ + ¼öÁ÷Çü ÃÝÅ©ÄÚÀÏ
- Ãâ·ÂºÎ : Çʸ§Çü 6.3V 2200uF Rubycon MBZ 4°³+ ĵŸÀÔ 2.5V 820uF 4°³ + ¹Ú½ºÇü ÄÚÀÏ 4°³

4

AOpen i945Pa-PLF

- 4Phase
- ÀԷºΠ: Çʸ§Çü 16V 1800uF Rubucon MBZ 4°³ + ¼öÁ÷Çü ÃÝÅ©ÄÚÀÏ 4°³
- Ãâ·ÂºÎ : ÄµÅ¸ÀÔ 2.5V 560uF x 11°³ + ÃÝÅ©ÄÚÀÏ 4°³

4

ASUS P5LD2 STCOM

- 3Phase
- ÀԷºΠ: Çʸ§Çü 16V 1000uF ÀϺ» ÄɹÌÄÜ KZG 4°³ + ¼öÁ÷Çü ÃÝÅ©ÄÚÀÏ
- Ãâ·ÂºÎ : Çʸ§Çü 6.3V 1500uF ÀϺ» ÄɹÌÄÜ KZG 5°³ + Çʸ§Çü ÀϺ» ¸¶Ã÷½Ã´Ù Àü±â»ê¾÷ 4V 680uF 7°³ + ÃÝÅ©ÄÚÀÏ 3°³

4

ECS 945P-A

- 4Phase
- ÀԷºΠ: 16V 1800uF ÀϺ» ¸¶Ã÷½Ã´ÙÀü±â»ê¾÷ 4°³ + ¼öÁ÷Çü ÃÝÅ©ÄÚÀÏ 4°³
- Ãâ·ÂºÎ : 6.3V 1600uF ÀϺ» ÄÉÀÌÄÜ KZJ 7°³ + ÃÝÅ©ÄÚÀÏ 4°³

4

Foxconn Racing 945P ºòºö

- 4Phase
- ÀԷºΠ: Çʸ§Çü 16V 1800uF Rubycon MBZ 4°³ + ¼öÁ÷Çü ÃÝÅ©ÄÚÀÏ
- Ãâ·ÂºÎ : Çʸ§Çü 6.3V 3300uF ÀϺ» ÄɹÌÄÜ KZJ 7°³ + ¹Ú½ºÇü ÄÚÀÏ 4°³

4

GIGABYTE GA-8I945P-G

- 3Phase
- ÀԷºΠ: Çʸ§Çü nichicon 16V 1500uF 4°³ + ÃÝÅ©ÄÚÀÏ
-Ãâ·ÂºÎ : Çʸ§Çü nichicon 6.3V 3300uF 2°³ + Sanyo OS-CON SPEC ĵŸÀÔ 4V 560uF 5°³ + ¹Ú½ºÇü ÄÚÀÏ 4°³

5

MSI 945P Neo-F

- 5Phase
- ÀԷºΠ: Çʸ§Çü 16V 1800uF ÀϺ» ÄɹÌÄÜ KZG 4°³ + ÃÝÅ©ÄÚÀÏ
- Ãâ·ÂºÎ : Sanyo OS-CON SPEC ĵŸÀÔ 4V 650uF 9°³ + ¹Ú½ºÇü ÄÚÀÏ 5°³

5

 

 

ÀÌÀüÆäÀÌÁö | ´ÙÀ½ÆäÀÌÁö.Ĩ¼Â Ä𸵠¹æ½Ä ºñ±³
°ü·Ã ±â»ç º¸±â

  ±Ç°æ¿í îñ ±âÀÚ / ÇÊ¸í ¹ÙÀÌÆÛÅõ / ¹ÙÀÌÆÛÅõ´Ô¿¡°Ô ¹®ÀÇÇϱâ press@bodnara.co.kr
³²µéÀº ½º¸¶Æ®ÆùÀ̳ª Ÿºí·¿ PC¿¡ °ü½ÉÀ» °®°í ÀÖÁö¸¸, ¿©ÀüÈ÷ PC°¡ ÁÁ´Ù. »õ·Î¿î °Í, µ¶Æ¯ÇÑ °ÍÀ» ÁÁ¾ÆÇÏÁö¸¸, ³²¾Õ¿¡ ³ª¼­°Å³ª »çÁøÂïÈ÷´Â °ÍÀ» ½È¾îÇØ ±âÀÚ¿¡´Â Á¦ÀÏ ¾î¿ï¸®Áö ¾Ê´Â ¼º°Ý. ´©±¸º¸´Ù ºü¸£°Ô PC Çϵå¿þ¾î Á¤º¸¸¦ Àü´ÞÇϱâ À§ÇØ ³ë·ÂÇϰí ÀÖÀ¸¸ç, PC Çϵå¿þ¾î¿¡ ´ëÇÑ ¿­Á¤Àº ÇöÀçÁøÇàÇüÀÌ´Ù.
±âÀÚ°¡ ¾´ ´Ù¸¥ ±â»ç º¸±â

Creative Commons License º¸µå³ª¶óÀÇ ±â»ç´Â ÀúÀÛÀÚÇ¥½Ã-ºñ¿µ¸®-º¯°æ±ÝÁö 2.0 ´ëÇѹα¹ ¶óÀ̼±½º¿¡ µû¶ó ÀÌ¿ëÇÒ ¼ö ÀÖ½À´Ï´Ù. Copyright ¨Ï ³Ø½ºÁ¨¸®¼­Ä¡(ÁÖ) º¸µå³ª¶ó ¹Ìµð¾î±¹
½ÎÀÌ¿ùµå °ø°¨ ±â»ç¸µÅ© ÆÛ°¡±â ±â»ç³»¿ë ÆÛ°¡±â ÀÌ ±â»ç¸¦ ÇϳªÀÇ ÆäÀÌÁö·Î ¹­¾î º¼ ¼ö ÀÖ½À´Ï´Ù. Ãâ·Âµµ °¡´ÉÇÕ´Ï´Ù.
ȨÀ¸·Î žÀ¸·Î
º¸µå³ª¶ó ¸¹À̺» ±â»ç
¿£ºñµð¾Æ ÁöÆ÷½º °ÔÀÓ ·¹µð µå¶óÀ̹ö 595.97 ¹öÀü ¹èÆ÷
»ï¼º, °¶·°½Ã S26 ½Ã¸®Áî¿¡ ¾ÖÇà ¿¡¾îµå·Ó ȣȯ Äü½¦¾î ±â´É Ãß°¡
¼±ÀͽýºÅÛ, Micro OLED ÁõÂøÀåºñ Ãß°¡ ¼öÁÖ.. OLEDoS ÅõÀÚ È®´ë º»°ÝÈ­
SL³ëÆ®, IT±â±â ¡®¹æ¹® ¸ÅÀÔ-µ¥ÀÌÅÍ »èÁ¦¡¯ ¿ø½ºÅé ¼­ºñ½º ÁøÇà
ÀÎÅÚ ¸ÞÀνºÆ®¸² CPUÀÇ ¿ÕÀ§ °è½Â, ÄÚ¾î ¿ïÆ®¶ó 7 270K Plus
M5 ½Ã¸®Áî·Î ¾÷±×·¹À̵å, ¾ÖÇà ½ÅÇü ¸ÆºÏ°ú ½ºÆ©µð¿À µð½ºÇ÷¹ÀÌ ½Ã¸®Áî ¹ßÇ¥
2¿ù DDR5 ¸Þ¸ð¸® °íÁ¡´ëºñ 30% Ç϶ô, ¾ÈÁ¤È­ÀÇ ½ÅȣźÀΰ¡ Àá±ñÀÇ Á¶Á¤Àΰ¡? [¸Þ¸ð¸® °¡°Ý Æøµî 6ºÎ]
°øÆ÷¿Í ¾×¼ÇÀÇ ÀûÀýÇÑ ¿Ï±ÞÁ¶Àý, ¹ÙÀÌ¿ÀÇÏÀÚµå ·¹Äû¿¥
   ÀÌ ±â»çÀÇ ÀÇ°ß º¸±â
Æ®À§ÅÍ º£Å¸¼­ºñ½º °³½Ã! ÃֽŠPC/IT ¼Ò½ÄÀ» Æ®À§Å͸¦ ÅëÇØ È®ÀÎÇϼ¼¿ä @bodnara

±âÀÚÀÇ ½Ã°¢ÀÌ Ç×»ó ¿ÇÀº°ÍÀº ¾Æ´Õ´Ï´Ù. ³ª¸ÓÁö´Â ¿©·¯ºÐµéÀÌ Ã¤¿ö Áֽʽÿä.

2014³âºÎÅÍ ¾î·Á¿î À̾߱⸦ ½±°Ô ÇÏ´Â °ÍÀ¸·Î ÆíÁý¹æÄ§À» ¹Ù²ß´Ï´Ù.

ÀÌöÁø (dbalsskdrns) / 05-08-29 14:04/ ÀÚ±¹/ ½Å°í/ ÀÌ´ñ±Û¿¡´ñ±Û´Þ±â
¸®ºä Àß ºÃ½À´Ï´Ù.
6. »ç¿ë Ĩ¼Â ºñ±³¿¡¼­ ¸¶Áö¸· µµÇ¥¿¡ ÆòÁ¡ÀÌ ºüÁø Ç׸ñµéÀÌ Àֳ׿ä
±âÇà/ 05-08-29 16:39/ ÀÚ±¹/ ½Å°í/ ÀÌ´ñ±Û¿¡´ñ±Û´Þ±â
½Å¼ÓÇÑ º¥Ä¡¸¶Å©.-_-b
¼ö°íÇϼ̽À´Ï´Ù.
mmz / 05-08-29 17:10/ ÀÚ±¹/ ½Å°í/ ÀÌ´ñ±Û¿¡´ñ±Û´Þ±â
°í»ýÇϼ̽À´Ï´Ù. ¿îÀÌ ¾ø´Â°ÇÁö MSIº¸µå¸¸ »ç¸é 1³âÈÄ¿¡ ijÇǽÃÅÍ ³ª°¡´Â°Ô ¸¹¾Æ¼­ MSI´Â Á» ²¨¸®°Ô µÇ´Â.. 754 Á¦Ç° ¸¸µé¾î ÁÙ¶§ ¸î°³ ¾²±â´Â ÇßÁö¸¸ Á¦°¡ ¾²¸é ¾î±è ¾øÀÌ ¹èºÎ¸¥ Äܵ§¼­..^^
ÀÎÅÚÀÌ¾ß ÇÃÄÆ Áö±â Àü¿¡´Â ±¸ÀÔ°èȹÀÌ ¾øÁö¸¸ ÀߺýÀ´Ï´Ù. °Ç°­Çϼ¼¿ä..^^

Ƽ²ø¸ð¾ÆÆ¼²ø (pg1313) pg1313´ÔÀÇ ¹Ìµð¾î·Î±× °¡±â  / 05-08-29 17:36/ ÀÚ±¹/ ½Å°í/ ÀÌ´ñ±Û¿¡´ñ±Û´Þ±â
MSI 945P Neo-F ̵̧..
Àúµµ ½Ç±¸¸Å´Â ¾Æ´ÏÁö¸¸, ´«µµÀå ÁßÀ̶ó..
¸¶´­´ÔÀÇ ÇϸíÀÌ ¶³¾îÁö¸é, ±¸¸ÅÇÏ°í ½ÍÀºµ¥..¤Ì_¤Ì

È®, PSP¸¦ ÆÈ±î³ª?
Äí¿õ / 05-08-29 17:53/ ÀÚ±¹/ ½Å°í/ ÀÌ´ñ±Û¿¡´ñ±Û´Þ±â
Àߺ¸°í °©´Ï´Ù ^^) ¼ö°í ¸¹À¸¼Ì½À´Ï´Ù.
±èÁöÇü (jihyunga) / 05-08-29 18:23/ ÀÚ±¹/ ½Å°í/ ÀÌ´ñ±Û¿¡´ñ±Û´Þ±â
À½.. ÆòÁ¡°ú ¼øÀ§°¡ ¹Ù²ï°Ô ¾Æ´Ï±î¿ä?
Èì / 05-08-29 19:42/ ÀÚ±¹/ ½Å°í/ ÀÌ´ñ±Û¿¡´ñ±Û´Þ±â
¿¡ÀÌ¿ÀÇÂÀº µðÀÚÀθ¸ ÁÁÁö ¾ÈÁ¤¼º¸é¿¡¼± ºÒ¾ÈÇÏ´õ±º¿ä. ¸îÀå ¸ø¸¸Á®ºÁ¼­ ÀϹÝÈ­½ÃŰ±ä ¾î·ÆÁö¸¸ ¸¸Áø º¸µå ¸ðµÎ Àü¾Ð°ü·ÃºÎºÐÀÌ ºÒ¾ÈÇØ¼­ ÀÌÁ¨ ¾²°í ½ÍÁö ¾ÊÀ» Á¤µµÀÌ´Ï...
¤·¤· / 05-08-29 21:14/ ÀÚ±¹/ ½Å°í/ ÀÌ´ñ±Û¿¡´ñ±Û´Þ±â
AOpen º¸µåµéÀº ¿¹Àü Ææ3½ÃÀý P3B-F¿Í ÇÔ²² ¾ç´ë ¸íǰÀ̶ó ÇÒ ¸¸ÇÑ AX6BC Pro II ÀÌÈÄ Á¦´ë·Î µÈ º¸µå°¡ ³ª¿ÀÁú ¾Ê°í ÀÖ½À´Ï´Ù. ƯÈ÷ KT133½ÃÀý º¸µåµéÀÌ Á¤¸» ¾û¸ÁÀ̾úÁÒ. ±× ÀÌÈķδ AOpenÀº ¾²Áú ¾Ê½À´Ï´Ù¸¸ À̹ø Å×½ºÆ®ÇÑ º¸µåµµ º°·Î ¸Å·ÂÀûÀÌÁø ¾Ê±º¿ä.
¹ßÀº»ýȰ / 05-08-29 21:19/ ÀÚ±¹/ ½Å°í/ ÀÌ´ñ±Û¿¡´ñ±Û´Þ±â
ÀÎÅÚ ÇÔ¾²°í ½Í´Ù¤»¤»;±Ùµ¥ º¸µå°¡°ÝÀÌ ÂÁamd´Â ¾¾Ç»°¡°Ý ~_~::
Ngisikullu / 05-08-30 5:42/ ÀÚ±¹/ ½Å°í/ ÀÌ´ñ±Û¿¡´ñ±Û´Þ±â
¸ÞÀκ¸µå Àü¿øºÎ °ü·ÃÀ» º¸´øÁß ¿ÀŸ°¡ Çϳª Àֳ׿ä.

3. Àü¿øºÎ ºñ±³ ¿¡¼­ ASUS P5LD2 STCOM ¸ÞÀκ¸µåÁß

"ASUS P5DL2´Â 3PhaseÀÇ Àü¿øºÎ·Î ±¸¼ºµÈ´Ù. Äð·¯ ¼³Ä¡¸¦ À§ÇØ ´¯ÇôÁø ÃÝÅ© ÄÚÀÏÀ» »ç¿äÇÏ¿´À¸¸ç, Phase ´ç 4°³ÀÇ ¸ð½ºÆêÀ» Àû¿ëÇϰí ÀÖ´Ù." ¿¡¼­

»ç"¿ä"ÇÏ¿´À¸¸ç,

ÀÌ¿ä...

°ñµåºÎ¾û (wowl95) / 05-08-30 6:54/ ÀÚ±¹/ ½Å°í/ ÀÌ´ñ±Û¿¡´ñ±Û´Þ±â
¼ö°í Çϼ̳׿ä,...
A/S¿¡ ´ëÇÑ ºÎºÐÀº ±¸ÀÔÈÄ 2³âÀÌ»óÀÌ µÇ¸é À¯¸®ÇÑ Á¡ÀÌ ÀÖ°ÚÁö¿ä.. ´Ü ²À ±× Á¦Ç°ÀÌ ´Ù¸¥Ä¨¼Â ȤÀº Á¾·ùÁ¦Ç°À¸·Î ±³È¯ÀÌ ¾Æ´Ñ °°Àº ¸ðµ¨Á¦Ç°À¸·Î A/S°¡ µÈ´Ù´Â ÀüÁ¦·Î¿ä..

DualMoon (dualmoon) / 05-08-30 17:11/ ÀÚ±¹/ ½Å°í/ ÀÌ´ñ±Û¿¡´ñ±Û´Þ±â
AS¶ó....3³â±îÁö ÇÊ¿äÇÒÁö´Â...^^;
À̺¸¶÷ (koombaya) / 05-08-30 17:36/ ÀÚ±¹/ ½Å°í/ ÀÌ´ñ±Û¿¡´ñ±Û´Þ±â
º¸Áõ±â°£ 3³âÀÇ ÀåÁ¡Àº Áß°í·Î ÀçÆÇ¸ÅÇÒ¶§ ÁÁ´Ù´Â °Í.
¿À¿À~ / 05-08-30 20:26/ ÀÚ±¹/ ½Å°í/ ÀÌ´ñ±Û¿¡´ñ±Û´Þ±â
¿À¿À~
ÁÁÀº±Û Àߺ¸°í °©´Ï´Ù^^;;
Áñ°Å¿î ÇÏ·ç µÇ¼¼¿ä~
¼±·®ÇѽùΠ/ 05-08-30 21:25/ ÀÚ±¹/ ½Å°í/ ÀÌ´ñ±Û¿¡´ñ±Û´Þ±â
Á¦°¡ ¿øÇß´ø ¸®ºä¸¦ º¼¼ö ÀÖ°Ô ÇØÁּż­ °¨»çÇÕ´Ï´Ù
À̹ø¿¡ »õÄÄÀ» »ÌÀ»·Á°í Çϴµ¥.... ÁÁÀº Á¤º¸°¡ µÇ¾ú½À´Ï´Ù!!!!!!!!
Àúµµ MSI 945P Neo-F ¸¦ »ý°¢Çϰí ÀÖ¾ú´Âµ¥.....
P - ATA ½½·ÔÀÌ ºÎÁ·Çؼ­ GIGABYTE GA-8I945P-G °¡ Á¶±Ý ²ø¸®´Â ±º¿ä...
±Â~ / 05-08-31 21:13/ ÀÚ±¹/ ½Å°í/ ÀÌ´ñ±Û¿¡´ñ±Û´Þ±â
¸®ºä Àß º¸°í °©´Ï´Ù.

AMD¼ÒÄÏ 939 ¸ÞÀκ¸µåµéµµ º¥Ä¡Á» ÇØÁÖ¼ÌÀ¸¸é ÇÕ´Ï´Ù.
Á¦Ç° ¶óÀεµ ´Ù¾çÇÏ°í ½½½½ º¥Ä¡°¡ ³ª¿Í¾ß ÇÏÁö ¾Ê³ª¿ä?

±×·³ ÁÁÀº ÇÏ·çµé º¸³»½Ã±¸¿ä~
±â°¡ÆÒ / 05-08-31 23:44/ ÀÚ±¹/ ½Å°í/ ÀÌ´ñ±Û¿¡´ñ±Û´Þ±â
±â°¡¹ÙÀÌÆ® ÆÒÀ¸·Î½á...
À̹ø 945P°¡ ¿À¹ö ¿É¼ÇÀÌ ¶³¾îÁø´Ù´Â ¸»Àº µ¿ÀǸøÇÔ.
´Ù¸¥ º¸µåµéº¸´Ù ÈξÀ ¸¹Àº ¿É¼ÇÀ» Áö¿øÇÔ...
¶Ç MSI Á¦Ç°ÀÇ °æ¿ì Ãß°¡ IDE-RAIDÆ÷Æ®°¡ ¾ø°í ¶§¹®¿¡,
ASUS³ª ±â°¡¹ÙÀÌÆ®º¸´Ù ºñ½Ñ °Ì´Ï´Ù. Á¡¼ö ¸Å±â´Â°Ô Á» À߸øµÇ¾ú½À´Ï´Ù. Ãß°¡ IDE Æ÷Æ®ÀÇ À¯¹«´Â ÀϹÝIDE ¾²½Ã´Â ºÐµéÀÇ ¾÷±×·¹À̵å½Ã »ó´çÇÑ ´ÜÁ¡ÀÌ µË´Ï´Ù.
¹Ú±â¿ø (cubano) / 05-09-01 3:12/ ÀÚ±¹/ ½Å°í/ ÀÌ´ñ±Û¿¡´ñ±Û´Þ±â
°¡°ÝÀ¸·Î ¸·ÆÇµÚÁý±â¶ó...
³¥³¥... °á±¹ MSI ÆÇÃË¿ë ±ÛÀ̱º¿ë.

±Ùµ¥ ICH7 Çϰí 7R ÀÇ Â÷ÀÌ¿¡ ´ëÇØ ´Ü¼øÈ÷
RAID ±â´ÉÀÇ À¯¹« Á¤µµ·Î ¾Ë°í ÀÖ´Â Ãʺ¸ºÐµé¿¡°Ô
ÇѰ¡Áö ÆÁÀ» µå¸®ÀÚ¸é,

ICH7R ó·³ R·Î ³¡³ª´Â Ĩ¼ÂÀº RAID ±â´É »Ó ¾Æ´Ï¶ó
AHCI(Advanced Host Controller Interface)
±â´ÉÀ» Áö¿øÇÕ´Ï´Ù. (NCQ µîÀÇ ±â¼úÀ» »ç¿ë°¡´É)

¿äÁò ¸¹ÀÌ ¾²´Â SATA µå¶óÀ̺ê Áß¿¡
NCQ(Native Command Queuing)À» Áö¿øÇÏ´Â ¸ðµ¨·Î
±× ±â´ÉÀ» Ȱ¼ºÈ­ ½Ã۸é ÀÛ°Ô´Â 20%¿¡¼­ 40%¿¡ À̸£´Â
¼º´É Çâ»ó È¿°ú¸¦ ¾òÀ» ¼ö ÀÖ½À´Ï´Ù.

°ú¿¬ 1, 2 ¸¸¿ø ¾Æ³¥·Á°í ±× ±â´É Æ÷±âÇÏ´Â °ÍÀÌ
µµÀúÈ÷ ÀÌÇØ°¡ ¾È°¡´Âµ¥... ¤»
¹¹ ¾ÆÁ÷µµ SATA ÀüÇô »ç¿ë¾ÈÇÏ´Â ºÐµéÀ̶ó¸é
¸ð¸£°Ú½À´Ï´Ù¸¸Àº..

¤» ¾Ïư ¼º´É¿¡ ´ëÇÑ °ÍÀº ´Ü ÇѸ¶µðµµ ¾ø´Â
ƯÀÌÇÑ º¥Ä¡¸¶Å·ÀÌ³×¿ë ¤»¤»
Àü¿øºÎÀÇ ±× ¾î·Á¿î ȸ·Î ¼³°èµµ´Â
¹½ ¶« ½Ã º¸¿©Á̴ּÂÁöµµ ±Ã±ÝÇÏ³×¿ë ¤»¤»

ÄÉÀÎÁî (wineagle) / 05-09-01 20:21/ ÀÚ±¹/ ½Å°í/ ÀÌ´ñ±Û¿¡´ñ±Û´Þ±â
±Ã±ÝÇß´ø ³»¿ëµéÀε¥ ¹ßºü¸£°Ô º¥Ä¡¸¦ ÇØÁּ̳׿ä. ÀߺýÀ´Ï´Ù.

´Þ·Á¶ó´ÞÆØ¾Æ (ronaya) ronaya´ÔÀÇ ¹Ìµð¾î·Î±× °¡±â  / 05-09-01 23:10/ ÀÚ±¹/ ½Å°í/ ÀÌ´ñ±Û¿¡´ñ±Û´Þ±â
A/S 3³â ÇÊ¿äÇÏÁÒ...
2³â 10°³¿ù Á¤µµ ¾²´Ù°¡ º¸µå °íÀå³µ´Âµ¥
°°Àº Á¦Ç°Àº ¾ø°í, A/s´Â ¿À·¡°É¸®°í
±×·¡¼­, ºñ½ÁÇÑ Á¦Ç°À¸·Î ±³È¯ ¹ÞÀº °æÇèÀÌ À־...

À̺οµ (owleve) / 05-09-02 8:55/ ÀÚ±¹/ ½Å°í/ ÀÌ´ñ±Û¿¡´ñ±Û´Þ±â
¸®ºä Àß º¾´Ï´Ù.. Èì..

³»Å°Áö ¾Ê´Â °Íµµ ÀÖÁö¸¸..
Á¤µæÀÏ (kuo2000) / 05-09-02 11:09/ ÀÚ±¹/ ½Å°í/ ÀÌ´ñ±Û¿¡´ñ±Û´Þ±â
Àß ºÃ½À´Ï´Ù. ^^
»ç¶÷¸¶´Ù º¸´Â °üÁ¡ÀÌ ´Ù¸£´Ï Àü ±×³É ±×·¸±¸³ª ¶ó°í »ý°¢ÇÕ´Ï´Ù.

Àü ASUSÁ¦Ç°À» ¼±Åà ÇÒ °Í °°½À´Ï´Ù.
S-ATA RAID ±â´ÉÀ» ÀÌ¿ëÇϱ⠶§¹®¿¡ ±×·¸½À´Ï´Ù.
Àü 865PE Á¦Ç°À» ±¸ÀÔÇÏ´õ¶óµµ ICH5R¸¸ °íÁýÀ» Çß¾ú½À´Ï´Ù.
±×·¡¼­ ASUS P4P800, ABIT AS8À» ±¸ÀÔÇß°í¿ä.

±×¸®°í ICH7RÀº ·¹ÀÌµå ·¹º§ 5µµ Áö¿øÇÑ´ÙÁÒ?
º¸Åë ·¹º§0À» »ç¿ëÇÒ°Ì´Ï´Ù.
±×·¯³ª Áý¿¡¼­ °³ÀÎ¿ë ¼­¹ö·Î »ç¿ëÇÏ´Â »ç¶÷µéÀº ·¹º§ 5µµ »ý°¢ÇØ º¼ ¼ö ÀÖ°ÚÁÒ. ^^

±×¸®°í ·¹º§ 5¸¦ Áö¿øÇÏ´Â S-ATA 4Æ÷Æ® ÄÁÆ®·Ñ·¯ÀÇ °¡°ÝÀ» »ý°¢Çϸé 945P + ICH7R º¸µå°¡ Àú·ÅÇÏ´Ù°í º¼ ¼ö ÀÖ½À´Ï´Ù.

±×·±µ¥ ¾Æ½¬¿î°ÍÀº S-ATA2 Æ÷Æ®°¡ 4°³ ¹Û¿¡ ¾ø´Ù´Â »ç½ÇÀÔ´Ï´Ù.
Àü S-ATA2 Æ÷Æ®°¡ 10°³ Á¤µµ ÀÖÀ¸¸é ÁÁ°Ú½À´Ï´Ù. ^^
korviet3 (ID) / 05-09-02 12:10/ ÀÚ±¹/ ½Å°í/ ÀÌ´ñ±Û¿¡´ñ±Û´Þ±â
Àß º¸°í °©´Ï´Ù.
ÁÁÀº Á¤º¸ °¨»çÇÕ´Ï´Ù.

¹ÚÈñµ¿ (dully2) / 05-09-02 13:10/ ÀÚ±¹/ ½Å°í/ ÀÌ´ñ±Û¿¡´ñ±Û´Þ±â
¿ª½Ã³ª ¾ÆÁ÷±îÁø 945´Â °¡°ÝÀ¸·Î ½ÂºÎ ÇÒ¶§°¡ ¾Æ´Ñ°¡ ÇÏ´Â »ý°¢ÀÌ..
½ÃÀå ÁøÀÔÀÌ ¾à°£ ´ÊÀº µíÇÑ ´À³¦.

Á¤¿ì (jungwoo1122) / 05-09-02 14:05/ ÀÚ±¹/ ½Å°í/ ÀÌ´ñ±Û¿¡´ñ±Û´Þ±â
¸®ºä Àߺþî¿ä..¼ö°íÇϼ̳׿ä.

±èµµÁØ (zegkim) / 05-09-02 22:26/ ÀÚ±¹/ ½Å°í/ ÀÌ´ñ±Û¿¡´ñ±Û´Þ±â
ASUS³ª ±â°¡¹ÙÀÌÆ®µµ ÃæºÐÈ÷ ÁÁ¾Æ º¸À̴µ¥ ¿ª½Ã °¡°ÝÀ¸·Î MSI°¡ ¿À¸£´Â±º¿ä.
¢Àô¶×ìäÑ¢À (tusik) / 05-09-02 22:29/ ÀÚ±¹/ ½Å°í/ ÀÌ´ñ±Û¿¡´ñ±Û´Þ±â
º¸±â ÁÁ°Ô ÇѰ÷¿¡ ¸ð¾Æ¼­ º¸¿©ÁÖ´Ï...ºñ±³µµ µÇ°í...ÁÁÀº ±â»ç±º¿©...

¹«´Ï (moone81) / 05-09-03 0:32/ ÀÚ±¹/ ½Å°í/ ÀÌ´ñ±Û¿¡´ñ±Û´Þ±â
¿ª½Ã...MSI±º¿ä.
°¡°ÝÀÌ¸é °¡°Ý ¼º´ÉÀÌ¸é ¼º´É...-_-;
À¢¸¸ÇÑ ¾î¿öµå´Â ±âº»À¸·Î ¾µ¾îÁÖ´Â Æ÷½º;
SoftGuy^^ (1004image) / 05-09-03 0:55/ ÀÚ±¹/ ½Å°í/ ÀÌ´ñ±Û¿¡´ñ±Û´Þ±â
¸ÞÀκ¸µå¶õ Á¦Ç°ÀÌ ÇÏ·çÀÌÆ² »ç¿ëÇÒ Á¦Ç°ÀÌ ¾Æ´Ñ¸¸Å­ A/S±â°£µµ ¸Å¿ì Áß¿äÇÏ´Ù°í »ý°¢ÇÕ´Ï´Ù.
¹°·Ð A/S±â°£ Áö³¯¸¸Å­ »ç¿ëÇϸé ÀÌ¹Ì ±¸Çüº¸µå°¡ µÇ¾î¹ö¸®´Â Çö½ÇÀÌÁö¸¸ 3³âÁ¤µµ º¸ÀåÇØÁØ´Ù¸é ¾È½ÉÇÏ°í »ç¿ëÇÒ ¼ö ÀÖÁö¾Ê°Ú½À´Ï±î..

Ç㼺ȣ (honet) / 05-09-03 11:42/ ÀÚ±¹/ ½Å°í/ ÀÌ´ñ±Û¿¡´ñ±Û´Þ±â
Àß ºÃ½À´Ï´Ù. ^^
AMD¸¦ ¾²°í ÀÖÁö¸¸ »ç½Ç ÀÎÅÚ·Î ¿Å°ÜÅ»±î¶õ »ý°¢µµ ÇØº¸°í Àְŵç¿ä.
¸¹Àº µ¼ÀÌ µÆ½À´Ï´Ù.
ÀÌÈñ¿ø (heewon0117) / 05-09-03 13:41/ ÀÚ±¹/ ½Å°í/ ÀÌ´ñ±Û¿¡´ñ±Û´Þ±â
¿ª½Ã ¸®ºäÇÏ¸é º¸µå³ª¶óÀ̱º¿ä..
¾öû³­ ÀÚ·á¿¡ ºÐ¼®±îÁö Á¤¸»...ÁÁ±º¿ä..
¼ö°í Çϼ̽À´Ï´Ù.

°õ°ú³ª (acasiawind) / 05-09-03 18:26/ ÀÚ±¹/ ½Å°í/ ÀÌ´ñ±Û¿¡´ñ±Û´Þ±â
ÀßÀоú½À´Ï´Ù. ¼ö°íÇϼ̾î¿è

soohan (soohan) soohan´ÔÀÇ ¹Ìµð¾î·Î±× °¡±â  / 05-09-04 8:20/ ÀÚ±¹/ ½Å°í/ ÀÌ´ñ±Û¿¡´ñ±Û´Þ±â
ÁÁÀº Á¦Ç°ÀÌ ÀÌ·¸°Ô ¸¹ÀÌ ³ª¿À¸é »ç¿ëÀÚ·Î½á ¼±ÅÃÇϱâ Èûµçµ¥... ÃѾ˵µ ¸ðÀÚ¶ó°í.... ±×¸®°í °áÁ¤ÀûÀΰÍÀº ÀÎÅÚº¸´Ù´Â AMD CPU°¡ ÁÁ´Ù´Â...

ÀüÁø¸Ç (jenjinman) jenjinman´ÔÀÇ ¹Ìµð¾î·Î±× °¡±â  / 05-09-04 10:19/ ÀÚ±¹/ ½Å°í/ ÀÌ´ñ±Û¿¡´ñ±Û´Þ±â
¸®ºä Àß ºÃ½À´Ï´Ù...Á¤¸» À¯ÀÍÇÑ ³»¿ëÀ̾ú³×¿ä.
½ÇÁ¦ ÇÑÀÚ¸®¿¡¼­ ºñ±³ ºÐ¼®Çؼ­ ¼±ÅÃÇϴµ¥ ¸¹À» µµ¿òÀÌ µÉ°Í °°³×¿ä.
Á¶°æ¹Î (xtom69) / 05-09-04 21:12/ ÀÚ±¹/ ½Å°í/ ÀÌ´ñ±Û¿¡´ñ±Û´Þ±â
MSI ¿äÁò¿¡ Àß ³ª°¡³×¿ä.
ÀÌÃæÈñ (arsene) / 05-09-05 16:10/ ÀÚ±¹/ ½Å°í/ ÀÌ´ñ±Û¿¡´ñ±Û´Þ±â
±×·¡µµ ¾ÆÁ÷ µà¾óÄÚ¾î´Â ½Ã±â»óÁ¶ÀÎ µí ½Í½À´Ï´Ù.

°øºÎÇÏÀÚ (milkblue) milkblue´ÔÀÇ ¹Ìµð¾î·Î±× °¡±â  / 05-09-05 20:05/ ÀÚ±¹/ ½Å°í/ ÀÌ´ñ±Û¿¡´ñ±Û´Þ±â
µà¾óÁö¿øº¸´Ù.. ´Ù¸¥ °Íµé¿¡ Àǹ̸¦ µÎ´Â °ÍÀÌ ¾ÆÁ÷Àº ¸ÂÁö ¾ÊÀ»Áö...

¿¬µÎÁ¤¿ø (zwood) zwood´ÔÀÇ ¹Ìµð¾î·Î±× °¡±â  / 05-09-05 20:33/ ÀÚ±¹/ ½Å°í/ ÀÌ´ñ±Û¿¡´ñ±Û´Þ±â
MSI¸¦ Áñ°Ü»ç¿ëÇØ¿Ô´Âµ¥, ¿ª½Ã ¼±ÅÃÀÌ Æ²¸®Áö ¾Ê¾Ò´Ù´Â ´À³¦ÀÌ µå´Â±º¿ä.
±¹µ¿Çö (kdhmmm) / 05-09-05 22:09/ ÀÚ±¹/ ½Å°í/ ÀÌ´ñ±Û¿¡´ñ±Û´Þ±â
µà¾óÄÚ¾î ½áº¸°í ½ÍÀºµ¥
³î°íÀÖ´Â 915º¸µå ¶§¹®¿¡...
À±¿ë¼· (astys) / 05-09-05 22:28/ ÀÚ±¹/ ½Å°í/ ÀÌ´ñ±Û¿¡´ñ±Û´Þ±â
µà¾óÀ̶ó.....¾Æ.....
ÀßÀоú½À´Ï´Ù.

¾Õ¸¶´çÈ®Àå (hy0415) / 05-09-06 0:09/ ÀÚ±¹/ ½Å°í/ ÀÌ´ñ±Û¿¡´ñ±Û´Þ±â
¿ª½Ã Àú·ÅÇϸ鼭 ¶Ù¾î³­ ¼º´ÉÀ» º¸ÀÌ´Â MSI°¡ ÃÖ°íÀεí...^^

Meho (ho5945) ho5945´ÔÀÇ ¹Ìµð¾î·Î±× °¡±â  / 05-09-06 0:49/ ÀÚ±¹/ ½Å°í/ ÀÌ´ñ±Û¿¡´ñ±Û´Þ±â
´Ù Àб⿣ ³Ê¹« ºÐ·®ÀÌ ¸¹Àº..¤Ñ¤Ñ; ¿ª½Ã ºñ±³ÇÒ¶§´Â ±× ȸ»çÀÇ »óǰÆòÀÌ ³ªÅ¸³ª±â ¶§¹®¿¡ ½É¸®Àû ¾Ð¹Ú°¨ÀÌ »ó´çÇÒµí^^

¹®¼ºµµ (skynamja) / 05-09-06 5:50/ ÀÚ±¹/ ½Å°í/ ÀÌ´ñ±Û¿¡´ñ±Û´Þ±â
MSI °¡°Ý´ë ¼º´Éºñ·Î´Â ¿ª½Ã ÃÖ°í~ ^^
ÇѰ÷¿¡ ¸ð¾Æ³õ°í Æò°¡¸¦ Àû¾î³õÀ¸´Ï Âü°íÇϱⰡ ÆíÇϳ׿ä!

´Þ·Á¶ó´ÞÆØ¾Æ (ronaya) ronaya´ÔÀÇ ¹Ìµð¾î·Î±× °¡±â  / 05-09-06 7:55/ ÀÚ±¹/ ½Å°í/ ÀÌ´ñ±Û¿¡´ñ±Û´Þ±â
MSI A/S°¡ ¹«»ó1³â À¯»ó2³â¿¡¼­ Á» ¹Ù²î¾ú½º¸é ÁÁ°Ú½À´Ï´Ù. ±×·³ °¡°Ýµµ Á¶±Ý ¿À¸£°ÚÁö¸¸...

Çê¶Ñ (suteki00) / 05-09-06 8:35/ ÀÚ±¹/ ½Å°í/ ÀÌ´ñ±Û¿¡´ñ±Û´Þ±â
À̹ø MSIº¸µå Á¤¸» ±¦Âú³×¿ä..
Áñ°Å¿î³¯ (rbear) rbear´ÔÀÇ ¹Ìµð¾î·Î±× °¡±â  / 05-09-06 11:52/ ÀÚ±¹/ ½Å°í/ ÀÌ´ñ±Û¿¡´ñ±Û´Þ±â
ASUS P5DL2 Deluxe¸¦ »ç¿ëÇÕ´Ï´Ù. ºñ½ÁÇÑ °¡°Ý´ë¿¡¼­ ¼±ÅÃÇϽŠ°Í °°Áö¸¸ º¸µå ÀÚü Ä𸵽ýºÅÛÀÌ ÀÖ´Â ¾Æ¼ö½º ¸ðµ¨¿¡ ´ëÇÑ ¼Ò°³°¡ Á¶±Ý ¾Æ½±³×¿ä. ±×¸®°í ¿À¹öŬ·°ÀÇ Æøº¸´Ù´Â ÀÌÈÄ ¾ÈÁ¤¼º¿¡ ´ëÇÑ ÀÚ·á°¡ Á¦½ÃµÇ¾úÀ¸¸é ´õ ÁÁ¾ÒÀ» °Í °°½À´Ï´Ù. Ç×»ó °¡°Ý´ëºñ¼º´ÉÀ̶ó´Â ¸íÁ¦¶ó´Â Â÷¿ø¿¡ ¸®ºäº¸´Ù´Â ¼º´É¿¡ ÁÖ¾ÈÁ¡À» µÐ ¸®ºä¶ó »ý°¢Çߴµ¥ °á·ÐÀÌ Á¶±Ý ¾Æ½±³×¿ä.

ÃÖÁ¤ÈÆ (notebe) / 05-09-06 12:49/ ÀÚ±¹/ ½Å°í/ ÀÌ´ñ±Û¿¡´ñ±Û´Þ±â
¿©À¯ ÀÖ´Ù¸é asusµµ ±¦ÂúÀ» °Í °°³×¿ä.
Àß Àоú½À´Ï´Ù.

¿ªº´Ã¢±È (¿ªº´Ã¢±È) ¿ªº´Ã¢±È´ÔÀÇ ¹Ìµð¾î·Î±× °¡±â  / 05-09-06 19:13/ ÀÚ±¹/ ½Å°í/ ÀÌ´ñ±Û¿¡´ñ±Û´Þ±â
º¥Ä¡¸¦ ¸î ¹ø ºÃÀ½¿¡µµ-_-
Asus ´Â ¾Æ¹«¸® ÁÁ´ÙÇØµµ ²ø¸®Áö ¾Ê´Â ÀÌÀ¯°¡ ¹«¾ùÀÎÁö-_-
ÁÁ±ä ÁÁÀºµ¥-_-;;

ÀÌÁö¹é°õ (plex82) / 05-09-06 20:07/ ÀÚ±¹/ ½Å°í/ ÀÌ´ñ±Û¿¡´ñ±Û´Þ±â
945º¸µå·Î °¡º¸°í ½ÍÁö¸¸...-_-ºñ½Î°Ô ÁÖ°í»ê 915°¡ À¢¼ö³×¿ä..Èæ..

±èÀçÀÀ (emaeull) emaeull´ÔÀÇ ¹Ìµð¾î·Î±× °¡±â  / 05-09-06 20:42/ ÀÚ±¹/ ½Å°í/ ÀÌ´ñ±Û¿¡´ñ±Û´Þ±â
MSIÁ¦Ç°ÀÌ °¡°Ý´ëºñ ±¦ÂúÀº°Í °°Àºµ¥¿ä

Ȳ±ÔÀÏ (smartstone) / 05-09-06 23:31/ ÀÚ±¹/ ½Å°í/ ÀÌ´ñ±Û¿¡´ñ±Û´Þ±â
MSI°¡ °¡Àå ²ø¸®³×¿ä... ´ãÀ¸·Î ABIT..
´Ù¸¥ º¸µåÀÇ °æ¿ì´Â PCI-EX½½·ÔÀÌ PCI½½·Ô°ú °¡±î¿Í PCI½½·ÔÇϳª´Â °ÅÀÇ ¸ø¾µ°É·Î º¸À̴µ¥....
ÀÓÀ±¼· (shampu) / 05-09-07 10:25/ ÀÚ±¹/ ½Å°í/ ÀÌ´ñ±Û¿¡´ñ±Û´Þ±â
a/s´Â Á¶±Ý 잛Àº ´À³¦ÀÌ ... ¿ä»õ´Â ¿ª½Ã ±â¼úÀ§ÁÖÀΰ¡¿ä
Á¤¿µ¸í (jym73) / 05-09-07 14:40/ ÀÚ±¹/ ½Å°í/ ÀÌ´ñ±Û¿¡´ñ±Û´Þ±â
º¥Ä¡ ¿À·£¸¸¿¡ ±¸°æÇÏ°í °©´Ï´Ù.. °¡°ÝÁ» ³»¸®¸é ÁÁ°Ú´Âµ¥..

»Ë»ÑÀλýÁñ (cym815) cym815´ÔÀÇ ¹Ìµð¾î·Î±× °¡±â  / 05-09-07 16:06/ ÀÚ±¹/ ½Å°í/ ÀÌ´ñ±Û¿¡´ñ±Û´Þ±â
MSI 945P Neo-F

ÀÌ Á¦Ç°ÀÌ °¡Àå ÁÁ¾Æº¸ÀÌ´Â°Ç ³ª¸¸ÀÇ »ý°¢Àϱî¿ä...

Á¤¸» ±¦Âú¾Æº¸À̳׿ä.
¹Ú±â¿ø (cubano) / 05-09-07 18:40/ ÀÚ±¹/ ½Å°í/ ÀÌ´ñ±Û¿¡´ñ±Û´Þ±â
¼ÒÀ§ 'ÄÄÇ»ÅÍ Àü¹® »çÀÌÆ®'¶ó´Â °÷ÀÌ

'Àü¹®¼º'°ú '°øÁ¤¼º'À» À¯ÁöÇØ¾ßÁö

ÀÌ·± ½ÄÀÇ ±â»ç´Â º¸µå³ª¶ó ½º½º·Î ´©¿ö¼­ @ ¹ñ´Â ÁþÀ¸·Î ¹Û¿¡ ¾Èº¸À̳׿ä~

ÀÌ·¡¼­ ¿äÁò ¾ð·ÐÀÌ »õ·Î¿î ÇüÅÂÀÇ Fascism À̶ó´Â ¸»ÀÌ ³ª¿À´Â°Å°ÚÁÒ..
¹Ú±â¿ø (cubano) / 05-09-07 18:41/ ÀÚ±¹/ ½Å°í/ ÀÌ´ñ±Û¿¡´ñ±Û´Þ±â

¸¸ ¿Àõ¿ø ¾Æ³¥·Á°í

- Intel Matrix Storage ±â¼úÀ̶û

- µÎ°³ÀÇ PATA ÄÁÆ®·Ñ·¯

- 3³â ¹«»ó A/S

±×¸®°í

¾÷°è ÁöÁ¸ ASUSÀÇ À̸§±îÁö..

ÀüºÎ Æ÷±âÇ϶ó°í?

¸¸ ¿Àõ¿ø ¾Æ³¥·Á°í??

³¥³¥...

¾îÀ̰¡ ¹ÌÄ£µíÀÌ »ç¶óÁö³×¿ë.

´Ù¸¥ °Å ´Ù Á¦Ãĵΰí

Á¦ Á¤½ÅÀ̶ó¸é

ICH7R ĨÀÇ ±â´É Áß¿¡

NCQ ±â´É Çϳª ¶§¹®¸¸À¸·Îµµ

ICH7R Ĩ »ç¿ëÇÑ ¾Æ¼ö½º »ç°Ú´Ù.

µµ´ëü ¼º´É¿¡ ´ëÇÑ ¾ð±Þ ´Ü ÇѸ¶µð ¾ø´Â ±â»ç°¡

'º¥Ä¡¸¶Å·'À̶ó´Â Á¦¸ñÀ» ´Þ°í ³ª¿Â´Ù´Â °Ô ¾îÀÌ ¾ø³×¿ë~

±è±â¿µ (pimway) / 05-09-07 23:26/ ÀÚ±¹/ ½Å°í/ ÀÌ´ñ±Û¿¡´ñ±Û´Þ±â
ÀÎÅÚĨ¼Âµµ ÀÚÁÖ ¹Ù²î´Ï ¿ª½Ã µû¶ó°¡±â ¹ö°Ì³×¿ä.
¹ÚÇüÁø (backbay) / 05-09-08 1:51/ ÀÚ±¹/ ½Å°í/ ÀÌ´ñ±Û¿¡´ñ±Û´Þ±â
1µîÇÑ MSIº¸µå´Â IDE 1°³±º¿ä. Àú°°ÀÌ ÀϹÝÇÏµå »ç¿ëÇϴ»ç¶÷Àº ODD¸¦ ¸ø´Þ¾Æ¿ä~~~°ñÄ¡ ¾ÆÇÁ´Ù~~~
¼±¿ì¾Æºü (gt75) gt75´ÔÀÇ ¹Ìµð¾î·Î±× °¡±â  / 05-09-08 15:49/ ÀÚ±¹/ ½Å°í/ ÀÌ´ñ±Û¿¡´ñ±Û´Þ±â
»ç½Ç ¼øÀǸ¦ ¸Å±ä´Ù´Â°ÍÀÌ Á¶±ÝÀº ¹®Á¦°¡ ÀÖ´Ù°í »ý°¢ÇÏÁö¸¸
ÀϹÝÀûÀÌ°í º¸ÆíÀûÀÎ °æ¿ì¶ó°í »ý°¢ÇÑ´Ù¸é MSI·ÎÀÇ ¼±ÅÃÀº Å« ¹®Á¨ ¾ø´Ü »ý°¢ÀÔ´Ï´Ù.

ASUS ÀÇ °æ¿ì »ç½Ç ¼º´ÉÀÌ ÁÁÀº°Íµµ »ç½ÇÀÌÁö¸¸ ºñ½Ñ°Íµµ »ç½ÇÀ̶ó°í »ý°¢ÇÕ´Ï´Ù. ICH7R ÀÇ »ç¿ëÀ¸·Î °¡°ÝÀÌ ¿Ã¶ó°¬´Ù°í ÇÒ¼öµµ ÀÖÀ»ÅÙµ¥, ÀϹÝÀûÀÎ »ç¿ëÀÚµéÀº ¾ÆÁ÷±îÁö RAID ¸¦ ¾²´Â °æ¿ì´Â µå¹°°í, ÇöÀç±îÁö NCQ ÀÇ Â÷ÀÌ·Î ÀÎÇÑ ¼º´ÉÇâ»óÀº ¹Ì¹ÌÇϱ⶧¹®¿¡ ÀϹÝÀûÀÎ °æ¿ì ÇÊ¿äÇÒ±î ¶ó´Â »ý°¢ÀÌ µì´Ï´Ù.
¸¸¾à ÀÌ º¥Ä¡¸¶Å©°¡ 955X º¥Ä¡¸¶Å©¿´´Ù¸é Áß¿äÇÑ ºÎºÐÀÌ µÉ¼öµµ ÀÖÁö¸¸ º¸±ÞÇü 945 º¥Ä¡¸¶Å©À̱⿡ ¾Æ¹«·¡µµ °¡°ÝÀûÀÎ ¸éÀÌ ±â´Éº¸´Ù´Â ´õ Áß¿äÇÏ´Ù°í »ý°¢ÇÕ´Ï´Ù.

¼±¿ì¾Æºü (gt75) gt75´ÔÀÇ ¹Ìµð¾î·Î±× °¡±â  / 05-09-08 15:49/ ÀÚ±¹/ ½Å°í/ ÀÌ´ñ±Û¿¡´ñ±Û´Þ±â
ºÐÀïÀ» ¾ø¾Ö±â À§Çؼ­ º¥Ä¡¸¶Å©¿¡ ¼øÀ§¸¦ Á¤ÇÒ°æ¿ì¿£ ±âÁØÀ» ¿©·¯°¡Áö·Î Á¤Çϴ°ÍÀÌ ¾î¶³±î ÇÕ´Ï´Ù.

1. °í¼º´ÉÀ» ÇÊ¿ä·Î Çϴ°æ¿ì,
2. ¾÷±×·¹À̵带 ÇÏ·Á´Â °æ¿ì,
3. °¡°Ý´ëºñ ¼º´ÉÀ» ¿øÇÏ´Â °æ¿ì

Á¤µµ·Î »ç¿ëÀÚÀÇ Çʿ信 µû¸¥ ¼øÀ§°¡ ´Ù¸£´Ù°í »ý°¢ÇÕ´Ï´Ù.

¼øÀ§¸¦ Á¤ÇÒ¶§ ÇѰ¡Áö ±âÁØÀÌ ¾Æ´Ñ ¿©·¯°¡Áö ±âÁØÀ¸·Î Á¤Çϴ°ÍÀÌ ÁÁÀ» °ÍÀ̰í, ±»ÀÌ ÇѰ¡Áö¸¸ Á¤ÇÑ´Ù°í ÇÒ °æ¿ì¿¡µµ ¾î¶² »ç¿ëÀÚ¸¦ ´ë»óÀ¸·Î ÇÑ ¼øÀ§ÀÎÁö ¹àÈ÷´Â °ÍÀÌ ÁÁ´Ù´Â »ý°¢ÀÔ´Ï´Ù.
Á¤±¸¿µ (jgywrd) / 05-09-08 17:07/ ÀÚ±¹/ ½Å°í/ ÀÌ´ñ±Û¿¡´ñ±Û´Þ±â
º¥Ä¡ ÀߺýÀ´Ï´Ù. ^^

¾Æ¼ö½º Á¦Ç°ÀÌ ÁÁÀº Æò°¡¸¦ ¾ò¾ú³»¿ä ^^


¼ÛÁøÇõ (ssong728) / 05-09-08 21:22/ ÀÚ±¹/ ½Å°í/ ÀÌ´ñ±Û¿¡´ñ±Û´Þ±â
¿ª½Ã ÀÎÅÚ ¸ÞÀκ¸µå´Â ¾Æ¼ö½º ¸í¼ºÀ» À¯ÁöÇϳ׿ä

ȲÀμº (insungs) / 05-09-08 22:45/ ÀÚ±¹/ ½Å°í/ ÀÌ´ñ±Û¿¡´ñ±Û´Þ±â
MSI 945P Neo-F
À̺¸µå °¡°Ýµµ ±¦Âú°í ´Ù ÁÁÀºµ¥
IDEÄ¿³ØÅͰ¡ Çϳª»ÓÀÌ¿´´Ù´Â°Ô °¡Àå ¾Æ½¬¿üÀ½
¹«Á¶°Ç SATA¸¦ ½á¾ßÇÏ´Ù´Ï =_=;;;

ä³²½Ä (nschae) / 05-09-09 9:40/ ÀÚ±¹/ ½Å°í/ ÀÌ´ñ±Û¿¡´ñ±Û´Þ±â
Àúµµ MSI 945P Neo-F°¡ ´«¿¡ È® µé¾î ¿À´Â±º¿ä.
865 º¸µå ¾µ ¶§ óÀ½ MSI Á¦Ç°À» Á¢Çغôµ¥ ±×¶§ Á¤¸» ÁÁÀº ÀλóÀ» ¹ÞÀº °Í °°½À´Ï´Ù. Gigabyte Á¦Ç°µµ ÁÁ¾Æ º¸À̱¸¿ä....
±è¼öÈ£ (fantnsia) / 05-09-09 9:59/ ÀÚ±¹/ ½Å°í/ ÀÌ´ñ±Û¿¡´ñ±Û´Þ±â
¼ö°íÇϼ̾î¿ä ÀߺýÀ´Ï´Ù
¾Æ½Î·çºñ (mrlee82) / 05-09-09 13:12/ ÀÚ±¹/ ½Å°í/ ÀÌ´ñ±Û¿¡´ñ±Û´Þ±â
amd¾²¹Ç·Î ÆÐ¼ö~=¤²=;
yettie (ID) / 05-09-09 15:24/ ÀÚ±¹/ ½Å°í/ ÀÌ´ñ±Û¿¡´ñ±Û´Þ±â
Çæ~ ³ë°¡´Ù º¥Ä¡...

Ȳ¼±ÁÖ (hsunju82) / 05-09-09 16:12/ ÀÚ±¹/ ½Å°í/ ÀÌ´ñ±Û¿¡´ñ±Û´Þ±â
¾ÆÁ÷±îÁø ÀÎÅÚ cpuÀÇ Ä¨¼ÂÀº...asusÀΰ¡¿ä...²ôÀÀ...

MatDol (metdol) metdol´ÔÀÇ ¹Ìµð¾î·Î±× °¡±â  / 05-09-10 16:32/ ÀÚ±¹/ ½Å°í/ ÀÌ´ñ±Û¿¡´ñ±Û´Þ±â
Ç×»ó ÁÁÀºº¥Ä¡ ¼ö°íÇϼ̽À´Ï´Ù..^^
±è±Ù¼ö (kimgs79) / 05-09-10 19:24/ ÀÚ±¹/ ½Å°í/ ÀÌ´ñ±Û¿¡´ñ±Û´Þ±â
1ÁÖÀϸ¸ ¸ÕÀú³ª¿Ô¾îµÎ.. ¾Æ½±´Ù.. Ä£±¸²¨ ±â°¡·Î ÇØÁá´Âµ¥.. ¾Æ¼ö½º·Î ÇØÁÙ²¨ ±×·¨³¶...¤Ñ¤Ñ;
Áê´Ï (cufetajo) / 05-09-10 20:06/ ÀÚ±¹/ ½Å°í/ ÀÌ´ñ±Û¿¡´ñ±Û´Þ±â
asusº¸µåµµ ÁÁ¾Æº¸À̰í msiº¸µåµµ ÁÁ¾Æº¸¿´´Âµ¥
a/s¿¡¼­ msi¹®Á¦°¡ º¸À̰а°¾Æ¼­.. ±×°Ô °É¸®³×¿ä
ÁÁÀº º¥Ä¡..

¿¬¹æ´ëÃÑÅë (kood) kood´ÔÀÇ ¹Ìµð¾î·Î±× °¡±â  / 05-09-10 21:29/ ÀÚ±¹/ ½Å°í/ ÀÌ´ñ±Û¿¡´ñ±Û´Þ±â
¼ö°íÇϼ̽À´Ï´Ù

¼ºÈ£Ã¶ (shc572) shc572´ÔÀÇ ¹Ìµð¾î·Î±× °¡±â  / 05-09-10 22:47/ ÀÚ±¹/ ½Å°í/ ÀÌ´ñ±Û¿¡´ñ±Û´Þ±â
ÁÁÀº º¸µåµéÀÌ ¸¹ÀÌ ³ª¿À´Â±º¿ä..
Àú´Â ÁöÀεé ÄÄÇ»Å͸¦ ¸ÂÃß¾îÁÖ¸é °ÅÀÇ AMD·Î °¡±â¶§¹®¿¡
Å©°Ô ½Å°æÀ» ¾È¾²Áö¸¸..
ÀÎÅÚÂÊÀ¸·Î ¸¹ÀÌ »ç¿ëÇϽô ºÐµé¿¡°Ô´Â ÁÁÀº Á¤º¸À̱º¿ä
¼ö°íÇϼ̽À´Ï´Ù..^^;

ÀÌ»ó¹ü (isillin) / 05-09-11 2:04/ ÀÚ±¹/ ½Å°í/ ÀÌ´ñ±Û¿¡´ñ±Û´Þ±â
Çæ, À̹ø º¥Ä¡ Àå³­ ¾Æ´Ï³×¿ä. °í»ýÇÏ½Å°Ô ´À²¸Áý´Ï´Ù.
ÁÁÀº º¸µåµéÀÌ ´Ù °¡°ÝÀÌ ½Î³×¿ä. ¿ª½Ã ±â¼úÀÌ ¹ßÀüÇÏ¸é ±×¸¸Å­ °¡°Ýµµ ½ÎÁö°í »õ·Î¿î°Ô ¶Ç ³ª¿À°í-0-;;;

µ¿³×¾Æ´ÂÇü (diskfull) / 05-09-11 10:27/ ÀÚ±¹/ ½Å°í/ ÀÌ´ñ±Û¿¡´ñ±Û´Þ±â
ÀÌ·±±Û º¸¸é Á¤¸» ´ë´ÜÇÏ´Ù´Â »ý°¢»Ó..
ÀüÁ¤ÇÑ ³ë°¡´Ù..
¼ö°íÇϼ̽À´Ï´Ù
½Âȯ¾Æºü (dharma) / 05-09-11 12:02/ ÀÚ±¹/ ½Å°í/ ÀÌ´ñ±Û¿¡´ñ±Û´Þ±â
MSI¸¸ ¾Æ´Ï¶ó¸é ºÎ´ã¾øÀÌ Áö¸£°í ½ÍÀº BOARD....
bigfog (ID) bigfog´ÔÀÇ ¹Ìµð¾î·Î±× °¡±â  / 05-09-11 16:36/ ÀÚ±¹/ ½Å°í/ ÀÌ´ñ±Û¿¡´ñ±Û´Þ±â
Á¤¸» °í»ýÇϽŠÈçÀûÀÌ ´À²¸Áö´Â º¥Ä¡¸¶Å©ÀÔ´Ï´Ù.
°£¸¸¿¡ Æ÷¸¸°¨(?)À» ´À³¢¸ç Àß Àоú½À´Ï´Ù.
ÇÏÁö¸¸, AS±â°£°ú ICH7R »ç¿ëÀ¯¹«¿¡ µû¸¥ °á°ú°¡ Á» ¾Æ½±±º¿ä.

°³Àλç¿ëÀÚÁß Àúó·³ ±× ¼ö¸íÀÌ ´ÙÇϵµ·Ï ¾²´Â À¯Àúµµ Àִµ¥... ÀúÀÇ ÀÔÀåÀ¸·Î¼­´Â 18°³¿ù°ú 36°³¿ùÀº Çϴðú ¶¥Â÷ÀÌÁ¤µµ·Î Å©°Ô ´À²¸Áö´Â±º¿ä. °ú¿¬ ÀÏ¹Ý Æò¹üÇÑ À¯ÀúÀÇ ¾÷±×·¹À̵å ÁÖ±â´Â ¾ó¸¶Àϱî¿ä? ÀÌÁ¤µµ º¥Ä¡¸¶Å©¸¦ º¸´Â Á¤µµ¶ó¸é
»ó´çÇÑ °ü½ÉÀÌ ÀÖ´Â À¯Àú°ÚÁÒ...¼ÖÁ÷È÷ ÀúÀÇ »ý°¢Àº ÀÌ·± º¥Ä¡¸¶Å©°¡ ÀÖ´ÂÁöµµ ¸ð¸¥Ã¼ »ç¿ëÇϽô ºÐÀÌ ´õ ¸¹´Ù°í »ý°¢ÇÕ´Ï´Ù¸¸...

±×¸®°í, ¿äÁò Áý¿¡¼­ ¾²´Â Çǽÿ¡¼­µµ ·¹ÀÌµå ¾²½Ã´Â ºÐ ÀÖ½À´Ï´Ù. NCQ±â´É°ú ·¹À̵忡 ´ëÇØ¼­µµ °³ÀÎÀûÀÎ »ý°¢À¸·Î ÃæºÐÈ÷ Á¡¼ö°¡ ¸Å°ÜÁöÁö ¾Ê¾Æ¼­ ¸Å¿ì ¾Æ½±±º¿ä. ·¹À̵带 ¶°³ª¼­ 1Å×¶óÀÌ»ó ½Ã½ºÅÛÀ» ±¸ÃàÇϽŠºÐµµ º¸¾Ò´Âµ¥, Çϳª¶óµµ ´õ ¸ÞÀκ¸µå¿¡¼­ HDD¿¬°á¸¦ Áö¿øÇÑ´Ù´Â Á¡ÀÌ ´Ü¼øÈ÷ PCIÇϳª¸¦ Áö¿øÇÑ´Ù´Â Á¡°ú´Â Â÷º°¸¦ Á༭ »ý°¢ÇØ¾ß µÈ´Ù°í »ý°¢ÇÕ´Ï´Ù.

ÀÌ º¸µåµéÀÌ º¸±ÞÇüÀÌÁö¸¸, ±×·¸´Ù°í º¥Ä¡¸¶Å©µµ º¸±ÞÇü(?)À¸·Î ÁøÇàµÈ´Ù´Â Á¡ÀÌ ¾Æ½±±º¿ä.

±èÅñâ (ktk7) ktk7´ÔÀÇ ¹Ìµð¾î·Î±× °¡±â  / 05-09-11 18:54/ ÀÚ±¹/ ½Å°í/ ÀÌ´ñ±Û¿¡´ñ±Û´Þ±â
Á¤¸»ÀÌÁö ÀÌ·±°Å ½áº¸Áöµµ ¸øÇϰí Á×°Ô µÇ´Â°Å ¾Æ´Ñ°¡ ¸ô¶ó~

´Þ³ª¶ó¿ÕÀÚ (kuty) kuty´ÔÀÇ ¹Ìµð¾î·Î±× °¡±â  / 05-09-12 20:08/ ÀÚ±¹/ ½Å°í/ ÀÌ´ñ±Û¿¡´ñ±Û´Þ±â
ÀÌ·± °í»ýÀ» ÇϽôٴÏ...
¸ÚÁø ¸®ºä Àߺ¸°í °©´Ï´Ù. ¿ª½Ã.. ¯ÀÔ´Ï´Ù. -_-b

ÀÓÀ±Ã¶ (zooc80) / 05-09-13 0:45/ ÀÚ±¹/ ½Å°í/ ÀÌ´ñ±Û¿¡´ñ±Û´Þ±â
µà¾ó·Î ³Ñ¾î°¥ ¼ö ÀÖ´Ù¸é ²À ±¸ÀÔÇØ¾ß ÇÏ°í ±¸ÀÔÇÏ°í ½ÍÀº
º¸µåµéÀ̾ú´Âµ¥ ³Ê¹« ÁÁÀº ±â»ç³×¿ä~! ¸¹Àº µµ¿òÀÌ µÉ°Å
°°½À´Ï´Ù ^_^*
k4952 (ID) / 05-09-16 0:54/ ÀÚ±¹/ ½Å°í/ ÀÌ´ñ±Û¿¡´ñ±Û´Þ±â
Àú°É »ç¿ëÇØ º¼³¯ÀÌ ÀÖÀ»±î?
À¯¼ºÃ¶ (rirics) / 05-09-16 21:38/ ÀÚ±¹/ ½Å°í/ ÀÌ´ñ±Û¿¡´ñ±Û´Þ±â
¿ª½Ã ¾Æ¼ö½º, ±â°¡¹ÙÀÌÆ®, MSI ..´ë¸¸ 3´ë ±â¾÷ÀÌ
¸ÞÀκ¸µå ½ÃÀåÀ» ²Ë Àâ°í Àֳ׿ä..

´Ù¸¥ ³ª¶ó±â¾÷...¼­¼­È÷ »ç¶óÁö´õ´Ï..ÀÌÁ¦ °í±Þ Á¦Ç°°ú ¾ÈÀü¼º ÀÖ´Â Á¦Ç°Àº 3´ë ±â¾÷ÀÌ ¾Æ´Ï¸é ÈûÀÌ µéµí..
rock002 (ID) / 05-09-18 19:51/ ÀÚ±¹/ ½Å°í/ ÀÌ´ñ±Û¿¡´ñ±Û´Þ±â
AMD·Î °¡°íǵ¥ INTEL¿¡¼­ Àâ´Â±º¿ä^^; ¾î¶»°Ô ÇØ¾ß ÇÒÁö °í¹ÎÁßÀ̳׿ä.

ÀÓÇö±Ô (moonlight11) / 05-09-19 14:23/ ÀÚ±¹/ ½Å°í/ ÀÌ´ñ±Û¿¡´ñ±Û´Þ±â
Àü¿øºÎ¿¡ °üÇÑ ³»¿ë ÀλóÀûÀ̾ú½À´Ï´Ù.

ÁÁÀº º¥Ä¡ °¨»çµå¸³´Ï´Ù. ~

¹Ú¿µÁ¶ (park6718) / 05-09-20 10:51/ ÀÚ±¹/ ½Å°í/ ÀÌ´ñ±Û¿¡´ñ±Û´Þ±â
°©ÀÚ±â ÀÎÅÚ·Î µ¹¾Æ°¡°í ½Í´Ù´Â »ý°¢ÀÌ.....
±¸´öÁ¤ (smileku) / 05-09-20 15:15/ ÀÚ±¹/ ½Å°í/ ÀÌ´ñ±Û¿¡´ñ±Û´Þ±â
±â°¡¹ÙÀÌÆ® 8i945p-pro´Â Å×½ºÆ®ÇÏÁö ¾Ê¾Ò³×¿ä....
»ç°í½Í¾ú´Âµ¥..¾ó¸¶³ª ÁÁÀ»Áö ±Ã±ÝÇØ¼­¿ä...
±×·¡µµ Âü°í¿ëÀ¸·Î ÁÁ¾Ò½À´Ï´Ù..

·ª´º (ryangedu) / 05-09-20 20:06/ ÀÚ±¹/ ½Å°í/ ÀÌ´ñ±Û¿¡´ñ±Û´Þ±â
ÀÎÅÚÀÇ µà¾óÄÚ¾îÀÇ ¼º´ÉÀÌ AMD¿¡ ¹ö±Ý °£´Ù¸é º¸µåµéµµ µ¢´Þ¾Æ »óÁ¾°¡¸¦ Ä¥ÅÙµ¥¿ä...
Áê´Ï (cufetajo) / 05-09-20 23:43/ ÀÚ±¹/ ½Å°í/ ÀÌ´ñ±Û¿¡´ñ±Û´Þ±â
¿å½ÉÀÌ ³ª´Â ¹°°ÇµéÀÌ ¿ÖÀ̸® ¸¹ÀºÁö..
±×ºÐÀÌ ¿À¼Ì³ª º¸³»¿ä..
dlgusdk9 (ID) / 05-09-21 21:02/ ÀÚ±¹/ ½Å°í/ ÀÌ´ñ±Û¿¡´ñ±Û´Þ±â
Àß º¸°í °©´Ï´Ù^^

ÁøÅëÁ¦ (robfight) robfight´ÔÀÇ ¹Ìµð¾î·Î±× °¡±â  / 05-09-22 11:45/ ÀÚ±¹/ ½Å°í/ ÀÌ´ñ±Û¿¡´ñ±Û´Þ±â
¿ª½Ã MSI °¡ ÃÖ°í ~ ¤¾¤¾¤¾
ÄÄÅÍ À߸¸»ç¸é À̵æÀÌÁö¸¸ À߸ø»ç¸é ¼ÕÇØ°¡ µÉ¼ö ÀÖ´Ù¶ó´Â ¸»ÀÌ µÇ´Â±º¿ä~ ¤¾¤¾¤¾ ³­ ¾ðÁ¦ ¾÷±×·¹À̵带 ÇÒ¼ö ÀÖÀ»±î? -_-;;; 875¿¡ ·¥2±â°¡ ½ÃÇ» 3.0 ¾ÆÁ÷ ÃÖ°­ ¤¾¤¾¤¾¤¾ (875 MSI ½ºÆÅÁ¦Ç°) ¾Æ½ÃÁÒ? ±¹³» ÃÖÃÊ·Î ³ª¿Â 875 º¸µå ¤¾¤¾
chungdasol (ID) / 05-09-22 12:54/ ÀÚ±¹/ ½Å°í/ ÀÌ´ñ±Û¿¡´ñ±Û´Þ±â
Àú ¿ª½Ã MSIÀÇ ¸ÞÀκ¸µå°¡ °¡Àå ²ø¸®´Â±º¿ä.
yeo2005 (ID) / 05-09-22 16:26/ ÀÚ±¹/ ½Å°í/ ÀÌ´ñ±Û¿¡´ñ±Û´Þ±â
³¡µµ ¾ø´Â ¾÷±Ûº´...
bbjm (banbajiman) / 05-09-24 23:53/ ÀÚ±¹/ ½Å°í/ ÀÌ´ñ±Û¿¡´ñ±Û´Þ±â
´çºÐ°£Àº 865·Î ¹öÅß¾ßÇϴµ¥, ÀÚ²Ù¸¸ ´À²¸Áö´Â ¾÷±×·¹À̵å Ãæµ¿~
±è¿µ·Õ (younglong84) / 05-09-25 9:17/ ÀÚ±¹/ ½Å°í/ ÀÌ´ñ±Û¿¡´ñ±Û´Þ±â
±¦ÂúÀº º¥Ä¡±º¿ä ÀÎÅÚ ¿ëº¸µå ã´ÂºÐµé¿¡°Ô °­Ãß ~~ ^^
±èÇØ·æ (qkqh8352) / 05-09-27 1:11/ ÀÚ±¹/ ½Å°í/ ÀÌ´ñ±Û¿¡´ñ±Û´Þ±â
AL8-V´Â º°´Ù¸¥ Ư¡ÀÌ ¾ø´Â°Ç°¡¿ä..??¤Ð

¹Úº´±â (kingson2) / 05-09-27 9:31/ ÀÚ±¹/ ½Å°í/ ÀÌ´ñ±Û¿¡´ñ±Û´Þ±â
ÀÎÅÚ945 ¸àº¸µå ¾²´Âµ¥ º¥Ä¡¸¶Å©°¡ °ÅÀÇ ¾ø³×¿ä.
ansdmsdud (ID) / 05-09-27 13:32/ ÀÚ±¹/ ½Å°í/ ÀÌ´ñ±Û¿¡´ñ±Û´Þ±â
ÁÁÀº ±â»ç³×¿ä.
À¯ÀÍÇÑ Á¤º¸¸¦ ÁÖ½Ã´Ï °¨»çÇÕ´Ï´Ù.
ÀÏÈ­ (lakeland) / 05-09-27 19:34/ ÀÚ±¹/ ½Å°í/ ÀÌ´ñ±Û¿¡´ñ±Û´Þ±â
ECS°¡ ¸¹ÀÌ ¹ßÀüÇѰͰ°Àº °°Àºµ¥ ±×µ¿¾È ½×¾Æ¿Â ½ÇÀûÀÌ ¿ö³« ½É»óÂú¾Æ¼­ ÃßõÇϱâ´Â Á» ¹¹ÇÕ´Ï´Ù.
¼Õ¿­È£ (endimion) / 05-09-27 19:34/ ÀÚ±¹/ ½Å°í/ ÀÌ´ñ±Û¿¡´ñ±Û´Þ±â
3A°¡ ¿©ÀüÈ÷ ¹öƼ´Â±º¿ä... ASUS¸¸ »ì¾Æ³²±ä ÇßÁö¸¸
³²´ëÁ¾ (castledj) / 05-09-27 23:04/ ÀÚ±¹/ ½Å°í/ ÀÌ´ñ±Û¿¡´ñ±Û´Þ±â
½ÎÀÌÆ® ¸¶´Ù Á¶±Ý¾¿ °ßÇØ°¡ ´Ù¸¥³×¿ä...°ú¿¬ ¹«½¼ º¸µå°¡ ÁÁÀº °É±î¿ä?

¾ç´ë±Õ (ghostfire) / 05-09-28 19:16/ ÀÚ±¹/ ½Å°í/ ÀÌ´ñ±Û¿¡´ñ±Û´Þ±â
¿¡±¸ ¿ì¸® »ç¹«½ÇÀ» ¾ÆÁ÷µµ 865 ¾²´Âµ¥ .. 945 º¥Ä¡ºñ±³¶ó.

Àü¿¡ °°À¸¸é ¹ú½á 945 Áú·¶À»ÅÙµ¥.. ÀÌÁ¨ º°·ç ¿å½ÉÀÌ ¾È³ª³×¿ä.
qhemskfk7 (ID) / 05-10-01 16:16/ ÀÚ±¹/ ½Å°í/ ÀÌ´ñ±Û¿¡´ñ±Û´Þ±â
¸·°­ ¸ÞÀκ¸µå°¡ ´Ù Ã⵿Çϼ̳׿ä.¤¾
ºÎ·¯¿ï µû¸§ÀÔ´Ï´Ù...

ÀÌ»óÈÖ (geranimo) / 05-10-04 9:47/ ÀÚ±¹/ ½Å°í/ ÀÌ´ñ±Û¿¡´ñ±Û´Þ±â
Áú·¯¾ßÁã.....¤¸¤Ó¸£°í ¸»°í¾ß...

¾Õ¸¶´çÈ®Àå (hy0415) / 05-10-05 19:58/ ÀÚ±¹/ ½Å°í/ ÀÌ´ñ±Û¿¡´ñ±Û´Þ±â
»ç½Ç ¸ÞÀκ¸µå´Â Àú·ÅÇϸ鼭 ¶Ù¾î³­ ¼º´ÉÀ» °¡Áø MSI°¡ ÃÖ°íÀεí....^^

·ª´º (ryangedu) / 05-10-11 21:08/ ÀÚ±¹/ ½Å°í/ ÀÌ´ñ±Û¿¡´ñ±Û´Þ±â
ÀÎÅÚ µà¾óÀÌ »¡¸® AMD¿¡ µû¶ó°¡¾ß ÇÒÅÙµ¥..

À̰­±Ô (kal9) / 05-10-12 8:49/ ÀÚ±¹/ ½Å°í/ ÀÌ´ñ±Û¿¡´ñ±Û´Þ±â
msi´Â ¾îµô°¡³ª È®½ÇÈ÷ ¾ÈÁ¤µÈ ¼øÀ§¸¦ º¸ÀåÇϴµíÇÕ´Ï´Ù^^

ÃÖÁ¤»ï (ian5364) ian5364´ÔÀÇ ¹Ìµð¾î·Î±× °¡±â  / 05-11-10 17:22/ ÀÚ±¹/ ½Å°í/ ÀÌ´ñ±Û¿¡´ñ±Û´Þ±â
ÁÁÀº±Û Àߺ¸°í°©´Ï´Ù.

¾ÈâÁØ (dr.jonathan) / 05-11-29 14:34/ ÀÚ±¹/ ½Å°í/ ÀÌ´ñ±Û¿¡´ñ±Û´Þ±â
ECS Á¦Ç°ÀÌ¾ß ¿ø·¡ ±âº» ÄÁ¼ÁÀÌ Àú°¡Çü, º¸±ÞÇüÀ̰í...
¿ª½Ã, AOPEN, GIGABYTE Á¦Ç°Àº ưưÇÑ °Í °°³×¿ä. ±×Áß¿¡¼­µµ AOPEN Á¦Ç°ÀÌ Æò±ÕÀûÀ¸·Î Àü¿øºÎ µîµµ ºÎ½ÇÇÏÁö ¾Ê°Ô ¸¸µå´Â °Í °°°í... ASUS °æ¿ì´Â ´Ü°¡¸¦ ÃÖ´ëÇÑ ³·Ãß´Â °ÍÀ» ¸ñÇ¥·Î Çϴ ȸ»ç... ÇØ¿Ü Æ÷·³¿¡¼­µµ ¸î ³âÀü ºÎÅÍ ¾Æ¼ö½ºÀÇ PCB ±¸¼º ǰµéÀÌ °¥¼ö·Ï ÁúÀÌ ³·¾ÆÁø´Ù°í Æò°¡Çϰí ÀÖ½À´Ï´Ù.(¹°·Ð, ¾ÆÁ÷±îÁö °í±ÞÇüÀº ÁÁÀº Á¦Ç°À» »ç¿ëÇÏÁö¸¸, ±× °í±ÞÇüÀ̶ó´Â °ÍÀÌ ÃÖ»óÀ§ ¶óÀÎÀ¸·Î ¾È±×·¡µµ ºñ½Ñ ASUS Á¦Ç° Áß¿¡¼­ °¡Àå ºñ½Ñ Á¦Ç°µé¸¸ ±×·¸´Ù´Â...)

¾ÈâÁØ (dr.jonathan) / 05-11-29 14:39/ ÀÚ±¹/ ½Å°í/ ÀÌ´ñ±Û¿¡´ñ±Û´Þ±â
ASUS ÀÇ Àαâ´Â Ææ2~Ææ3 ½ÃÀý±îÁöÀÇ ¿À¹öŬ·°À¸·Î ºê·£µå À̹ÌÁö ¼³Á¤À» Áö±Ý±îÁö Àß À̾°í ÀÖ´Â °æ¿ìÁÒ. »ç½Ç ¿äÁòÀº ¿À¹öŬ·° = ASUS ¶ó°í ÇÒ ¼ö ¾ø±â ¶§¹®¿¡... ASUS Á¦Ç°Àº A7V133 Á¦Ç° ½Ã±â¸¦ ¸¶Áö¸·À¸·Î ´Ü°¡ ³·Ã߱⿡ Àç¹Ì°¡ ºÙÀº µí Çϰí... °¡°Ý °ÅǰÀÌ ½ÉÇÑ ºê·£µå Áß Çϳª °°´Ù´Â... (ÇØ¿Ü¿¡¼­µµ ºñ½ÎÁö¸¸... ¾Æ¸¶.. Á¦Ç° 1°³´ç ÀÌÀ±À» ³²±â´Â °æ¿ì¿¡´Â 1~2À§¸¦ ´ÙÅø µí... ¹°·Ð, °³ÀÎÀûÀÎ ¿¹»óÀ̸ç, ±â¾÷À¸·Î¼­´Â ´ç¿¬ÇÑ °ÍÀÌÁÒ..)
±èÇý¼º (heaye) / 05-11-30 7:31/ ÀÚ±¹/ ½Å°í/ ÀÌ´ñ±Û¿¡´ñ±Û´Þ±â
ASUS°¡ Á© ÁÁ½À´Ï´Ù.
¸ÞÀκ¸µå.. ¿À¹öŬ·°ÇÏ·Á°í »ç´Â ºÐÀ̶ó¸é¾ß ABITÀ̳ª MSI·Î °¡´Â°Íµµ ÁÁ°ÚÁö¸¸.. ½Î±¸·Á¶ó¸é ¹°·Ð ESC³ª Fx????À̱¸¿©..
ÀÏ´Ü ¸ÞÀκ¸µå´Â 2³â ³ÑÀ¸¸é ¼ö¸íÀÌ °ÅÀÇ ³¡³³´Ï´Ù. ĵÇü ijÅÍÆÛ½ÃµéÀÌ ³ëÈÄÈ­µÇ¼­ ÅÍÁö±â ½ÃÀÛÇÏÁÒ. ASUSÀÇ a/s°¡ 36°³¿ù ³»µµ·Ï ¹«·áÀÎÁö´Â ¾Ë¼ö ¾øÁö¸¸..
ASUS¸¦ ¼±ÅÃÇϴ°ÍÀº a/s¶§¹®ÀÌ ¾Æ´Ï°í ¹Ù·Î.. S-ATA RAID ¶§¹®ÀÔ´Ï´Ù.
ÃÖ±Ù ÄÄÅ͵éÀÌ ¼º´ÉÀÌ ¿ö³« ÁÁ¾ÆÁö´Ùº¸´Ï.. 865PE°°Àº°æ¿ìµµ ÀÌ¹Ì 3³â° Á¢¾îµéµµ·Ï ±¸ÀÔÀÚµéÀÌ ÄÄÀ» »õ·Î»ì »ý°¢À» ¾ÈÇϰí ÀÖ½À´Ï´Ù. À̺еéÀÌ ±×·³ ÇÏ´Â°Ô ¸ð³Ä¸é..
¹Ù·Î ·¥Áõ¼³°ú HDDÃß°¡ÀÔ´Ï´Ù.
3³âÁ¤µµ ¾²´Ùº¸¸é.. ·¥ºÎÁ·ÀÌ ¿À°í.. HDD°¡ ³ëÈÄÈ­µÇ¸ç.. ¿ë·®ºÎÁ·µµ °Ý°Ô µÇ°í.. ±×¸®°í ¸ÞÀκ¸µåµµ ±³Ã¼ÇÒ ½ÃÁ¡ÀÌÁÒ.
À̶§°¡ µÇ¸é. °á±¹ RAID Áö¿ø¸ÞÀκ¸µå¸¦ ã°Ô µË´Ï´Ù.
Áö±Ý ½ÃÀåÀ» º¸¼¼¿©. ASUS°¡ Áö¹èÇϰí ÀÖ½À´Ï´Ù. 865PE¶§ºÎÅÍ RAID¸¦ Áö¿øÇÑ À¯ÀÏÇÑ È¸»ç°¡ ASUSÁÒ.
±èÇý¼º (heaye) / 05-11-30 7:35/ ÀÚ±¹/ ½Å°í/ ÀÌ´ñ±Û¿¡´ñ±Û´Þ±â
865PE¸ÞÀκ¸µå º¥Ä¡¸¶Å©ÇÏ´ø ½ÃÀý¿¡µµ..
Çã´ÙÇÑ ½ÎÀÌÆ®µéÀÌ ASUSÁ¦Ç°À» 1µîÀ¸·Î ²ÅÁø ¾Ê¾Ò½À´Ï´Ù.
ÇÏÁö¸¸ °á±¹ ½ÃÀåÀÌ ¼±ÅÃÇÑ°Ç ASUSÁ¦Ç°ÀÌ µÇ¾úÁÒ.
ÀÌ RAID¸¦ Áö¿øÇѴٴ°ÍÀº.. ¸Å¿ì Áß¿äÇÑ Àǹ̸¦ °¡Áý´Ï´Ù.
¹Ù·Î ÇÏÀÌ¿£µå°èÃþÀÇ »ç¿ëÀÚµéÀ» µ¶½ÄÇÑ´Ù´Â ÀǹÌÀÔ´Ï´Ù.
¸ðµç ÇÏÀÌ¿£µå°èÃþÀÇ »ç¿ëÀÚµéÀÌ RAID¶§¹®¿¡ ASUSÁ¦Ç°À»
ã°Ô µÇ¸é.. ÀÚ¿¬È÷ ASUSÁ¦Ç°Àº 1µîÀ̶õ À̹ÌÁö¸¦ °¡Áö°Ô
µÇ°í.. ±Û´Ùº¸¸é ¼±¼øÈ¯ÀÌ ÀϾÁÒ.
Ÿ±â¾÷µé¿¡¼­ RAID¸¦ Áö¿øÇÏ´Â ¸ÞÀκ¸µå¸¦ ³»³õÁö ¾Ê´Â
ÀÌÀ¯°¡ Á¤¸» ±Ã±ÝÇÏ´õ±º¿©.
±èÇý¼º (heaye) / 05-11-30 7:45/ ÀÚ±¹/ ½Å°í/ ÀÌ´ñ±Û¿¡´ñ±Û´Þ±â
±Û°í ²¨²Ù·Î »ý°¢ÇØ º¸¼¼¿©.
Ÿȸ»ç Á¦Ç°¾²´ø »ç¶÷µéÀº ASUS·Î ¿Å°Ü°¥¼ö ÀÕÁö¸¸..
ASUS¾²´ø RAID¹°¸®´ø ºÐµéÀº Àý´ë·Î ŸÁ¦Ç°À¸·Î ±³Ã¼
¸øÇÕ´Ï´Ù.

¸¶Áö¸·À¸·Î.. ¿äÁò ¸ÞÀκ¸µå º¥Ä¡µéÀÌ.. ³Ê¹« ½Ä»óÇÑ
Æò°¡Çиñµé¸¸ Áַ縤 ´Ã¾î³õ´Â°Å °°¾Æ¿©.
¾î°¼­ ASUS°¡ RAID±â´ÉÀ» º¸±ÞÇü¿¡ °è¼Ó ´ã´ÂÁö Á¤µµ¿¡
´ëÇÑ Æò°¡´Â.. ÀÌÁ¦ 3³â° Á¢¾îµå´Âµ¥.. ÇѸ¶µð ÇÏ´Â
±âÀÚ°¡ ³ª¿Í¾ß ÇÏÁö ¾ÊÀ»±î¿©?
¼ÖÂïÈ÷ ¸»ÇØ.. ½Ã½ÃÄÝÄÝÇÏ°Ô ¸ÞÀκ¸µå¸¶´Ù
¹«½¼ ĨÀ» ¾²´ÂÁö ³­ º°·ç °ü½ÉÀÌ ¾ø½À´Ï´Ù.
¿À¹öŬ·°ÀÌ 550 ±îÁö Á¦°øµÇ´ÂÁö 555 ±îÁö Á¦°øµÇ´ÂÁöµµ
°ü½ÉÀÌ ¾ø±¸¿©..
2³â³Ñ°Ô ¾²´ø ¸ÞÀκ¸µå°¡ »¶³­ ³»°¡ °ü½ÉÀÖ´Â°Ç HDDÃß°¡
ÇÒ¹Ù¿£ RAID¹°¸®°í ½Í´Ù´Â°ÍÀÌÁÒ.
±×¸®°í a/s°¡ 1³âÂ¥¸®½Î±¸·Á³Ä 3³âÂ¥¸® °í±ÞÇüÀÌ³Ä ..
Áö±Ý »¶³­ ³» ¸ÞÀκ¸µå°¡ a/s°¡´ÉÇϳÄ.. Á¤µµ±¸¿©.
ÃÖº´´ö (cvb7) / 05-11-30 11:05/ ÀÚ±¹/ ½Å°í/ ÀÌ´ñ±Û¿¡´ñ±Û´Þ±â
1997³â ÃʺÎÅÍ Á¶¸³À» ½ÃÀÛÇÒ¶§ ¿À¹ö¿­Ç³ÀÌ ºÒ¾î ½ÃÀÛÇÒ¶§ ºÎÅÍ ABIT°¡ ¿À¹ö°¡ ÀߵȴÙÇÏ¿© Á¶¸³À» ÇÏ¿´´Âµ¥ °¥¼ö·Ï ¾ÈÁ¤È­¿¡ ´«À»¶° Áö±Ý¿¡ ¿Í¼­´Â ASUS¸¦ »ç¿ëÁßÀ̶ó ASUS¸¦ ¼±È£ÇÏ´Â Áß ÀÔ´Ï´Ù. ±×·¯³ª ¾ó¸¶Àü±îÁö ¸î»ç¶÷¿¡°Ô Á¶¸³À» ÇØÁá´Âµ¥ »ç¿ëÀÇ ¾ÈÀüÀ» À§ÇÏ¿© ÀüºÎ GIGABYTE¸¦ Çß½À´Ï´Ù. ¿©Å²¯ ¾Ö·¯¾øÀÌ Àß »ç¿ëÇϰí Àִ°ÍÀ» º¸´Ï ¹«³­ÇÑ°Í °°±º¿ä.
¸ÞÀκ¸µå´Â °¢°¢ÀÇ Àå, ´ÜÁ¡ÀÌ ÀÖ¾î »ç¿ëÇϱ⠳ª¸§À̶ó »ý°¢Çϸç ÀÌ±Û ÀÛ¼ºÀ» ÇϽŠviper2´Ô °í»ý¸¹ÀÌ Çϼ̽À´Ï´Ù.

DualMoon (dualmoon) / 05-11-30 15:00/ ÀÚ±¹/ ½Å°í/ ÀÌ´ñ±Û¿¡´ñ±Û´Þ±â
ÇöÀç Æø½ºÄÜ º¸µå »ç¿ëÁßÀÔ´Ï´Ù 830²È¾Æ¼­...´Ù¸¸ °¡°ÝÀº ¹ÌµðÅØ²² ºòºöº¸´Ù ½Ô´Ï´Ù..1¸¸¿øÀÌ»óÂ÷ÀÌ·Î ±â¾ïÇÕ´Ï´Ù. »ç¿ë¿¡¼­ ±×´Ú ³ª»ÛÁ¡ ¸ð¸£°Ú´ä´Ï´Ù. ¾îÂ÷ÇÇ ¿À¹öŬ·°À» Àý´ëÇÏ¸é ¾ÈµÇ´Â ¿¬»ê¿ëÀ̶ó...¤Ñ¤Ña

7800gtx¶û °£¼·µµ ¾ø°í »ý°¢º¸´Ù ±¦ÂúÀº º¸µåÀε¥ ²ÃÁö¶ó´Ï..¾¹¾µÇϳ׿ä..¤Ð¤Ð

¾ÈâÁØ (dr.jonathan) / 05-11-30 19:15/ ÀÚ±¹/ ½Å°í/ ÀÌ´ñ±Û¿¡´ñ±Û´Þ±â
ASUS Á¦Ç°ÀÌ º¸±ÞÇüÀÌ¶óµµ ±× °¡°ÝÀº Æò±ÕÀûÀ¸·Î Ÿ»ç¿¡¼­´Â Áß~°í±ÞÇü °¡°ÝÀÔ´Ï´Ù. ASUS Ãâ½Ã´Â º¸±ÞÇüÀÌ¶óµµ ¹°·Ð, ¸ÞÀΠĨ¼ÂÀÌ °°À¸´Ï±ñ °°ÀÌ ºñ±³°¡ µÇ±â´Â ÇÏÁö¸¸... ±Û½ê¿ä?
±×¸®°í, ±¹³»¿¡ ¼öÀÔÀÌ Àß ¾ÈµÇ¾î¼­ ±×·¸Áö... ±â°¡¹ÙÀÌÆ®µµ RAID °¡´É Áß/º¸±ÞÇü Á¦Ç°ÀÌ ¸¹½À´Ï´Ù. ½´¸¶¿¡¼­ ¼öÀÔÇÑ 865PE Á¦Ç°ÀÌ EPOX ÀÎÁö ALBATRON ÀÎÁö Ÿ ȸ»çÀÎÁö È®ÀÎ ¸øÇßÁö¸¸, ALBATRON °°Àº °æ¿ì´Â °¡²û ´ë¹Ú ¸ÞÀκ¸µå Çϳª¾¿ Ãâ½ÃÇÕ´Ï´Ù. ±â°¡¹ÙÀÌÆ® ±â¼úÁøÀÌ À̵¿ÇÑ È¸»ç¶ó¼­... ECS »ý»ê´É·ÂÀÌ ½Î±¸·Á°¡ ¾Æ´Õ´Ï´Ù. ÁÖ¿ä ŸÄÏÀÌ Àú°¡Çü/º¸±ÞÇüÀÌÁÒ. ABIT Á¦Ç°ÀÇ »ý»êµµ ECS »ý»ê¶óÀο¡¼­ ÇÏ´Â °ÍÀ¸·Î ¾Ë°í ÀÖ½À´Ï´Ù. RAID, È®Àå µûÁø´Ù¸é, ¿øÁ¶´Â ±â°¡¹ÙÀÌÆ®¶ó°í ÇÒ ¼ö ÀÖ½À´Ï´Ù. ±×¸®°í Æø½ºÄÜÀÌ ¾ðÁ¦ºÎÅÍ ½Î±¸·Á°¡ µÇ¾ú´ÂÁö... ±¹³»¿¡ ¼öÀÔµÇ´Â Æø½ºÄÜ Á¦Ç°ÀÌ Á¶±Ý ±×·¡¼­ ±×·±µ¥... ±×°Å ¾Æ½Ã³ª¿ä? µà¾ó Áï, 2°³ÀÇ ¹°¸®ÀûÀÎ ½ÃÇ»À¯¸¦ »ç¿ëÇÏ´Â ¿÷½ºÅ×ÀÌ¼Ç ÀÌ»óÀÇ º¸µå¿¡¼­´Â ¾Æ¼ö½º ¼±È£µµ°¡ ¹Ù´ÚÀÔ´Ï´Ù. ¿ö/¼­¹ö º¸µå°èÀÇ ECS ÁÒ. Àú·ÅÇØ¼­ ±¸ÀÔÇÒ »Ó. TAYN, SUPERMICRO, IWILL Á¦Ç°°ú »ó´ë°¡ ¾È µË´Ï´Ù. (¼­¹ö¿¡¼­µµ ´Ü°¡ ¶§¹®¿¡ Àú°¡Çü Äܵ§¼­ »ç¿ëÇÏ´Â °ÍÀÌ asus ÀÔ´Ï´Ù.)
ÆøÅºº£´Ï½º (korstds) korstds´ÔÀÇ ¹Ìµð¾î·Î±× °¡±â  / 05-12-01 0:51/ ÀÚ±¹/ ½Å°í/ ÀÌ´ñ±Û¿¡´ñ±Û´Þ±â
Àúµµ ¼±Á¤µÈ msiÁ¦Ç°À» »ç¿ëÇϴµ¥ ÁÁ½À´Ï´Ù.
´Ù³ª¿Í¿¡º¸¸é ¿©·¯°¡Áö ¹®Á¦Á¡ÀÌ ¸¹´Ù°íµµ ³ª¿À´Âµ¥ Àü ¾Æ¹« ¹®Á¦¾øÀÌ Àß »ç¿ëÇϰí ÀÖÁö¿ä..
±èÇý¼º (heaye) / 05-12-01 14:10/ ÀÚ±¹/ ½Å°í/ ÀÌ´ñ±Û¿¡´ñ±Û´Þ±â
¾Æ·¡ dr.jonahan´Ô ±Û ÀÐÀ¸¸é..

±¹³» ¾ÈÆÄ´Â.. RAIDÁö¿ø ¿øÁ¶ÀÎ.. 30¸¸¿ø´ë ±â°¡¹ÙÀÌÆ® º¸µå³ª ÇØ¿Ü ÃÖ°í±ÞÁ¦Ç°À» ¹ß¸ÅÇÑ (±¹³»¿£ ½Î±¸·Á·Î À̸§³ôÀº ) ESCÁ¦Ç°À»....ÇØ¿ÜÁÖ¹®³Ö¾î ±¸¸ÅÇØ¼­...Á÷Á¢ Ç×°øÅùè·Î ¹Þ¾ÆºÁ¾ß°Ú±º¿©. ¾Æ´Ï¸é Áý¿¡ µ¥½ºÅ©Å¾ ´ë½Å ¼­¹ö¿ë ¸ÞÀκ¸µå¸¦ ±¸ÀÔÇÏ´øÁö¿©.


Àü °Á 3³âa/sº¸Àå¿¡ Ÿº¸µåº¸´Ù 2¸¸¿ø¹Û¿¡ ¾Èºñ½Ñ RAIDÁö¿ø ¸ÞÀκ¸µå¸¦ ÆÄ´Â.. Çѱ¹ASUS Á¦Ç°À».. °£ÆíÇÏ°Ô ±¹³» ¸ÅÀå¿¡¼­ ±¸ÀÔÇϵµ·Ï ±ÇÀåÇÏ·Æ´Ï´Ù. ¹«¾ùº¸´Ù Áö±Ý ½ÃÀå 1À§ ¾Æ´Õ´Ï±î.


ÀÌÁ¨ ¾ðÁ¦¸ÁÇÒÁö ¸ð¸£´Â ±¹³» ½Î±¸·ÁÀü¹® ¼öÀÔÀ¯Åë»çµéÀÌ À¯ÅëÇÏ´Â Á¦Ç°µéÀº ´«µµ ¾ÈÁÖ·Æ´Ï´Ù.

¾ÈâÁØ (dr.jonathan) / 05-12-01 16:14/ ÀÚ±¹/ ½Å°í/ ÀÌ´ñ±Û¿¡´ñ±Û´Þ±â
¾îµð¼­ 1À§·Î ¼±Á¤ÀÌ µÈ asus Á¦Ç°Àΰ¡¿ä? ÆÇ¸Å? ¿À¹öŬ·°? º¸µå³ª¶ó? ½Î±¸·Á ¼öÀÔ À¯Åë»ç? msi ÄÚ¸®¾Æµµ ½Î±¸·Á°í, À¯´ÏÅØ°ú Á¦À̾¾Çöµµ ½Î±¸·Á ¼öÀÔ À¯Åë»ç±º¿ä. Á¦À̾¾Çö°ú À¯´ÏÅØÀÌ ÀÌÂÊ¿¡¼­´Â °¡Àå Å« ±â¾÷À̰í, ¹ÌµðÅ×Å©µµ À¯´ÏÅØÀÇ ÀÚȸÀ̰í... ±×µéÀº ±â°¡¹ÙÀÌÆ®, msi, Æø½ºÄÜÀ» À¯ÅëÇϴµ¥... Àç¹ÌÀÖ±º¿ä. ÇØ¿Ü¿¡¼­ ±¸ÀÔÇ϶ó°í ÇÑ ÀûÀº ¾ø½À´Ï´Ù. ¾Æ¼ö½º ¿¹Âù·ÐÀ» ÆîÄ¡½Ã´Ï ±×¿¡ ´ëÇÑ ´äÀ» µå¸° °Í ÀÔ´Ï´Ù. ±×¸®°í ±× 30¸¸¿ø´ë´Â ¾î´À Á¦Ç°Àΰ¡¿ä? ¾Ë·ÁÁÖ¼¼¿ä~ ±Ã±ÝÇϳ׿ä.

¾ÈâÁØ (dr.jonathan) / 05-12-01 16:16/ ÀÚ±¹/ ½Å°í/ ÀÌ´ñ±Û¿¡´ñ±Û´Þ±â
À½.. 1À§´Â °¡´ÉÇÏÁÒ ÀüÅëÀûÀ¸·Î Ÿȸ»çº¸´Ù 2~3MHz ³ôÀº Ŭ·°À» Àΰ¡Çϰí ÀÖÀ¸´Ï~ ¿¹Àü¿¡ ¾Æ¼ö½º Æ®¸¯À̶ó°í À¯¸íÇßÁÒ. ¿äÁòµµ ±×·± °Í °°´øµ¥... ¿äÁòÀº ¾Æ´Ñ°¡¿ä?

ÇÏÀ̹پ´¾Ö (mygirl2) mygirl2´ÔÀÇ ¹Ìµð¾î·Î±× °¡±â  / 05-12-10 13:19/ ÀÚ±¹/ ½Å°í/ ÀÌ´ñ±Û¿¡´ñ±Û´Þ±â
asusÀÇ °¡°ÝÀÌ Áö³ªÄ¡°Ô ºñ½Ñ °Í »ç½ÇÀÌÁö¸¸ ±â´ÉÀ̳ª ¾ÈÁ¤¼ºÀº °¡Àå ³´³×¿ä.
Á¤¿ìÁø (jin7286) / 06-01-02 13:56/ ÀÚ±¹/ ½Å°í/ ÀÌ´ñ±Û¿¡´ñ±Û´Þ±â
¸ÞÀ̺¸µå ±¸¸Å¿¡ ¸¹À¸ µµ¿òÀ̵Ǵ ±â»çÀÎ°Í °°½À´Ï´Ù.
±èÁ¤¿ø (ytsc1225) / 06-01-04 22:59/ ÀÚ±¹/ ½Å°í/ ÀÌ´ñ±Û¿¡´ñ±Û´Þ±â
Á¦°¡ ECSº¸µå ¾²´Âµ¥¿ä ÄÄŸÁ¾·áÇϸé PS/2¸¶¿ì½º¿¡ ºÒÀÌ ¾È²¨Á®¿è....¹ã¿¡ ´«ºÎ½Å´Ù´Â...
¹ÚÈñÂù (olbbunfirst) / 06-02-17 14:32/ ÀÚ±¹/ ½Å°í/ ÀÌ´ñ±Û¿¡´ñ±Û´Þ±â
¾Æ¹«·¡µµ Àü ¾Æ¼ö½º°¡ ²ø¸°´Ù´Â...
Ææ2º¸µåºÎÅÍ °è¼Ó ¾Æ¼ö½ºº¸µå¸¸À» ¾²°íÀÖÁÒ.
¾à°£ °í°¡ÀÌÁö¸¸ ¾ÈÁ¤¼ºÀº ÃÖ°íÀ̱⠶§¹®À̶ó°í..
´Ð³×ÀÓ À¥º¿¹æÁö

ȨÀ¸·Î žÀ¸·Î
 
 
2026³â 03¿ù
ÁÖ°£ È÷Æ® ·©Å·

[°á°ú¹ßÇ¥] 2025³â 1ºÐ±â Æ÷ÀÎÆ® ¼ÒÁø ·Î¶Ç 17
[°á°ú¹ßÇ¥] 2025³â 4ºÐ±â Æ÷ÀÎÆ® ¼ÒÁø ·Î¶Ç 17
[°á°ú¹ßÇ¥] 2025³â 3ºÐ±â Æ÷ÀÎÆ® ¼ÒÁø ·Î¶Ç 16
[°á°ú¹ßÇ¥] 2025³â 2ºÐ±â Æ÷ÀÎÆ® ¼ÒÁø ·Î 18
[°á°ú¹ßÇ¥] 2024³â 4ºÐ±â Æ÷ÀÎÆ® ¼ÒÁø ·Î¶Ç 19

½Ç½Ã°£ ´ñ±Û
¼Ò¼È ³×Æ®¿öÅ©