| P35¿Í ´Þ¶óÁø P45ÀÇ Æ¯Â¡µé ÀÎÅÚ P45 Ĩ¼ÂÀº ¾Õ¼µµ ¾ð±ÞÇÏ¿´µíÀÌ ±âÁ¸ P35 Ĩ¼ÂÀ» 
			´ëüÇϴ Ĩ¼ÂÀ¸·Î P35 Ĩ¼Â°ú ´Þ¶óÁø ºÎºÐÀ» °£´ÜÈ÷ ¼Ò°³ÇÑ ÈÄ ¼¼ºÎÀûÀÎ ³»¿ëµéÀ» È®ÀÎÇϵµ·Ï ÇÏÀÚ. ÀÎÅÚ P45 Ĩ¼ÂÀº FSB Áö¿ø ¸¶Áö¸· Ĩ¼Â PCIe 1.1ÀÌ ¾Æ´Ñ PCIe 2.0 (PCI-Express 
			2.0) ±Ô°Ý Áö¿ø P45´Â PCIe x8 + x8 LaneÀÇ ±¸¼ºÀ¸·Î 
			CrossFire X¸¦ Áö¿ø ICH9¸¦ À̾î¹Þ´Â »õ·Î¿î ICH10 ½Ã¸®Áî »ç¿ì½ººê¸´Áö 
			Àû¿ë P45 Ĩ¼ÂÀÇ °æ¿ì 2008³â 6¿ù ¿¸®´Â ÄÄÇ»ÅØ½º 2008À» 
			ÅëÇØ ÀÚ¼¼ÇÑ Á¤º¸µéÀÌ °ø°³µÉ °ÍÀ¸·Î ¾Ë·ÁÁö°í Àִµ¥ ÇöÀç±îÁö °ø°³µÈ Á¤º¸µéÀ» Á¾ÇÕÇϸé À§ 4°¡Áö Á¤µµ°¡ ÇöÀç »õ·Ó°Ô µîÀåÇÒ 
			P45 Ĩ¼ÂÀÌ °¡Áö°Ô µÉ Ư¡À¸·Î ¾Ë·ÁÁø »óÅÂÀÌ´Ù. Âü°í·Î P3/ G3 ½Ã¸®Áî´Â ÄÚµå¸í Bearlake¸¦ »ç¿ëÇß°í P4/ 
			G4 ½Ã¸®Áî´Â Eaglelake¸¦ ÄÚµå¸íÀ¸·Î »ç¿ëÇϰí ÀÖ´Ù. ÁÖ¸ñÇÒ ºÎºÐÀº P35 Ĩ¼ÂÀÌ PCIe 1.1 ±Ô°Ý¸¸ Áö¿øÇϰí 
			»óÀ§ X38À̳ª X48 Ĩ¼Â¿¡¼¸¸ Áö¿øµÇ°í ÀÖ´ø PCIe 2.0À» Áö¿øÇÏÁö ¸øÇÏ¿´´ø °Í°ú ´Þ¸® P45 Ĩ¼ÂÀº PCIe 
			2.0 ±Ô°ÝÀ» Áö¿øÇϰí PCIe x8 + x8 LaneÀÇ ±¸¼ºÀ¸·Î AMD ATIÀÇ CrossFire X¸¦ Áö¿øÇÏ´Â Á¡, 
			±×¸®°í ICH9 ½Ã¸®Á ÀÕ´Â »õ·Î¿î ICH10 ½Ã¸®Áî »ç¿ì½ººê¸´Áö¸¦ µµÀÔÇÏ¿© ÀåÄ¡ Áö¿ø¿¡¼ Çâ»óÀÌ ÀÌ·ç¾îÁö°Ô µÈ´Ù. ¡¡ ±×·¯¸é, ÀÌÁ¦ºÎÅÍ P45¿Í P35 Ĩ¼ÂÀÇ ´Þ¶óÁø ºÎºÐµéÀ» ÇÔ²² 
			»ìÆìº¸µµ·Ï ÇÏÀÚ. ¡¡ FSB Áö¿øÀº P45 Ĩ¼ÂÀÌ ¸¶Áö¸·ÀÌ´Ù. 
			 
			[Intel P4 ½Ã¸®Áî Ĩ¼ÂÀ» ¸¶Áö¸·À¸·Î ³×ÇÒ·½ Áö¿ø Ĩ¼ÂµéÀÌ µîÀåÇÑ´Ù!] ÇöÀç °ø°³µÈ ÀÎÅÚÀÇ ·Îµå¸ÊÀ» º¸¸é P4/ G4 ½Ã¸®ÁîÀÇ µîÀå 
			ÀÌÈÄ FSB¸¦ Áö¿øÇÏ´Â ´õ ÀÌ»óÀÇ »õ·Î¿î Ĩ¼Â¿¡ ´ëÇÑ Á¤º¸´Â ³ªÅ¸³ª°í ÀÖÁö´Â ¾ÊÀ¸¸ç, »õ·Î¿î ÇÁ·Î¼¼¼ÀÎ ³×ÇÒ·½ (Nehalme) 
			¿ÃÇØ ¸»¿¡ µîÀåÇÏ°Ô µÇ¸é¼ FSB°¡ »ç¶óÁö°í QPI¶ó´Â »õ·Î¿î ÀÎÅÍÆäÀ̽º°¡ µîÀåÇÏ°Ô µÈ´Ù. FSB´Â ÆæÆ¼¾ö4 ÀÌÈÄ ÀÎÅÚÀÌ À¯ÁöÇØ¿Â CPU¿Í ³ë½ººê¸´Áö 
			°£ÀÇ µ¥ÀÌÅÍ À̵¿ Åë·Î µîÀÇ ¿ªÇÒÀ» ÇØ¿Â °ÍÀ¸·Î ÇöÀç FSB 400/ 533 /667/ 800/ 1066À» °ÅÃÄ 1333/ 
			1600MHz±îÁö Ŭ·°À» ³ô¿©¿À°í ÀÖÀ¸¸ç, Quad Pumped Bus¸¦ µµÀÔÇÏ¿© ÇϳªÀÇ »çÀÌŬ¿¡ µ¥ÀÌÅ͸¦ 4¹ø Àü¼ÛÇÏ¿© 
			¿ÜºÎ Àü¼Û Ŭ·°Àº À¯ÁöÇÏ¸é¼ ³»ºÎ µ¥ÀÌÅÍ Àü¼Û·üÀ» 4¹è·Î ³ô¿© ¼º´ÉÀ» ³ô¿©¿Ô´Ù.  ÀÌ¿¡ µû¶ó ÇöÀç ÁÖ·ÂÀÎ ÄÚ¾î2 µà¿À¿Í Äõµå Á¦Ç°±ºµéÀº 
			FSB1066MHz¸¦ °ÅÃÄ 1333MHz 1600MHz±îÁö FSB¸¦ ³ôÀÎ Á¦Ç°À» ³»³õ¾Ò´Ù. 65nm °øÁ¤ ÈÄ¹Ý Á¦Ç°°ú 
			»õ·Î¿î 45nm °øÁ¤ÀÇ µà¾ó°ú Äõµå ÄÚ¾î ÇÁ·Î¼¼¼µéÀº FSB1066MHz¿¡¼ FSB1333MHz·Î Ŭ·°À» ³ô¿´À¸¸ç, ÄÚ¾î2 
			ÀͽºÆ®¸² Á¦Ç° Áß QX9770ÀÌ ÇöÀç FSB1600MHz¸¦ Áö¿øÇϰí ÀÖ´Ù. FSB1333MHzÀÇ Å¬·°ÀÇ CPUµéÀº Quad Pumped 
			Bus¿¡ µû¶ó 333MHz x 4·Î 1333MHzÀÇ FSB¸¦ ±¸¼ºÇϰí 10.7GB/s (1333MHz x 64bit / 
			8)ÀÇ ´ë¿ªÆøÀ» °¡Áö¸ç, FSB1600MHz´Â 12.8GB/s (1600MHz x 64bit / 8)ÀÇ ´ë¿ªÆøÀ» È®º¸ÇÒ ¼ö 
			ÀÖ°Ô µÈ´Ù. ÀϹÝÀûÀ¸·Î CPUÀÇ FSB¿Í ÇÔ²² ¸Þ¸ð¸® Ŭ·° Áõ°¡¿Í ÇÔ²² 
			´ë¿ªÆøÀÌ ³ô¾ÆÁú ¶§ °¡Àå ¼º´ÉÀÌ ÁÁ¾ÆÁö¹Ç·Î »õ·Î¿î Ĩ¼ÂµéÀº ±×¿Í ÇÔ²² ¸Þ¸ð¸® ŸÀÔÀÇ º¯°æÀ̳ª ¸Þ¸ð¸® Ŭ·°À» ³ô¿© ¸Þ¸ð¸® 
			´ë¿ªÆøµµ ´Ã·Á¿À°í ÀÖ´Ù. ÀÌ·¸µí P45 Ĩ¼ÂÀÇ µîÀå ÀÌÈÄ¿¡´Â »õ·Î¿î ³×ÇÒ·½ ÇÁ·Î¼¼¼°¡ 
			µîÀåÇϹǷΠ´õ ÀÌ»ó ÇöÀçÀÇ ÇÁ·Î¼¼¼ Áö¿øÀ» À§ÇÑ Ä¨¼ÂµéÀº µîÀåÇÒ ÀÌÀ¯°¡ ¾øÀ¸¸ç, »õ·Î¿î ÇÁ·Î¼¼¼¿¡ ¸Â´Â »õ·Î¿î ¹æ½ÄÀÇ 
			¼ÒÄϰú QPI¸¦ Áö¿øÇϴ Ĩ¼ÂµéÀÌ µîÀåÇÏ°Ô µÈ´Ù. ¡¡ 
			P35¿Í °°Àº FSB Áö¿ø, ±×¸®°í DDR2-800, DDR3-1066MHz Áö¿ø 
			 
			 
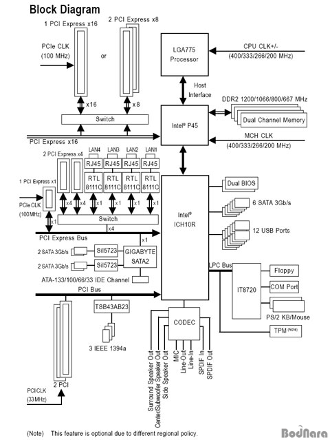
			[P35 (Ãâó : intel.com) (»ó)/ P45 ´ÙÀ̾î±×·¥ (ÇÏ)] P35 Ĩ¼ÂÀº ÇöÀç ÀÎÅÚ¿¡¼ ÀÌ Ä¨¼Â¿¡ ´ëÇÑ Á¤º¸¸¦ Á¦°øÇϰí 
			ÀÖÀ¸³ª, P45 Ĩ¼ÂÀº ±×·¸Áö ¸øÇÏ¿´±â ¶§¹®¿¡ ¸ÞÀκ¸µå Á¦Á¶»çÀÎ GIGABYTE»çÀÇ ºí·° ´ÙÀ̾î±×·¥À» ÅëÇØ ±× Â÷À̸¦ 
			È®ÀÎÇÒ ¼ö ÀÖ´Ù. P35¿Í P45ÀÇ FSB Áö¿øÀº FSB 800/ 1066/ 
			1333MHz±îÁö ÇÁ·Î¼¼¼µéÀÌ °ø½ÄÀûÀ¸·Î Áö¿øÇϰí ÀÖ´Â °ÍÀº ¼·Î µ¿ÀÏÇϸç, FSB1600MHzÀÇ Áö¿øÀº ¿©ÀüÈ÷ ¿À¹öŬ·°À» 
			ÅëÇØ Áö¿øÇϰí ÀÖ´Ù.  ¸Þ¸ð¸® Áö¿ø ºÎºÐ¿¡¼´Â P35¿Í P45´Â µ¿ÀÏÇÑ DDR2¿Í 
			DDR3 ¸Þ¸ð¸®¿Í Ŭ·°À» Áö¿øÇÑ´Ù. P35ÀÇ °æ¿ì DDR2-667/ 800, DDR3-800/ 1066MHz¸¦ °ø½ÄÀûÀ¸·Î 
			Áö¿øÇϴµ¥ P45 ¿ª½Ã DDR2-667/ 800MHz¿Í DDR3-800/ 1066MHz¸¦ °ø½Ä Áö¿øÇÑ´Ù. µû¶ó¼, P35¿Í 
			°°Àº DDR2-1066MHz ( 17.0GB/s (1066MHz x 128bit/ 8 =17056MB/s))ÀÇ ´ë¿ªÆøÀ» È®º¸ÇÒ ¼ö ÀÖ´Ù. 
			(DDR3-1066MHz±îÁö¸¸ Áö¿ø - 
			
			ÄÄÇ»ÅØ½º 2008 : ÀÎÅÚ P4 / G4 ½Ã¸®Áî ¹ßÇ¥, 
			2008³â 6¿ù 4ÀÏ) ¸Þ¸ð¸® Áö¿ø ÃÖ´ë ¿ë·® ºÎºÐ¿¡¼´Â ÇöÀç X38/ X48°ú 
			P35 ¸ðµÎ ÃÖ´ë 8GB·Î ³ªÅ¸³ªÀִµ¥ P45µµ ¸¶Âù°¡Áö·Î 8GB ¿ë·®À» Áö¿øÇÑ´Ù. ¶Ç, ÀÌÀü P35°¡ Áö¿øÇϰí ÀÖ´ø 
			Intel Flex Memory ±â¼úÀ» ÅëÇØ ¼·Î ´Ù¸¥ ¿ë·®ÀÇ ¸Þ¸ð¸®¸¦ ÅëÇØ µà¾ó ä³Î ¸ðµå ±¸¼ºµµ °¡´ÉÇÏ´Ù. P45¿¡¼µµ DDR2¿Í DDR3 ¸Þ¸ð¸®ÀÇ 2°¡Áö¸¦ Áö¿øÇϰí 
			ÀÖÁö¸¸, DDR3´Â DDR2¿Í ºñ±³ÇÏ¿© ³·¾ÆÁø ¼ÒºñÀü·ÂÀ̳ª ³ôÀº µ¿ÀÛ¼Óµµ¿Í ¼º´É µîÀÇ ÀåÁ¡ÀÌ ÀÖÁö¸¸, ¾ÆÁ÷±îÁö´Â »ó´ëÀûÀ¸·Î 
			³ôÀº °¡°ÝÀ¸·Î ÀÎÇÏ¿© ¸¹Àº »ç¿ëÀÚµéÀÌ »ç¿ëÇÏÁö ¸øÇϰí ÀÖ´Ù. ÇÏÁö¸¸, ¿ÃÇØ ¸» µîÀåÇÒ ³×ÇÒ·½ ÇÁ·Î¼¼¼¿¡¼ DDR3 Áö¿ø 
			¸Þ¸ð¸® ÄÁÆ®·Ñ·¯°¡ ³»ÀåµÇ¹Ç·Î Á¡Â÷ DDR3ÀÇ ºñÁßÀÌ ³ô¾ÆÁú °ÍÀº ºÐ¸íÇÏ´Ù. ±×·¯³ª, Áö±Ý ´çÀåÀº DDR2°¡ ÀåÁ¡ÀÌ ´õ ¸¹±â 
			¶§¹®¿¡ P45 ¸ÞÀκ¸µåµé ¿ª½Ã DDR2 Áö¿ø Á¦Ç°µéÀÌ DDR3 Áö¿ø Á¦Ç°µéº¸´Ù ´õ ¸¹Àº ¼ö°¡ µîÀåÇÒ °ÍÀº ºÐ¸íÇÏ´Ù. ±× ¿Ü¿¡ À©µµ¿ì ºñ½ºÅ¸¿¡¼ Áö¿øÇϰí ÀÖ´Â Ready 
			Drive¿Í Ready Boost Áö¿øÀ» À§ÇÑ Intel Turbo Memory¿Í ¼ÒÀ½À» ÁÙÀÏ ¼ö ÀÖ´Â ±â¼úÀÎ Intel 
			Quiet System Technology¸¦ Áö¿øÇÒ ¼ö ÀÖÀ¸¸ç, º¸¾ÈÀ» À§ÇØ »ç¿ëµÇ´Â TPM (Trustred 
			Platform Moduleµµ »ç¿ëÇÒ ¼ö ÀÖ´Ù. ÀÌµé ±â´ÉÀº ¿É¼ÇÀ¸·Î Ãß°¡µÉ °æ¿ì °¡°Ý »ó½Â ¿äÀÎÀÌ µÈ´Ù.   ÀÎÅÚ X38/ X48°ú P45/ P35 Express 
			Ĩ¼Â ½ºÆåºñ±³ 
				
					| 
					Intel X48/ X38/ P45/ P35 
					Express Ĩ¼Â |  
					| ±¸ºÐ | X48 | X38 | P45 | P35 |  
					| 
					CPU | Core2 Extreme/ Core2 Quad/ Core2 Duo/ Pentium4/ Celeron D | Core2 Extreme/ Core2 Quad/ Core2 Duo/ Pentium4/ Celeron D | Core2 Extreme/ Core2 Quad/ Core2 Duo/ Pentium4/ Celeron D | Core2 Extreme/ Core2 Quad/ Core2 Duo/ Pentium4/ Celeron D |  
					| 
					FSB | 800/ 1066/ 1333/ 1600MHz | 800/ 1066/ 1333MHz | 533/ 800/ 1066/ 1333MHz | 533/ 800/ 1066/ 1333MHz |  
					| ¸Þ¸ð¸® | DDR2-667/ 800, DDR3-800/ 1066/ 1333/ 1600MHz (XMP) | DDR2-667/ 800, DDR3-800/ 1066/ 1333MHz | DDR2-667/ 800, DDR3-800/ 1066MHz | DDR2-667/ 800, DDR3-800/ 1066MHz |  
					| PCIe | PCIe 2.0 | PCIe 2.0 | PCIe 2.0 | PCIe1.1 |  
					| ¸ÖƼ GPU | PCIe x16 + x16 Lane | PCIe x16 + x16 Lane | PCIe x8+ x8 Lane | PCIe x16 + x4 Lane |  
					| »ç¿ì½ººê¸´Áö | ICH9 (DH/ R) | ICH9 (DH/ R) | ICH10 (R) | ICH9 (DH/ R) |  ÀÎÅÚ P45 Ĩ¼ÂÀ» ±âÁ¸¿¡ µîÀåÇÑ ÇÏÀÌ¿£µå Ĩ¼ÂÀÎ X38/ 
			X48°ú P35 Ĩ¼Â 3Á¾°ú ºñ±³ÇÑ Ç¥ÀÌ´Ù.  ÇÏÀÌ¿£µå Ĩ¼ÂÀÎ X38°ú ¾ó¸¶ Àü µîÀåÇÑ X48ÀÇ µÎ Ĩ¼ÂÀº 
			ÇÏÀ§ÀÇ P45/ P35¿Í ºñ±³ÇÏ¿© ¸¹Àº Â÷À̸¦ º¸À̰í Àִµ¥ ƯÈ÷, X48°ú X38Àº DDR3 ¸Þ¸ð¸®¸¦ ÅëÇØ XMP 
			(Intel XMP Specification, Intel Extreme Memory Profiles)¸¦ Áö¿øÇϰí ÀÖ´Ù. 
			XMP ±â¼úÀº NVIDIA¿¡¼ Á¦°øÇÏ´Â EPP ¸Þ¸ð¸®¿Í À¯»çÇÑ °ÍÀ» XMP ½ºÆå¿¡ ÁØÇÏ´Â ÃÖÀûÀÇ µ¿ÀÛ Å¬·°À» Àû¿ëÇÒ ¼ö 
			ÀÖµµ·Ï ÇØÁÖ¸ç, EPP°¡ DDR2¸¸ Áö¿øÇÏ´Â °Í°ú ´Þ¸® XMP´Â DDR3¿¡¼¸¸ Áö¿øµÈ´Ù. X48Àº DDR3-1600MHzÀÇ 
			µ¿ÀÛ Å¬·°À» XMP ¸Þ¸ð¸® ¸ðµâÀ» ÅëÇØ Àû¿ëÇÒ ¼ö ÀÖ´Ù. ¶Ç, X48/ X38Àº PCIe 2.0 ±Ô°ÝÀ» Áö¿øÇϰí 
			ÀÖÀ¸¸ç, P45 ¿ª½Ã PCIe 2.0À» Áö¿øÇϳª P35´Â PCIe 1.1À» Áö¿øÇϰí ÀÖ´Ù. ¸ÖƼ GPU ±¸¼º¿¡¼µµ »óÀ§ 
			X48°ú X38Àº PCIe 2.0 x16 + x16 LaneÀ¸·Î ÃÖÀûÀÇ ±¸¼ºÀÌ °¡´ÉÇÑ ¹Ý¸é, P35´Â PCIe 1.1 
			x16 + x4 LaneÀ¸·Î AMD ATI CrossFire¸¦ Áö¿øÇÑ´Ù. P45´Â PCIe 2.0 ±Ô°Ý Áö¿ø°ú ÇÔ²² 
			PCIe x8 + x8 LaneÀÇ ±¸¼ºÀ¸·Î i975X¿Í °°Àº Lane ±¸¼ºÀ» Áö¿øÇϰí X48/ X38°ú ´Þ¸® »õ·Ó°Ô È®ÀåµÈ 
			AMD ATI CrossFire X¸¦ Áö¿øÇÒ ¼ö ÀÖ´Ù. ÀϺΠ¸ÞÀκ¸µå Á¦Á¶»çµé¿¡¼´Â PCIe x4 Lane 2°³¸¦ Ãß°¡·Î 
			Á¦°øÇÏ¿© PCIe x8 + x4 + x4 + x8 Lane ±¸¼ºÀ» ÅëÇØ 4°³ÀÇ ±×·¡ÇÈ Ä«µå·Î ÃÖ´ë 8°³ÀÇ ¸ð´ÏÅ͸¦ Áö¿øÇÒ 
			¼ö ÀÖ°Ô ¸¸µç Á¦Ç°µµ µîÀåÇÏ°Ô µÈ´Ù. ¡¡ ÀÎÅÚ P4/ G4 Express Ĩ¼Â ½ºÆåºñ±³ 
				
					| 
					Intel P4/ G4 Express Ĩ¼Â |  
					| ±¸ºÐ | P45 | P43 | G45 | G43 |  
					| 
					CPU | Core2 Extreme/ Core2 Quad/ Core2 Duo/ Pentium4/ Celeron D | Core2 Extreme/ Core2 Quad/ Core2 Duo/ Pentium4/ Celeron D | Core2 Extreme/ Core2 Quad/ Core2 Duo/ Pentium4/ Celeron D | Core2 Extreme/ Core2 Quad/ Core2 Duo/ Pentium4/ Celeron D |  
					| 
					FSB | 533/ 800/ 1066/ 1333MHz | 533/ 800/ 1066/ 1333MHz | 533/ 800/ 1066/ 1333MHz | 533/ 800/ 1066/ 1333MHz |  
					| ¸Þ¸ð¸® | DDR2-667/ 800, DDR3-800/ 1066MHz | DDR2-667/ 800, DDR3-800/ 1066MHz | DDR2-667/ 800, DDR3-800/ 1066MHz | DDR2-667/ 800, DDR3-800/ 1066MHz |  
					| PCIe | PCIe 2.0 | PCIe 2.0 | PCIe 2.0 | PCIe 2.0 |  
					| ¸ÖƼ GPU | PCIe x8 + x8 Lane | PCIe x16 Lane | PCIe x16 Lane | PCIe x16 lane |  
					| ±×·¡ÇÈ ³»Àå | No | No | Yes (GMA X4500HD) | Yes (GMA X4300) |  
					| »ç¿ì½ººê¸´Áö | ICH10 (R) | ICH10 (R) | ICH10 (R) | ICH10 (R) |  ÀÎÅÚ P4/ G4 ½Ã¸®Áî´Â ÀÌÀüÀÇ P3/ G3 ½Ã¸®Áî¿Í 
			¸¶Âù°¡Áö·Î °¢°¢ÀÇ Ä¨¼ÂÀ» µÑ·Î ³ª´©¾î º¸±ÞÇü ½ÃÀå±îÁö ³ª´ ¼ö ÀÖµµ·Ï Çϰí ÀÖ´Ù. P4 ½Ã¸®Áî´Â ³»Àå ±×·¡ÇÈÀ» Æ÷ÇÔÇÏÁö 
			¾ÊÀ¸¸ç, P45¿Í P43ÀÇ 2°¡Áö°¡ ÀÖ°í P43Àº ¸ÖƼ GPU ±â¼úÀÌ Á¦¿ÜµÇ°í DDR3 Áö¿ø¿¡¼ ÇÑ ´Ü°è¾¿ ³·Àº Ŭ·°À» 
			Áö¿øÇÏ°Ô µÈ´Ù. »ç¿ì½ººê¸´Áö Á¶ÇÕ¿¡¼ ¿ª½Ã RAID¸¦ Áö¿øÇÏ´Â ICH9RÀº Á¦¿ÜµÇ¾î ´õ Àú·ÅÇÑ ½ÃÀåÀ» Ÿ°ÙÀ¸·Î ÇÏ°Ô µÈ´Ù.  G4 ½Ã¸®Áî ¿ª½Ã G45´Â »óÀ§ Ĩ¼Â´ä°Ô ³»Àå ±×·¡ÇÈ Ä¨¼Â 
			¿ª½Ã GMA X4500HD, X4300À» °¢°¢ »ç¿ëÇÏ°Ô µÈ´Ù. G45ÀÇ °æ¿ì MPEG-2, VC-1, H264 Çϵå¿þ¾î 
			°¡¼ÓÀ» Áö¿øÇϸç, G43Àº MPEG-2 Çϵå¿þ¾î °¡¼Ó¸¸À» Áö¿øÇÏ´Â Â÷À̸¦ º¸ÀÌ´Â °ÍÀ¸·Î ¾Ë·ÁÁø »óÅ´Ù. ¶Ç, P45¿Í ´Þ¸® 
			G45/ G43Àº ¸ðµÎ ¸ÖƼ GPU Áö¿øÀ» Æ÷ÇÔÇÏÁö ¾Ê´Â´Ù. ±× ¿Ü DirectX 10 Áö¿ø, OpenGL 2.0, 
			HDCP ¿ÂĨ, HDMI/ DVI/ DisplayPort/ SDVO, µ¶¸³µÈ µà¾ó µð½ºÇ÷¹ÀÌ Áö¿ø, ºñ½ºÅ¸ ÇÁ¸®¹Ì¾ö ÀÎÁõ, 
			Intel Clear Video Technology, Dynamic Video Memory´Â ÃÖ´ë 384MB¸¦ Áö¿øÇÏ´Â 
			ºÎºÐÀº °øÅëÀûÀÎ »çÇ×À¸·Î ¾Ë·ÁÁö°í ÀÖ´Ù. |