±âȹ
 






 
 
 




Àü¼Û 2002-12-07 00:11
[º¥Ä¡]

³­ ¿À¹öŬ·°À» ¾Ë¾Æ! i845PE¸ÞÀκ¸µå ¿À¹öŬ·° º¥Ä¡ (1ºÎ)

1. óÀ½ 2. ³­ ¿À¹öŬ·°À» ¾Ë¾Æ - 1
3. ³­ ¿À¹öŬ·°À» ¾Ë¾Æ - 2 4. ¿À¹öŬ·° º¥Ä¡¸¶Å©¸¦ ½ÃÀÛÇÑ ÀÌÀ¯.
5. Å×½ºÆ® »ç¾ç ¹× Å×½ºÆ®ÀÇ ¹æ¹ý 6. ABIT BE7 - Àü¿øºÎ ±¸¼º ¾Ë¾Æº¸±â (1)
7. ABIT BE7 - Àü¿øºÎ ±¸¼º ¾Ë¾Æº¸±â (2) 8. ABIT BE7 - ½ÇÀü ¿À¹öŬ·° Å×½ºÆ® (1)
9. ABIT BE7 - ½ÇÀü ¿À¹öŬ·° Å×½ºÆ® (2)

     7. ABIT BE7 - Àü¿øºÎ ±¸¼º ¾Ë¾Æº¸±â (2)


Mosfet µå¶óÀ̹ö IC

DSCN0247s.jpg DSCN0250s.jpg DSCN0249s.jpg

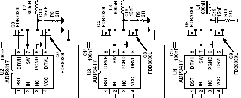
´ÙÀ½ÀÇ ±×¸²µéÀº À§ÀÇ ½ºÀ§Äª ·¹±Ö·¹ÀÌÅÍÀÇ ½ºÀ§Ä¡ÀÎ MosfetÀ» Á¶ÀÛÇϱâ À§ÇÑ µå¶óÀ̹ö ĨÀ¸·Î À§ÀÇ ½ºÀ§Äª ·¹±Ö·¹ÀÌÅÍÀÎ ADP3165°¡ 2~3 Phase¸¦ Áö¿øÇÏ´Â ½ºÀ§Äª ·¹±Ö¸®ÀÌÅÍ¿¡¼­ Phase±¸¼ºÀ» ½ÇÁ¦ ¾î¶»°Ô Çϰí ÀÖ´ÂÁö ¾Ë¾Æº¼ ¼ö ÀÖ´Â °¡Àå °áÁ¤Àû ´Ü¼­°¡ ÀÌ µå¶óÀ̹ö ĨÀÌ´Ù.

À§ÀÇ µå¶óÀ̹öĨÀº Çϳª°¡ ÇϳªÀÇ Phase¸¦ ±¸¼ºÇϴµ¥ »ç¿ëµÇ¸ç ÇØ´ç µå¶óÀ̹öĨ´ç µÎ °³ÀÇ MosfetÀ» ÄÁÆ®·Ñ Çϵµ·Ï µÇ¾îÀÖ´Ù. ´Ü ½ºÀ§Äª ·¹±Ö·¹ÀÌÅÍ¿Í À̸¦ Áö¿øÇÏ´Â µå¶óÀ̹ö ĨÀº ¸ðµÎ µ¿ÀÏÇÑ È¸»ç¿¡¼­ Á¦Á¶ÇÑ Á¦Ç°À» »ç¿ëÇϵµ·Ï µÇ¾îÀÖÁö¸¸ ½ÇÁ¦ ½ºÀ§Ä¡ÀÎ MosfetÀÇ °æ¿ì´Â ±Ô°ÝÀÌ Á¤ÇØÁø ¹üÀ§¿¡¼­ °¡°Ý´ë¸¦ »ý°¢ÇÏ¿© Ÿ ȸ»çÀÇ Á¦Ç°À» »ç¿ëÇØµµ ±¦Âúµµ·Ï µÇ¾îÀÖ´Ù.

»ç½Ç ÀÌ·± Àü¿øºÎ ±¸¼º Á¦Ç°À» ¸¸µå´Â Á¦Á¶»ç´Â ÇØ´ç Á¦Ç°ÀÇ Datasheet¿¡ ´ëºÎºÐ Àü¿øºÎÀÇ ±¸¼º ȸ·Îµµ¿Í ±¸¼º ºÎǰ±îÁö ¸í½ÃÇÏ´Â °æ¿ì°¡ ¸¹Àºµ¥ BE7¿¡ »ç¿ëµÈ ADP3165´Â ¾ÆÁ÷ Datasheet°¡ ¿Ã¶ó¿ÀÁö ¾Ê¾ÒÀ¸¸ç µå¶óÀ̹ö ĨÀÎ ADP3417ÀÇ Datasheet¸¸ÀÌ µî·ÏµÇ¾îÀÖ´Ù. ÇÏÁö¸¸ µå¶óÀ̹öĨÀÇ Datasheet¿¡¼­ ADP3165ÀÇ ÇÏÀ§¹öÁ¯ÀÎ ADP3163°úÀÇ ±¸¼ºÀ¸·Î ÀÌ·ç¾îÁö´Â Àü¿øºÎÀÇ ±¸¼º°ú °üÇÑ ³»¿ëÀ» ¾Ë ¼ö ÀÖ´Â ºÎºÐµéÀÌ Àִµ¥ ¾Æ·¡ÀÇ Ä¸ÃÄÈ­¸éÀ» º¸ÀÚ.

adp3417.jpg

ÀÌ Ä¸ÃÄÈ­¸éÀº BE7ÀÇ Àü¿øºÎ µå¶óÀ̹öĨÀÎ ADP3163°ú ADP3417ÀÇ 65A Pentium4Àü¿øºÎ¸¦ ±¸¼ºÇϴ ǥÁØ È¸·ÎµµÁßÀÇ µå¶óÀ̹ö ICºÎºÐÀε¥ À§ÀÇ »çÁø¿¡¼­ º¼ ¼ö ÀÖµíÀÌ MosfetÀÇ »ç¿ë¿¡ ¾î´À Á¦Ç°À» »ç¿ëÇÒÁö±îÁö ¸í½ÃÇϰí ÀÖ´Â °ÍÀ» º¼ ¼ö ÀÖ´Ù. ÇÏÁö¸¸ A.D¿¡¼­ Ç¥ÁØÀ¸·Î Á¦½ÃÇÑ MosfetÀÎ FDB7030L°ú FDB8030LÀº ÀåÂøµÇ¾îÀÖÁö ¾ÊÀ¸¸ç ´Ù¸¥ MosfetÀÌ ÀåÂøµÇ¾îÀÖ´Ù.

¹¹ ÀÌ¹Ì ¸»ÇßÁö¸¸ ¾îÂ÷ÇÇ MosfetÀº ´Ü¼øÈ÷ ½ºÀ§Ä¡ ±â´É¸¸À» Á¦°øÇØÁֱ⿡ ²À µ¿»çÀÇ Á¦Ç°À» »ç¿ëÇÏÁö ¾Ê¾Æµµ µÇ¸ç ¿©±â¼­ ±Ç°íÇϰí ÀÖ´Â FDB7030L°ú FDB8030Lµµ A.D»çÀÇ Á¦Ç°ÀÌ ¾Æ´Ñ Fairchild»çÀÇ Á¦Ç°ÀÌ´Ù. µû¶ó¼­ MosfetºÎºÐÀº A.D»ç¿¡¼­ ±Ç°íÇÏ´Â ½ºÆå¿¡¸¸ ¸Â´Â °ÍÀ» ÀåÂøÇÏ¸é µÇ´Âµ¥ ¿ª½Ã ÀÌ ºÎºÐÀº °¡°ÝÀûÀÎ Ãø¸é±î½Ã »ý°¢ÇÏ¿© Ÿ Á¦Ç°À¸·Î ÀåÂøµÈ °ÍÀ¸·Îµµ º¼ ¼öµµ ÀÖÀ¸¸ç À̿ʹ ´Ù¸¥ »ý°¢µµ °¡Áú ¼ö Àִµ¥ ¾Æ·¡¸¦ º¸ÀÚ.

À̹ø º¥Ä¡¸¶Å©¸¦ ½ÃÀÛÇÏ°ÔµÈ ÀÌÀ¯¿¡¼­ ¿À¹öŬ·° º¥Ä¡ÀÇ À¯¿ëÇÔ¿¡ ´ëÇØ ¾ð±ÞÇϸ鼭 INTELÀÌ ±Ç°íÇÑ 70AÀÇ Àü¿øºÎ±¸¼º¿¡ ´ëÇØ Àá±ñ ¾ð±ÞÇÏ¿´´Âµ¥ ÀÌ ADP3163°ú ADP3417ÀÇ Àü¿øºÎ ±¸¼º¿¡ ³ª¿ÍÀÖ´Â ±¸¼ºÀº ÃÖ´ë 65A¸¸À» Áö¿øÇÏ´Â Àü¿øºÎÀ̱⿡ °¡°ÝÀûÀÎ ¸éÀ» »ý°¢ÇÒ ¼öµµ ÀÖÁö¸¸ 70A±Ô°ÝÀ» Áö¿øÇÒÁöµµ ¸ð¸£´Â ADP3165 ½ºÀ§Äª ·¹±Ö·¹ÀÌÅÍÀÇ Á¶ÇÕ ¶§¹®¿¡ MosfetÀ» Á»´õ È¿À²ÀûÀÎ Á¦Ç°À¸·Î ±³Ã¼ÇÏ¿´´ÂÁöµµ ¸ð¸¦ ÀÏÀÌ´Ù. ÀÌ´Â ·¹±Ö·¹ÀÌÅ͸¦ ±¸µ¿½ÃŰ´Â ½ºÀ§Ä¡¸¦ Á»´õ ºü¸¥ Á¦Ç°À¸·Î ´ëüÇϰųª ½ºÀ§Ä¡¸¦ ´Ã¸± °æ¿ì »ó´ëÀûÀ¸·Î ´À¸± MosfetÀ» ÀåÂøÇÑ °æ¿ìº¸´Ù º¸´Ù ¸¹Àº Àü·ù¸¦ Ãâ·ÂÇØ ³¾ ¼ö Àֱ⠶§¹®À̸ç ÀÌ·ÎÀÎÇØ BE7ÀÇ MosfetÀÌ Å¸ Á¦Ç°À¸·Î ±³Ã¼µÇ¾ú´ÂÁöµµ ¸ð¸¥´Ù°í ÇÑ °ÍÀÌ´Ù.

¾ÆÁ÷ BE7ÀÇ ½ºÀ§Äª ·¹±Ö·¹ÀÌÅÍÀÎ ADP3165°¡ ÃÖ´ë ¾î´ÀÁ¤µµ±îÁö Àü·ù¸¦ Ãâ·ÂÇØ³¾ ¼ö ÀÖ´ÂÁö DataSheet¸¦ ãÀ» ¼ö ¾ø¾î ¾Ë ¼ö ¾øÁö¸¸ ADP3163°ú ADP3147ÀÇ Á¶ÇÕÀ¸·Î ÀÌ·ç¾îÁø Àü¿øºÎÀÇ ±¸¼ºÀÌ º¸ÆíÀûÀ¸·Î65AÀÇ Pentium4Àü¿øºÎ¿¡ »ç¿ëµÇ´Â °ÍÀÓÀ» ¾Ë ¼ö Àֱ⿡ ±× »óÀ§¹öÁ¯ÀÎ ADP3165¿ÍÀÇ Á¶ÇÕÀº BE7ÀÇ Àü¿øºÎ°¡ 70AÀÇ Àü·ù¸¦ °ø±ÞÇÒ ¼ö ÀÖ´ÂÁö °£Á¢ÀûÀ¸·Î ¾Ë ¼ö ÀÖ°Ô ÇØÁØ´Ù. ÇÏÁö¸¸ Á» ´Ù¸¥ °Íµµ º¼ ¼ö Àִµ¥ ¾Æ·¡¸¦ º¸ÀÚ..

Ãâ·Â ¹öÆÛºÎ(ijÆÛ½ÃÅÍ)

DSCN0252s.jpg adp34172.jpg

À̰ÍÀº Àü¿øºÎÀÇ ±¸¼ºÀ» ¾Ë¾Æº¸´Â ¸¶Áö¸·ºÎºÐÀÎ Ãâ·Â ¹öÆÛºÎÀΠijÆÛ½ÃÅͷμ­ óÀ½ Àüü À̹ÌÁö¿¡¼­ ºÃ°ÚÁö¸¸ Ãâ·ÂºÎÀÇ ¹öÆÛ·Î »ç¿ëµÈ ijÆÛ½ÃÅÍ´Â ÃÑ 6°³ÀÌ¸ç °¢ ijÆÛ½ÃÅÍ´ç 3300uf/6.3V¸¦ °¡Áö°í ÀÖ¾î ÃÑ 19800ufÀÇ ¿ë·®À» °¡Áö°Ô µÈ´Ù. ±×·±µ¥ ÀÌ¹Ì ¾ð±ÞÇÑ ADP3163°ú ADP3417ÀÇ Á¶ÇÕ¿¡ ÀÇÇÑ Àü¿øºÎ¿¡ ³ªÅ¸³­ 65A Pentium4 Àü¿øºÎÀÇ ±¸¼º¿¡ Ç¥½ÃµÈ ijÆÛ½ÃÅÍÀÇ ÃÑ ¿ë·®Àº 19800uf·Î ÇöÀç BE7ÀÇ Ãâ·ÂºÎ ijÆÛ½ÃÅÍÀÇ Ãѿ뷮°ú Á¤È®È÷ ÀÏÄ¡ÇÏ°Ô µÇ´Âµ¥ ÁøÂ¥·Î BE7ÀÌ 70AÀÇ Àü·ù¸¦ Áö¿øÇÑ´Ù¸é ¾ÈÁ¤¼ºÀ» »ý°¢ÇÏ¿© ÃÖÁ¾ Ãâ·Â¹öÆÛÀÇ Ä³ÆÛ½ÃÅÍÀÇ Ãѿ뷮µµ ÇÔ²² »ó½ÂÇØ¾ß ÇÏÁö ¾ÊÀ»±î »ý°¢ÇØ º¼ ¼ö ÀÖ¾î ÀÌ ºÎºÐÀÌ Á»´õ Áõ°­µÇÁö ¾ÊÀº°Ç ¾Æ½¬¿ï »ÓÀÌ´Ù.

ÇÏ¿©°£ ABIT BE7Àº µü ±Ô°Ý¸¸À» Áö۰í ÀÖ¾î ³ÑÄ¡´Â ±â»ÝÀ» ¾òÁö´Â ¸øÇÒ »ÓÀÌ´Ù.

¡¡

  Å±×(Tag)  : i845 °è¿­
ÀÌÀüÆäÀÌÁö | ´ÙÀ½ÆäÀÌÁö.ABIT BE7 - ½ÇÀü ¿À¹öŬ·° Å×½ºÆ® (1)
°ü·Ã ±â»ç º¸±â
űװ¡ µî·ÏµÇÁö ¾Ê¾Æ °ü·Ã ±â»ç¸¦ Ãâ·ÂÇÒ ¼ö ¾ø½À´Ï´Ù
ÀÌ¿ì¿ë ¼ö¼®±âÀÚ / ÇϾᳪ¶ó´Ô¿¡°Ô ¹®ÀÇÇϱâ guygun@bodnara.co.kr
½ÎÀÌ¿ùµå °ø°¨ ±â»ç¸µÅ© ÆÛ°¡±â ±â»ç³»¿ë ÆÛ°¡±â ÀÌ ±â»ç¸¦ ÇϳªÀÇ ÆäÀÌÁö·Î ¹­¾î º¼ ¼ö ÀÖ½À´Ï´Ù. Ãâ·Âµµ °¡´ÉÇÕ´Ï´Ù.
ȨÀ¸·Î žÀ¸·Î
º¸µå³ª¶ó ¸¹À̺» ±â»ç
MS ¿§Áö ºê¶ó¿ìÀú, ½ÇÇุ ÇØµµ ÀúÀå ¾ÏÈ£°¡ ¸Þ¸ð¸®¿¡ Æò¹® ³ëÃâ
³ë¸ð¾Æ¼Ö·ç¼Ç HP ¿öÅ©½ºÅ×À̼Ç, NVMe SSD 512GB '0¿ø ¾÷±×·¹À̵å' ÇÁ·Î¸ð¼Ç ½Ç½Ã
2026 NEW ASUS ROG ½ºÆ®¸¯½º G16 ÄíÆÎ »çÀü ¿¹ÆÇ ½ÃÀÛ!
MSI, ¡®MSI B850M °ÔÀÌ¹Ö Ç÷¯½º WIFI6E¡¯ Á¤½Ä Ãâ½Ã.. 6³â ¸¸¿¡ µ¹¾Æ¿Â °ÔÀÌ¹Ö Ç÷¯½º
°£ÀýÈ÷ ¹Ù¶õ ²ÞÀº ÀÌ·ç¾îÁø´Ù, ¶óÀÌÁ¨ 9 9950X3D2 µà¾ó ¿¡µð¼Ç
°í¸³µÈ ´Þ À§¿¡¼­ ÇǾ À¯´ë¿Í »ýÁ¸, ÇÁ·¡±×¸¶Å¸(PRAGMATA)
¹ÝµµÃ¼ ´ë¶õÀÌ ¸¸µç PC ½ÃÀå º¯È­, ¿ÏÁ¦Ç°PC ±¸¸Å¿¡¼­ ¾÷±×·¹À̵åÀÇ ½Ã´ë·Î °¡·Á¸é ÇÊ¿äÇÑ °ÍÀº?
¹ÝµµÃ¼ ¼öÃâ¾× 2¹è ´Ã ¶§ DDR5 ½ÃÀå °¡°ÝÀº 6¹è Æøµî, ¹«¾ùÀÌ ¸Â´Â°É±î? [¸Þ¸ð¸® °¡°Ý Æøµî 10ºÎ]
   ÀÌ ±â»çÀÇ ÀÇ°ß º¸±â
Æ®À§ÅÍ º£Å¸¼­ºñ½º °³½Ã! ÃֽŠPC/IT ¼Ò½ÄÀ» Æ®À§Å͸¦ ÅëÇØ È®ÀÎÇϼ¼¿ä @bodnara

±âÀÚÀÇ ½Ã°¢ÀÌ Ç×»ó ¿ÇÀº°ÍÀº ¾Æ´Õ´Ï´Ù. ³ª¸ÓÁö´Â ¿©·¯ºÐµéÀÌ Ã¤¿ö Áֽʽÿä.

2014³âºÎÅÍ ¾î·Á¿î À̾߱⸦ ½±°Ô ÇÏ´Â °ÍÀ¸·Î ÆíÁý¹æÄ§À» ¹Ù²ß´Ï´Ù.
¿À¹ö / 02-12-07 0:57/ ÀÚ±¹/ ½Å°í/ ÀÌ´ñ±Û¿¡´ñ±Û´Þ±â
À½...¾ÈÁ¤¼º Å×½ºÆ®°¡ Á»...»ïµð2002SE¼­ ¾Æ¹« ÀÌ»ó¾ø´ø°Ô ¿ö3¼­ ƨ±â´Â °æ¿ìµµ ÀÖ´øµ¥...¹°·Ð ¼øÀüÈ÷ ¿À¹ö ¹®Á¦·Î...ÄÚ¾î Àü¾Ð¸¸ Á» ´õ ³ô¿© ÇØ°áµÇ´Â..
ÇϾᳪ¶ó / 02-12-07 1:08/ ÀÚ±¹/ ½Å°í/ ÀÌ´ñ±Û¿¡´ñ±Û´Þ±â
¾ÈÁ¤¼ºÅ×½ºÆ®´Â ÀÌ¹Ì ±Û¿¡¼­ ¾ð±ÞÇß´ø°Íó·³ 8Á¾ÀÇ ¸ÞÀκ¸µå¸¦ ´Ù·ç·Á´Ù º¸´Ï ½Ã°£ÀÇ Á¦¾àÀ¸·Î ¾î¿¼ö¾øÀÌ ÇØ´ç ¼³Á¤À¸·Î¸¸ Å×½ºÆ®ÇÏ¿´½À´Ï´Ù.. Àúµµ ¿Ïº®È÷ ÇÒ·Á¸é Ç®·Î ÇÏ·çÁ¾ÀÏÀº µ¹·ÁºÁ¾ß ÇѴٴ°ÍÀº ¾Ë°íÀÖÁö¸¸ »ó´ëÆò°¡¶ó´Â°ÍÀ» ÀÌÇØÇØ ÁÖ¼ÌÀ¸¸é ÇÕ´Ï´Ù.. ^^
¿ò.. / 02-12-07 1:37/ ÀÚ±¹/ ½Å°í/ ÀÌ´ñ±Û¿¡´ñ±Û´Þ±â
³Ê¹« ¿À·¡±â´Þ·È´Âµ¥.. Á¦Ç°Çϳª¸¸ ³ª¿Í¼­ ¾à°£Àº ½Ç¸Á~ ´ÙÀ½ÁÖ°¡ ±â´ëµÇ´Â±º¿ä^^ ÈÞÀÏ¿¡ ½É½ÉÇѵ¥ ÀÏ¿äÀÏÀÌ¶óµµ Æ÷½ºÆÃ ÇØÁֽøé ÁÁ°Ú´Âµ¥.. ¾î°´ø ±×°£ ¼ö°íÇϼ̽À´Ï´Ù~
³×·Î / 02-12-07 4:29/ ÀÚ±¹/ ½Å°í/ ÀÌ´ñ±Û¿¡´ñ±Û´Þ±â
Àü Á¤¸» ¿À¹öµµ Çѹø ¸øÇغñ¸ ¼ÖÁ÷È÷ ÇÊ¿äÄ¡µµ ¾ÊÀº »ç¶÷ÀÌÁö¸¸.... ±×·¡µµ ²À ²À ÇѹøÀº ÇØº¸°í ½Í¾î¿ä ^^ ÁÁÀº Á¤º¸ °¨»ç
³×·Î / 02-12-07 4:30/ ÀÚ±¹/ ½Å°í/ ÀÌ´ñ±Û¿¡´ñ±Û´Þ±â
±×¸®°í À̱ÛÀº ¾î´ÀÁ¤µµ ºê¹ÚÀÇ "³ÊÈñ°¡ ¿À¹ö¸¦ ¾Æ´À³Ä?" ¸¦ ÀǽÄÇÏ°í ¾²½Å°Ç°¡¿ä??
chacha / 02-12-07 4:44/ ÀÚ±¹/ ½Å°í/ ÀÌ´ñ±Û¿¡´ñ±Û´Þ±â
ºê¹ÚÀÇ ±Ûº¸´Ù ÈξÀ ÀüºÎÅÍ ¿¹°íµÈ ±ÛÀÔ´Ï´Ù, Àú´Â °ÅÀÇ ÇÑ´ÞÀº ±â´Ù¸°µí Çϳ׿ä, Çåµ¥ 1ºÎ¿¡ ÇѺ¸µå¸¸ ³ª¿Í¼­ ¼·¼·.... ÇÏÁö¸¸ ³»¿ëÀº ÁÁ³×¿ä, Àü¿øºÎ ±¸¼º¿¡ ´ëÇØ¼­µµ ÀÚ¼¼È÷ ¾²¼Ì°í.... 2ºÎ¸¦ ±â´ëÇÕ´Ï´Ù!! ¼ö°íÇϼ̾î¿ä!!
ÈåÀ½ / 02-12-07 4:45/ ÀÚ±¹/ ½Å°í/ ÀÌ´ñ±Û¿¡´ñ±Û´Þ±â
¾çÂÊ±Û µÑ´Ù ÁÁÀº ±ÛÀÎ°Í °°±º¿ä.. ±×¸®°í ÀÌ º¥Ä¡´Â ÀüºÎÅÍ ¿¹°íµÇ¾ú¾ú½À´Ï´Ù. ±×·¡µµ º¸µå³ª¶õµ¥...
½Ã¿ù¾Ö / 02-12-07 9:10/ ÀÚ±¹/ ½Å°í/ ÀÌ´ñ±Û¿¡´ñ±Û´Þ±â
ÇѰ¡Áö Àǹ®ÀÌ »ý±â´Â°Ç Àü¿øºÎ ±¸¼ºÀÌ ¸ÞÀκ¸µåÀÇ ¸ðµç°É ÆÇ°¡¸§ ÇÏ´À³ÄÀÔ´Ï´Ù. ¼ÖÁ÷È÷ º¸µå³ª¶ó³ª ¿ì¸® À¯ÀúÃøÀº º¸µå ¿£Áö´Ï¾î°¡ ¾Æ´ÑÀÌ»ó ´ÜÆíÀûÀÎ Áö½Ä¸»°í´Â ¾Ë¼ö°¡ ¾ø½À´Ï´Ù. À̹ø ±Û¸¸ ºÁµµ ±âÆÇ¿¡ ½ÇµåµÈ ĨµéÀÇ Á¾·ù¿Í ±× ±â´É¸¸À» µ¥ÀÌŸ ½ÃÆ®¸¦ Âü°íÇØ¼­ ÆÇ´ÜÇÏ´Â°Ô °íÀÛÀÔ´Ï´Ù. ½ÇÁúÀûÀÎ º¸µå ³»ºÎ ¼³°è¸¦ ¸ð¸£°í¼­ Àü¿øºÎ¸¦ Æ÷ÇÔÇÑ ±× ¸ÞÀκ¸µå Àüü°¡ È¿À²ÀûÀÌ³Ä ¾Æ´Ï³Ä¸¦ ÆÇ´ÜÇÏ´Â°Ç ¾Æ¹«·¡µµ ¹«¸®¼ö¸®°í º¸¿©Áø´Ù°í »ý°¢µË´Ï´Ù. °Ô´Ù°¡ Áö±Ý º¸µå³ª¶ó¿¡¼­ ¸î¹ø¿¡ °ÉÃļ­ Àü¿øºÎÀÇ Á߿伺À» °­Á¶ÇÏ´Â ¹Ù¶÷¿¡ ÀÌÁ¨ ¸ÞÀκ¸µå´Â Àü¿øºÎ°¡ 3Phase, 4phase°¡ ¾Æ´Ï¸é ¾È ÁÁÀº º¸µå¶ó´Â »ý°¢À» °®´Â À¯Àú°¡ ¸¹½À´Ï´Ù. ÃʽÉÀ¸·Î µ¹¾Æ°¡ÀÚ¶ó´Â ±Û¿¡¼­ Àá±ñ ¸»¾¸Çϼ̵íÀÌ Àü¿øºÎ¶§¹®¿¡ ÇöÀç ºÒ¾ÈÇÑ º¸µå°¡ ¾ø´Ù´Â°É »ç¶÷µé¿¡°Ô ÇѹøÂë ȯ±â½ÃÄÑÁÙ Çʿ䰡 ÀÖ´Ù°í º¸¿©Áý´Ï´Ù. ¿©·¯Â÷·Ê °ÉÄ£ ÁÁÀº ±Ûµé¶§¹®¿¡ ³ª¸§´ë·Î ¸¹Àº Âü°í°¡ µÇ¾ú½À´Ï´Ù¸¸ ³Ê¹« Àü¿øºÎ¿¡¸¸ ÈûÀ» ÁֽôµíÇØ¼­ ¾à°£Àº Àǹ®Á¡ÀÌ »ý±é´Ï´Ù.
½Ã¿ù¾Ö / 02-12-07 9:13/ ÀÚ±¹/ ½Å°í/ ÀÌ´ñ±Û¿¡´ñ±Û´Þ±â
±×¸®°í ¿©Å¸ ´Ù¸¥ »çÀÌÆ®¿¡¼­ ½Ãµµ¾ÊÀº »õ·Î¿î Á¢±Ù¹æ½Ä¿¡ ¸¹Àº °ü½ÉÀ» °¡Áö°í ÁöÄѺ¸½Ã´Â ºÐµéÀÌ ¸¹Àº¸¸Å­ ÁÁÀº °á°ú°¡ Àֱ⸦ ¹Ù¶ó´Â ¸¶À½ÀÔ´Ï´Ù.
½Ã¿ù¾Ö / 02-12-07 9:41/ ÀÚ±¹/ ½Å°í/ ÀÌ´ñ±Û¿¡´ñ±Û´Þ±â
¾Æ ±×¸®°í °³ÀÎÀûÀÎ »ý°¢ÀÌÁö¸¸ ¾îÂ÷ÇÇ Àü¿øºÎ¿¡ ºÎÇϸ¦ ¸¹ÀÌ ÁÙ·Á¸é ¿À¹ö ÀßµÇ´Â Ææ4 2.4±â°¡³ª Ææ4 3.06¸¦ °¡Áö°í¼­ ¿À¹öÇØº¸´Â°Ô ¾î¶®À»±î Çϴ°̴ϴÙ. 1.6G°¡Áö°í ¿À¹ö¾Æ¹«¸® ¸¹ÀÌ ÇØºÁ¾ß 3±â°¡ ¹Ì¸¸ÀÏÅÙµ¥ ±×°Íº¸´Ù´Â 3±â°¡ ÀÌ»óÀ¸·Î µÇ´Â CPU°¡ Àü¿øºÎ¿¡ ÁÖ´Â ºÎÇϰ¡ ÈξÀ ¸¹Áö ¾Ê°Ú³Ä´Â°ÅÁÒ. ¾Æ¹«ÂÉ·Ï ÁÁÀº ±Û ÀߺýÀ´Ï´Ù.
¿ò.. / 02-12-07 10:00/ ÀÚ±¹/ ½Å°í/ ÀÌ´ñ±Û¿¡´ñ±Û´Þ±â
¾Æ.. ÇϾᳪ¶ó´Ô Å×½ºÆ®½Ã¿¡ Ä𸵠½Ã½ºÅÛÀÌ ±âº» Á¤Ç°Ä𷯿´½À´Ï±î? ±×¸®°í À§¿¡ºÐ ¸»¾¸Ã³·³ 2.4B C1 ½ºÅ×ÇÎ CPU·Î Å×½ºÆ®Çصµ ¿À¹öÆøÀº ¿±±â¶ó ´õ Èï¹ÌÀÖ´Â °á°ú¸¦ ¾òÁö ¾Ê¾ÒÀ»±îÇÕ´Ï´Ù.
ÀÓÇö±Ô / 02-12-07 10:21/ ÀÚ±¹/ ½Å°í/ ÀÌ´ñ±Û¿¡´ñ±Û´Þ±â
ÇϾᳪ¶ó´Ô º¥Ä¡ Àß ºÃ½À´Ï´Ù. ¾î¼­ 2ºÎ ¿Ã·ÁÁÖ¼¼¿ä.. ^^; kt400 µµ ¿À¹ö º¥Ä¡ÇÏ¸é º¼¸¸ÇÒÅÙµ¥
ÇϾᳪ¶ó / 02-12-07 11:28/ ÀÚ±¹/ ½Å°í/ ÀÌ´ñ±Û¿¡´ñ±Û´Þ±â
½Ã¿ù¾Ö´ÔÀÇ ÁöÀû °¨»çÇÕ´Ï´Ù.. Àúµµ ½Ã¿ù¾Ö´ÔÀÇ Àǰ߿¡ µ¿°¨ÇÏÁö¸¸ Àü¿øºÎ¿¡ ´ëÇØ¼­´Â Á¦°¡ ¾Ë¾Æº¼¼ö ÀÖ´Â ÇÑ ÃÖ´ëÇÑ ¾Ë·Áµå¸±·Á°í Ç߱⿡ µ¥ÀÌÅÍ½ÃÆ®¸¸¸¦ Âü°íÇÒ¼ö¹Û¿¡ ¾ø¾ú½À´Ï´Ù. ¹°·Ð Á¦°¡ ¿£Áö´Ï¾îµµ ¾Æ´Ï±â¿¡ ½ÇÁ¦ ¼³°è°¡ ¾î¶»°Ô µÇ¾îÀÖ´ÂÁö±îÁö´Â ¼³¸íÇØµå¸±¼ö ¾ø¾úÁö¸¸ Àü¿øºÎÀÇ ¾çÀûÀÎ ¸éÀ» Àü¿øºÎ¿¡¼­ ¼³¸íµå¸®°í ½ÇÁ¦ ¿À¹öŬ·° Å×½ºÆ®¿¡¼­ ¿©Å¸º¸µåµé°úÀÇ ºñ±³¸¦ ÅëÇØ ¾î´ÀÁ¤µµ È¿À²ÀûÀÎÁö¸¦ ÆÇ°¡¸§Çغ¸°íÀÚ ÇѰÍÀÔ´Ï´Ù.
ÇϾᳪ¶ó / 02-12-07 11:31/ ÀÚ±¹/ ½Å°í/ ÀÌ´ñ±Û¿¡´ñ±Û´Þ±â
±×¸®°í ÀúµÎ À̹ø Å×½ºÆ®°¡ 3GhzÀÌ»óÀÇ Å¬·°À¸·Î ÁøÇàÇß¾î¾ß Á»´õ Á¤È®ÇÑ Å×½ºÆ®°¡ µÉ°ÍÀ¸·Î »ý°¢µÇÁö¸¸ º¸µå³ª¶ó¿¡ ±¸ºñµÇ¾îÀÖ´Â CPU°¡ 1.6A¿Í 2.26¹Û¿¡ ¾ø±â¿¡ ¾î¿¼ö ¾øÀÌ »ó´ëÀûÀ¸·Î ¿À¹öŬ·° ºñÀ²ÀÌ ³ôÀº 1.6A·Î Å×½ºÆ®¸¦ ÁøÇàÇÒ¼ö¹Û¿¡ ¾ø¾ú½À´Ï´Ù. ÀÌÁ¡ ÀÌÇØÇØÁÖ½Ã±æ ¹Ù¶ó¸ç Á¶¸¸°£ 2.4B C1½ºÅ×ÇÎ P4¸¦ ±¸ÀÔÇÒ ¿¹Á¤ÀÌ´Ï Â÷ÈÄ¿¡ ´Ù½Ã ÁøÇàµÉ ¿À¹öŬ·° º¥Ä¡¸¶Å©¿¡¼± Àû±Ø Ȱ¿ëÇÒ ¿¹Á¤ÀÔ´Ï´Ù.. °¨»çÇÕ´Ï´Ù.
Áö³ª°¡´ÂÀÌ / 02-12-07 13:18/ ÀÚ±¹/ ½Å°í/ ÀÌ´ñ±Û¿¡´ñ±Û´Þ±â
FSB clockÀº ±×³É µÎ°í ¸Þ¸ð¸® clock¸¸ ¿À¹öÇÒ ¼ö ÀÖ³ª¿ä? FSB400¿¡ DDR400 ½ÄÀ¸·Î...^^;;;
winz / 02-12-07 13:24/ ÀÚ±¹/ ½Å°í/ ÀÌ´ñ±Û¿¡´ñ±Û´Þ±â
845pe Ĩ¼ÂÀº fsb400 »óÅ¿¡¼­ ddr333 Áö¿ø ¸øÇϴ°ɷÎ;
Áö³ª°¡´ÂÀÌ / 02-12-07 13:32/ ÀÚ±¹/ ½Å°í/ ÀÌ´ñ±Û¿¡´ñ±Û´Þ±â
fsb¿Í ¸Þ¸ð¸®clockÀÇ ºñÀ²Á¶Á¤À¸·Îµµ ¸øÇϳª¿ä?.. 3:4 <--¿ä·±½ÄÀ¸·Î¿ä ^^;;..... cpu´Â ³·Àº »ç¾ç¾²°í ¸Þ¸ð¸®´Â ³ôÀº »ç¾çÀ¸·Î ¾²°í ½ÍÀºµ¥,,,^^;;
ÀÌÈ£¼÷ / 02-12-07 13:36/ ÀÚ±¹/ ½Å°í/ ÀÌ´ñ±Û¿¡´ñ±Û´Þ±â
¿À¹öŬ·°¿¡ ´ëÇÑ ÁÁÀºÁ¤º¸ÀÔ´Ï´Ù/ÁøÁ¤ ¾Ö¾²½Å ¸®ºä·Î ÁÁÀºÁ¤º¸ »ç·áÇÕ´Ï´Ù
±Ã±ÝÀÌ / 02-12-07 14:23/ ÀÚ±¹/ ½Å°í/ ÀÌ´ñ±Û¿¡´ñ±Û´Þ±â
ASUS P4PE ¿¡¼­ FSB400 1.6A CPU ¸¦ FSB150 À¸·Î ¿À¹ö ÈÄ ¸Þ¸ð¸®¸¦ DDR400 À¸·Î ¼³Á¤ÀÌ °¡´ÉÇÏ´Ù´Â ±ÛÀ» Àоú¾ú´Âµ¥, Ç×»ó °¡´ÉÇÑ ¾ê±ä°¡¿ä? ´ä±Û ¶Ç´Â ±×·± ³»¿ëÀÌ Æ÷ÇÔµÈ 2ºÎ, 3ºÎ°¡ ¿Ã¶ó¿ÔÀ¸¸é ÁÁ°Ú½À´Ï´Ù.
¼Ö±ê / 02-12-07 16:18/ ÀÚ±¹/ ½Å°í/ ÀÌ´ñ±Û¿¡´ñ±Û´Þ±â
¾Æºñµå Á¦Ç°ÀÌ Ã¹Å¸Àڳ׿ä..^^ ÀߺýÀ´Ï´Ù.³ª¸ÓÁö 7Á¾ÀÇ º¸µåµµ ¿­½ÉÈ÷ ÇØÁÖ¼¼¿ä.±×¸®°í ¿¡Æø½º¿¡¼­ ³ª¿Â 845pe se º¸µåµµ ÇÔ²² ÇØÁÖ¼ÌÀ½ ÇÕ´Ï´Ù ¿À¹öÀÇ °­ÀÚ·Î ¶°¿À¸£´Â ¿¡Æø½º º¸µå°¡ Àú¹øº¥Ä¡¿¡¼­µÎ ºüÁ³´Âµ¥ À̹ø¿¡ Æ÷ÇÔÀÌ µÆÀ½ ÇÕ´Ï´Ù ÇöÀç »ç¿ëÁßÀε¥ 3±â°¡´Â ¹«³­È÷ ¿À¹ö°¡ µÇ´õ±º¿ä..´ÙÀ½2ºÎ¸¦ ±â´ëÇϰڽÀ´Ï´Ù^^
ÇϾᳪ¶ó / 02-12-07 17:46/ ÀÚ±¹/ ½Å°í/ ÀÌ´ñ±Û¿¡´ñ±Û´Þ±â
À̹ø Å×½ºÆ®´Â ASUSÀÇ P4PE¿Í ABITÀÇ BE7, Albatron PX845PEV Pro, MSI 845PE MAX, IWiLL P4HT-K, GIGABYTE 8PE667 PRO, CHAINTECH Zenith 9EJS1, EPOX 845PE SE°¡ Æ÷ÇԵǾîÀÖ½À´Ï´Ù..
ÇϾᳪ¶ó / 02-12-07 17:48/ ÀÚ±¹/ ½Å°í/ ÀÌ´ñ±Û¿¡´ñ±Û´Þ±â
2ºÎ´Â MSI, Albatron, ASUS,CHAINTECH,IWiLLÁ¦Ç°ÀÌ ¿¹Á¤µÇ¾î ÀÖ½À´Ï´Ù.
winz2 / 02-12-07 21:24/ ÀÚ±¹/ ½Å°í/ ÀÌ´ñ±Û¿¡´ñ±Û´Þ±â
±â´ëµÇ´Â ¾Ë¹ÙÆ®·Ð°ú ¾ÆÀÌÀª Á¦Ç°ÀÌ ³ª¿À°Ú³×¿ä;
mix02 / 02-12-08 3:13/ ÀÚ±¹/ ½Å°í/ ÀÌ´ñ±Û¿¡´ñ±Û´Þ±â
Àç¹Õ³ß...^^; ¾ð³Õ ´ã±Ûº¸±¸½Í¾î¿°..¤¤ ¤Á¤¾ ¤¿
¹Ú´ë±Ù / 02-12-08 22:34/ ÀÚ±¹/ ½Å°í/ ÀÌ´ñ±Û¿¡´ñ±Û´Þ±â
´ëºÎºÐÀÇ º¸µå°¡ DDR 2°³ ÀÌ»óÀ϶§ ¿À¹ö(¶Ç´Â Á¤»ó)Ŭ·°½Ã¿¡ ¹®Á¦°¡ »ý±â°Ô µÇ´Âµ¥, ÀÌ ºÎºÐÀÌ Á¶±Ý ¾Æ½±±º¿ä. ^^
tleodwk / 02-12-09 0:33/ ÀÚ±¹/ ½Å°í/ ÀÌ´ñ±Û¿¡´ñ±Û´Þ±â
½Ã¿ù¾Ö´ÔÀÇ Àǰ߿¡ µ¿°¨ÇÏ´Â ¹ÙÀÔ´Ï´Ù. ±× ´öºÐ¿¡ ASUS¸¦ ºñ³­ÇÏ´Â »ç¶÷ÀÌ Âü¸¹ÀÌ ´Ã¾ú´õ±º¿ä. À¯µ¶ ÀÌ º¸µå³ª¶ó¿¡¼­¸¸ ¸»ÀÌÁÒ. Á¦°¡ PEº¸µå¸¦ ÇÑ 4Á¾ ½áºÃ´Âµ¥. 2.4G C1 ½ºÅ×Çο¡¼­ ¿À¹ö°¡ °¡Àå ÀߵǴ Á¦Ç°Àº ¾Ë¹ÙÆ®·Ð Á¦Ç°À̾ú½À´Ï´Ù. ASUS³ª IWILLÀ̳ª ºñ½Áºñ½ÁÇÑ ¿À¹öÆøÀ» º¸À̰í.. ±â°¡¹ÙÀÌÆ®.. Á¦ »ý°¢¿£ ABIT ó·³ º° ³»¼¼¿ï²² ¾ø´Ù°í »ý°¢ÀÌ µå³×¿ä. Àü¿øºÎ ±¸¼º¿¡ µû¶ó¼­ ¿À¹ö°¡ ÀߵǴÀ´Ï ¾ÈµÇ´À´Ï.. µûÁú ¼ö ¾ø´Â ¾ê±âÁÒ.. Àü¿øºÎ ±¸¼ºÀÌ ¿À¹ö¸¦ Çϴµ¥¿¡ ÀÖ¾î ÀüºÎ°¡ ¾Æ´Ï´Ï. ¸í¼ºÀÌ ¾î¶´À´Ï Àú¶´À´Ï ÀÌ·±¸» ¾È³ª¿ÔÀ½ ÇÏ´Â ¹Ù·¥À̳׿ä.
´ó±Ù / 02-12-09 6:44/ ÀÚ±¹/ ½Å°í/ ÀÌ´ñ±Û¿¡´ñ±Û´Þ±â
ÇÏ¿©°£ ÀëÀÖ´Â ±ÛÀÔ´Ï´Ù. ¿ª½¬ ¿äÁò º¥Ä¡ ¸¶Å©»çÀÌÆ® Áß¿¡¼­ Á¦´ë·Î º¥Ä¡¸¶Å·À» ÇÏ´Â »çÀÌÆ®~ *_*
³ª±×³× / 02-12-10 2:56/ ÀÚ±¹/ ½Å°í/ ÀÌ´ñ±Û¿¡´ñ±Û´Þ±â
¾î¶² º¸µå°¡ fsb400½ÃÇ»¸¦ ¾²°íµµ ddr333¼³Á¤ÀÌ µÇ´Â º¸µåÀÎÁöµµ ±Ã±Ý^^;
°¨ÀÚ³ª¹« / 02-12-10 11:16/ ÀÚ±¹/ ½Å°í/ ÀÌ´ñ±Û¿¡´ñ±Û´Þ±â
845pe¿¡¼­´Â fsb400¿¡ ddr333ÀÌ ¾ÈµË´Ï´Ù. ¸ðµçº¸µå°¡ ´Ù ¾ÈµË´Ï´Ù. ±×·³
³ª±×³×2 / 02-12-10 13:38/ ÀÚ±¹/ ½Å°í/ ÀÌ´ñ±Û¿¡´ñ±Û´Þ±â
fsb400 cpu¸¦ 533À¸·Î ¿À¹öÇÏ´Â °æ¿ì¿¡ DDR333 ¿É¼ÇÀÌ Àû¿ë°¡´ÉÇÑÁö¸¦ ¹¯´Â °Í °°±º¿ä...
ÇϾᳪ¶ó / 02-12-10 13:58/ ÀÚ±¹/ ½Å°í/ ÀÌ´ñ±Û¿¡´ñ±Û´Þ±â
½ÇÀü ¿À¹öŬ·° Å×½ºÆ® ùºÎºÐ¿¡ ¿À¹öŬ·°°ü·Ã ±â´ÉÀ» ¿­°ÅÇϸ鼭 FSB400 CPU¸¦ FSB533À¸·Î ¼³Á¤½Ã DDR333À¸·Î ¼³Á¤ÀÌ °¡´ÉÇÑÁöµµ ¾ð±ÞÇϰí ÀÖ½À´Ï´Ù.. ¹°·Ð ´Ù¸¥ Á¦Ç°µéµµ ´Ù ¸¶Âù°¡Áö±¸¿ä..^^
´Ð³×ÀÓ À¥º¿¹æÁö

ȨÀ¸·Î žÀ¸·Î
 
 
2026³â 05¿ù
ÁÖ°£ È÷Æ® ·©Å·

[°á°ú¹ßÇ¥] 2026³â 1ºÐ±â Æ÷ÀÎÆ® ¼ÒÁø ·Î¶Ç 15
[°á°ú¹ßÇ¥] 2025³â 4ºÐ±â Æ÷ÀÎÆ® ¼ÒÁø ·Î¶Ç 17
[°á°ú¹ßÇ¥] 2025³â 3ºÐ±â Æ÷ÀÎÆ® ¼ÒÁø ·Î¶Ç 16
[°á°ú¹ßÇ¥] 2025³â 2ºÐ±â Æ÷ÀÎÆ® ¼ÒÁø ·Î 18
[°á°ú¹ßÇ¥] 2025³â 1ºÐ±â Æ÷ÀÎÆ® ¼ÒÁø ·Î¶Ç 17

½Ç½Ã°£ ´ñ±Û
¼Ò¼È ³×Æ®¿öÅ©